Multi Pro® 1750 ターフスプレーヤ
製品情報
- モデル番号 41188
- シリアル番号 316000001 - 316999999
- 製品のタイプ: Sprayers
読み込み中です...
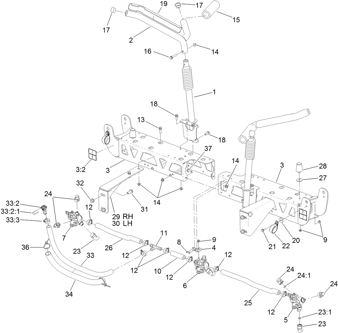
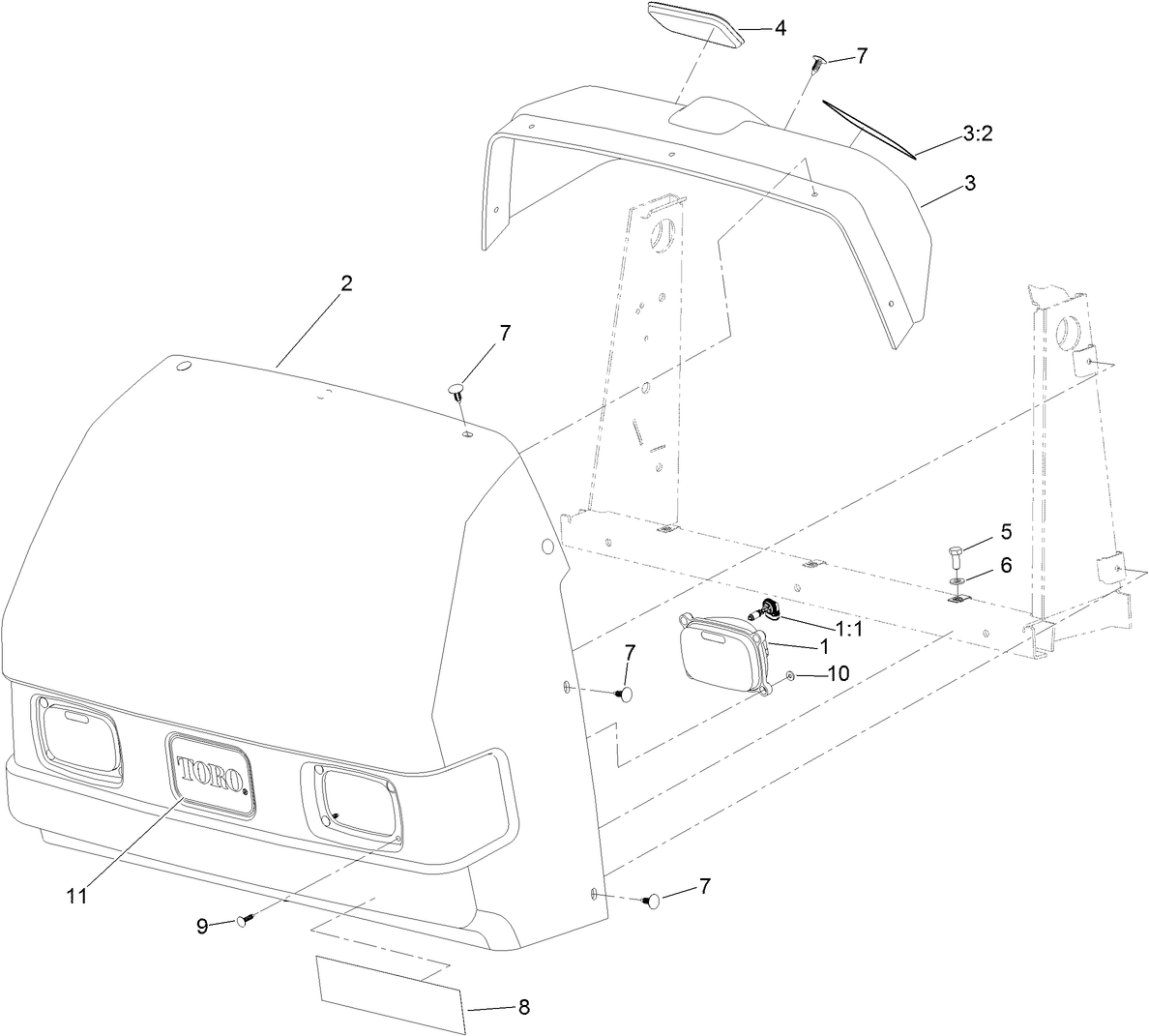
アセンブリ図
アセンブリ図の中でパーツを検索する:
-
サービスマニュアル
-
オペレーターズマニュアル
-
パーツカタログ
-
EU 規格適合証明書
-
エンジンからの蒸発ガスに関する保証
-
回路図 - 電気系統
-
回路図 - 油圧系統
-
サービスブリテン
PREMIUM ATF DRUM (パーツ番号 108-1185)
PREMIUM ATF PAIL (パーツ番号 108-1186)
PREMIUM ALL PURPOSE GREASE (パーツ番号 108-1190)
License Plate Kit, Multi-Pro 5800 Turf Sprayer (パーツ番号 120-8506)
Spring Upgrade Kit, Multi-Pro Turf Sprayer with Covered Boom Kit (パーツ番号 120-8508)
PREMIUM ENGINE OIL 10W30 (55 GAL) (パーツ番号 121-6392)
PREMIUM ENGINE OIL 10W30 (5 GAL) (パーツ番号 121-6393)
Finishing Kit, Foam Marker for Multi Pro 1750 Turf Sprayer (パーツ番号 125-8120)
LANCE ASM - SUCTION (パーツ番号 127-9826)
MP1750 SONIC BOOM KIT (パーツ番号 130-8227)
Universal Sunshade, Groundsmaster and Reelmaster Traction Units (パーツ番号 30349)
Rear Work Light Kit, Multi Pro Turf Sprayer Vehicle (パーツ番号 41010)
Single Nozzle Kit, Multi-Pro Turf Sprayer (パーツ番号 41023)
Hand Spray Wand Kit, 2015 and After Multi Pro 1750 or Multi Pro WM Tur (パーツ番号 41118)
EU Compliance Kit, 2015 and After Multi Pro 1750 Turf Sprayer (パーツ番号 41155)
PRO FOAM CONCENTRATE 4 X 1 GAL (パーツ番号 41157)
Chemical Pre-Mix Kit, 2015 and After Multi Pro 1750 Turf Sprayer (パーツ番号 41158)
Electric Hose Reel Kit, 2015 and After Multi Pro 1750 Turf Sprayer (パーツ番号 41159)
CE Kit, Multi Pro 1750 Turf Sprayer (パーツ番号 41202)
Tank Cleanse Rinse Kit, Multi Pro 1750 Turf Sprayer (パーツ番号 41208)
Ultra Sonic Boom Leveling Kit, 2013 and After Multi-Pro 5800, 1750 and (パーツ番号 41219)
Foam Marker Kit, Multi Pro 1750 and 2000 Turf Sprayer (パーツ番号 41232)
Road Light and Homologation Kit, Multi Pro 1750 Turf Sprayer (パーツ番号 41250)
COVERED BOOM KIT (パーツ番号 41602)
PRO-FOAM (パーツ番号 41607)
CDMA RTK Correction Modem Kit, GeoLink Precision Spray System (パーツ番号 41624)
GSM RTK Correction Modem Kit, GeoLink Precision Spray System (パーツ番号 41625)
GeoLink Precision Spray System Antenna Kit, Multi Pro 5800 Turf Spraye (パーツ番号 41626)
X25 GeoLink Precision Spray System Kit, Serial Number 315000001 and Af (パーツ番号 41630)
X25 GeoLink Precision Spray System Finishing Kit, Serial Number 315000 (パーツ番号 41631)
SCREEN - SPARK ARRESTOR (パーツ番号 94-8157)
-
モデル番号
41188 -
シリアル番号
316000001 - 316999999 -
製品名
Multi Pro® 1750 ターフスプレーヤ -
製品のブランド
Toro -
製品のタイプ
Sprayers -
製品のシリーズ
Sprayers and Accessories
































































