Pro Force Debris Blower
제품 정보
- 모델 번호: 44538
- 일련번호: 312000280 - 312999999
- 제품 유형: Commercial Debris Blower
로드 중...
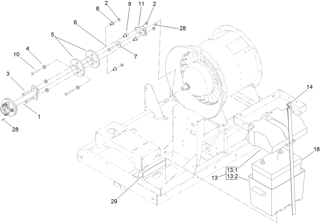
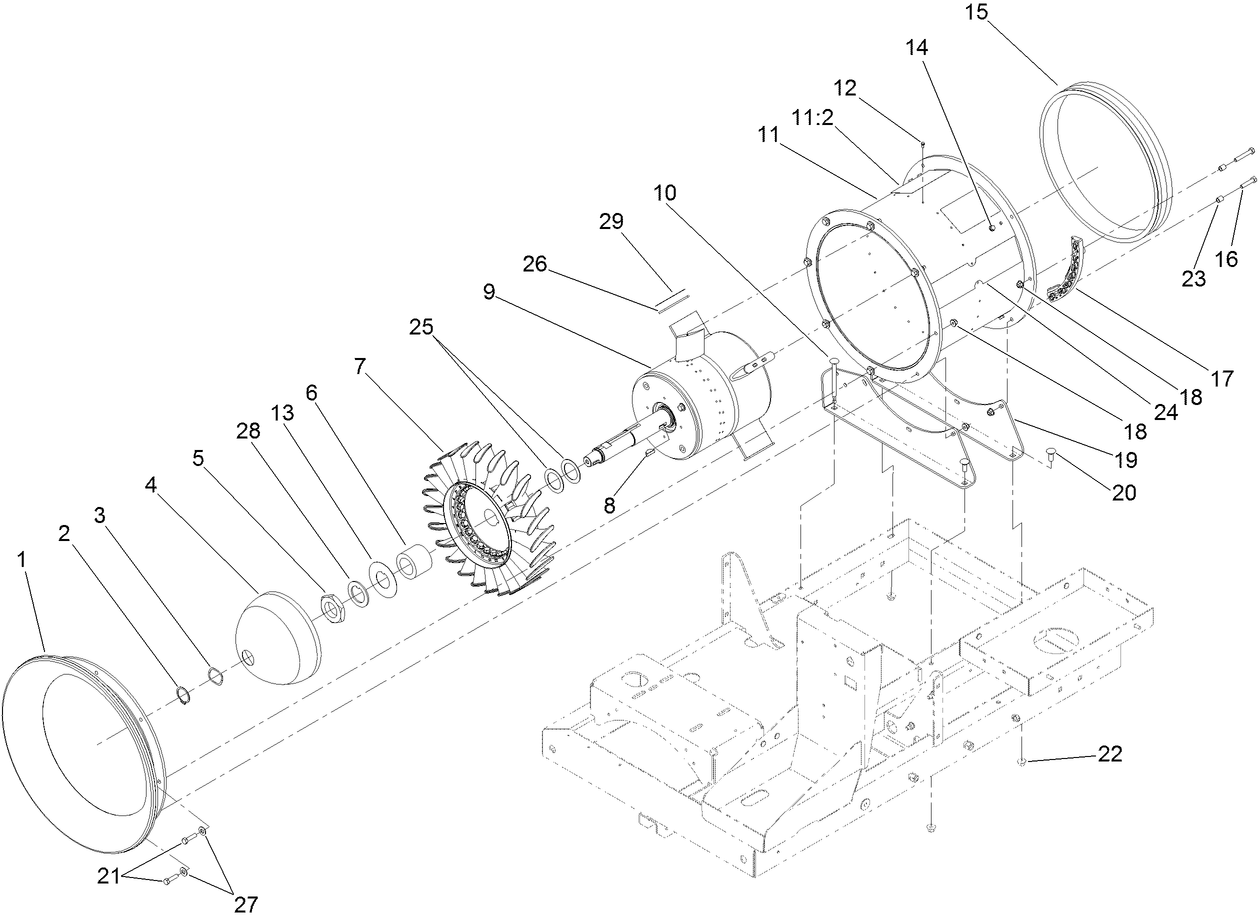
조립 도면
조립 도면 내의 부품 검색:
-
정비 매뉴얼
-
사용 설명서
-
부품 카탈로그
-
EU 적합성 선언서
-
엔진 증발 가스 보증
-
정비 회보
-
모델 번호
44538 -
일련번호
312000280 - 312999999 -
제품명
Pro Force Debris Blower -
제품 브랜드
Toro -
제품 유형
Commercial Debris Blower -
제품 시리즈
Turf Maintenance Equipment










