48cm Super Recycler Lawn Mower
Información sobre productos
- Nº Modelo: 20836
- Nº Serie: 311000001 - 311999999
- Tipo de producto: Walk Behind Mowers
Cargando...
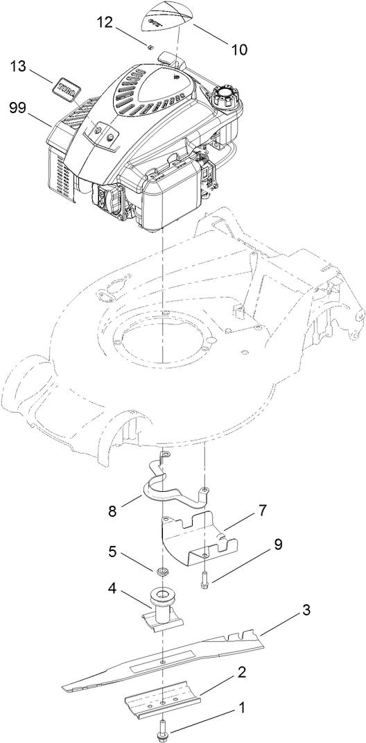
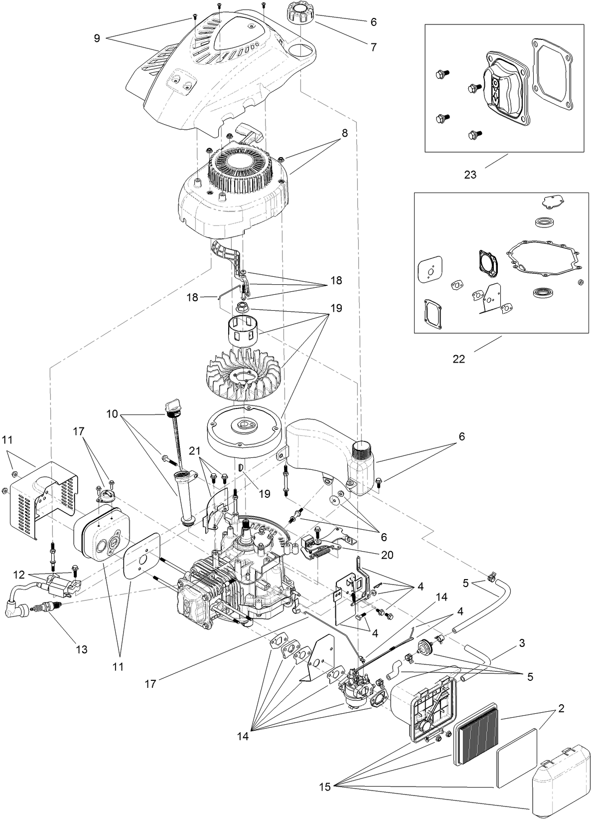
Dibujos de ensamblaje
Buscar una piezas en los dibujos de ensamblaje:
-
Manual de mantenimiento
-
Manual del operador
-
Catálogo de piezas
-
Declaración de Conformidad UE
Toro Walk Mower Cover (Número de pieza 490-7462)
Plain Walk Mower Cover (Número de pieza 490-7463)
-
Nº Modelo
20836 -
Nº Serie
311000001 - 311999999 -
Nombre del producto
48cm Super Recycler Lawn Mower -
Marca del producto
Toro -
Tipo de producto
Walk Behind Mowers -
Serie del producto
48cm Rear Bagger/Recycler -
Tipo de chasis
Cast Deck WPM -
Anchura
48cm -
Descarga
Recycler & Side Discharge with Rear Bag -
Fabricante del motor
Toro -
Potencia del motor
GrossTorque 7.00f/lb -
Tipo de motor
4 Cycle -
Sistema de arranque del motor
Recoil -
Tipo de transmisión
Gear -
Sistema de tracción
Rear WD
-
Engine: Ignition Coil Air Gap
.010" / .25mm -
Engine: Spark Plug Gap
.030"/ .76mm -
Engine: Engine Speed
2800±100 RPM -
Engine: Spark Plug
Champion RN9YC / NGK BPR6ES / NHPS F7RTC (OEM China) -
Engine: Engine Oil Type
20 oz. (.59 L) SAE 30 or 10W-30 / API SF, SG, SH, SJ, SL, or higher






