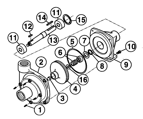
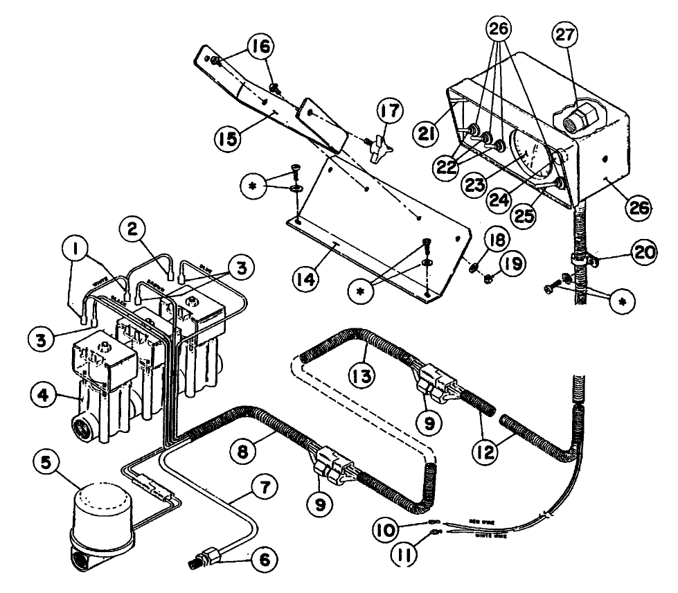
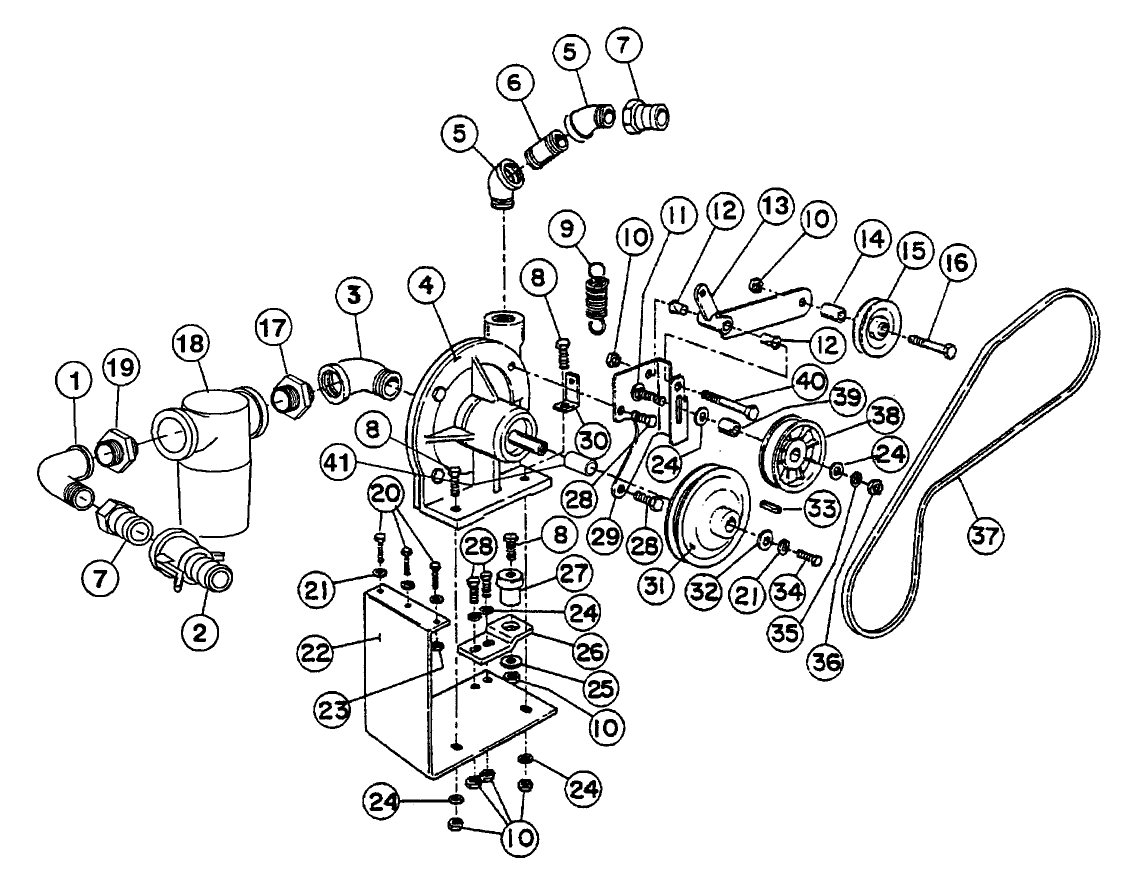
Sprayer Tank/Skid Frame for Manual Spray System, Workman 3000
Información sobre productos
- Nº Modelo: 41220
- Nº Serie: 200000001 - 200999999
- Tipo de producto: Sprayers
Cargando...
Dibujos de ensamblaje
Buscar una piezas en los dibujos de ensamblaje:
-
Manual del operador
-
Instrucciones de instalación
-
Boletín de mantenimiento
-
Nº Modelo
41220 -
Nº Serie
200000001 - 200999999 -
Nombre del producto
Sprayer Tank/Skid Frame for Manual Spray System, Workman 3000 -
Marca del producto
Toro -
Tipo de producto
Sprayers -
Serie del producto
Sprayers and Accessories









