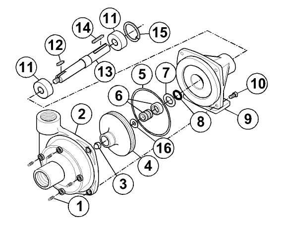
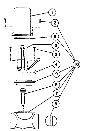
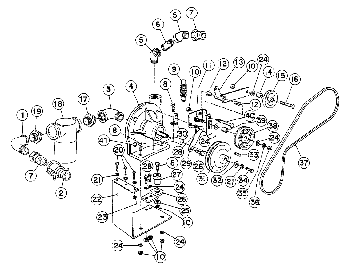
Sprayer Tank/Skid Frame for Pro Control Spray System, Workman
Información sobre productos
- Nº Modelo: 41220
- Nº Serie: 80001 - 89999
- Tipo de producto: Sprayers
Cargando...
Dibujos de ensamblaje
Buscar una piezas en los dibujos de ensamblaje:
-
Manual del operador
-
Instrucciones de instalación
-
Boletín de mantenimiento
-
Nº Modelo
41220 -
Nº Serie
80001 - 89999 -
Nombre del producto
Sprayer Tank/Skid Frame for Pro Control Spray System, Workman -
Marca del producto
Toro -
Tipo de producto
Sprayers -
Serie del producto
Sprayers and Accessories












