Groundsmaster® 4300 con anchura de corte de 2.3 m (7.5 pies)
Información sobre productos
- Nº Modelo: 30853
- Nº Serie: 316000501 - 316001000
- Tipo de producto: Riding Products
Cargando...
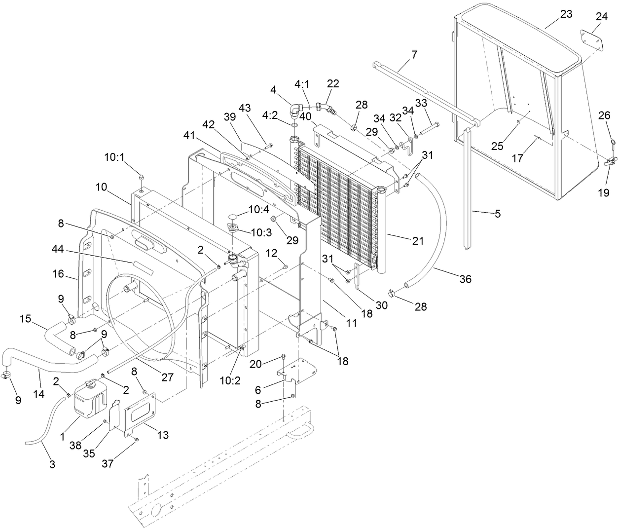
Dibujos de ensamblaje
Buscar una piezas en los dibujos de ensamblaje:
-
Manual de mantenimiento
-
Manual del operador
-
Catálogo de piezas
-
Declaración de Conformidad UE
-
Esquema eléctrico
-
Esquema Hidráulico
Air Ride Seat Suspension Kit (Número de pieza 03667)
For all-day operator comfort – Non-cab models only (Cab models are equipped with a cloth air-ride seat standard.)
Wheel Weight Kit (Número de pieza 104-1478)
Toro 55 Gallon Premium All-Season Hydraulic Fluid (Número de pieza 108-1177)
Toro 55 Gallon Premium All-Season Hydraulic Fluid. Designed for use in Toro equipment created by Toro engineers. If you are unsure of your equipment needs, do a model extreme serial number search to verify that this is the correct oil type for your equipment.
Toro 5 Gallon Premium All Season Hydraulic Fluid (Número de pieza 108-1178)
Toro 5 Gallon Premium All Season Hydraulic Fluid. Designed for use in Toro equipment created by Toro engineers. If you are unsure of your equipment needs, do a model extreme serial number search to verify that this is the correct oil type for your equipment.
Toro 14 oz. All-Purpose Grease (Número de pieza 108-1190)
Toro 14 oz. All-Purpose Grease. Designed for use in Toro equipment created by Toro engineers. If you are unsure of your equipment needs, do a model extreme serial number search to verify that this is the correct oil type for your equipment.
Air Cleaner Safety Element (Número de pieza 108-3813)
BLADE-COMBO, 22 INCH (Número de pieza 108-7395-03)
ROPS EXTENSION KIT (Número de pieza 110-8030)
Operator Fan Kit - US Sales Only, 3-Inch ROPS Post (Número de pieza 110-8804)
Weight Plate (Número de pieza 110-8985-03)
BLADE-HIGH LIFT, 22 INCH (Número de pieza 114-0434-03)
BLADE-ATOMIC, 22 INCH (Número de pieza 114-0435-03)
Roller Scraper Kit, 22in. Rotary Cutting Unit for Groundsmaster Traction (Número de pieza 117-0149)
MULCHING KIT (Número de pieza 117-0185)
BLADE-ANGLE SAIL, 22 INCH (Número de pieza 117-0209-03)
Hydraulic Hose Kit, Groundsmaster 4300-D Traction Unit (Número de pieza 117-0289)
Sectional Roller Assembly, 22in Rotary Cutting Unit for Groundsmaster (Número de pieza 117-0297)
Toro 5 Gallon Premium Synthetic Biodegradable Hydraulic Fluid (Número de pieza 119-2157)
Toro 5 Gallon Premium Synthetic Biodegradable Hydraulic Fluid. Designed for use in Toro equipment created by Toro engineers. If you are unsure of your equipment needs, do a model extreme serial Number search to verify that this is the correct oil type for your equipment.
Premium Synthetic Hydraulic Fluid (Número de pieza 119-2158)
SERVICE PACK - COMBO BLADE (Número de pieza 119-6957)
Large Seat Cover (Número de pieza 120-5179)
Adds style and comfort to your ride.
Toro 55 Gallon Premium Engine Oil 10W-30 (Número de pieza 121-6392)
Toro 55 Gallon Premium Engine Oil 10W-30. Designed for use in Toro equipment created by Toro engineers. If you are unsure of your equipment needs, do a model extreme serial number search to verify that this is the correct oil type for your equipment.
Toro 5 Gallon Premium Engine Oil 10W-30 (Número de pieza 121-6393)
Toro 5 Gallon Premium Engine Oil 10W-30. Designed for use in Toro equipment created by Toro engineers. If you are unsure of your equipment needs, do a model extreme serial number search to verify that this is the correct oil type for your equipment.
Canopy Completion Kit, Groundsmaster 4300-D or Reelmaster 5410/5510/56 (Número de pieza 130-5895)
400-hour Filter Maintenance Kit, Reelmaster 5610 Series Traction Unit (Número de pieza 30055)
Universal Sunshade, Groundsmaster and Reelmaster Traction Units (Número de pieza 30349)
22in. Contour Plus Deck (Número de pieza 30845)
22in Replacement deck.
Spark Arrestor (Número de pieza 98-9099)
Toro OEM spark arrestor prevents carbon build ups from being ejected from the engine and igniting a fire.
-
Nº Modelo
30853 -
Nº Serie
316000501 - 316001000 -
Nombre del producto
Groundsmaster® 4300 con anchura de corte de 2.3 m (7.5 pies) -
Marca del producto
Toro -
Tipo de producto
Riding Products -
Serie del producto
GM 400 Series




















































































