64" ProCore® 864 ターフエアレータ
製品情報
- モデル番号 09715
- シリアル番号 310000001 - 310999999
- 製品のタイプ: Aerators
読み込み中です...
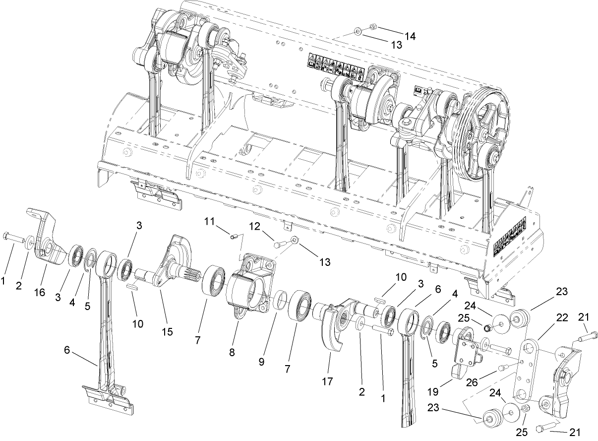
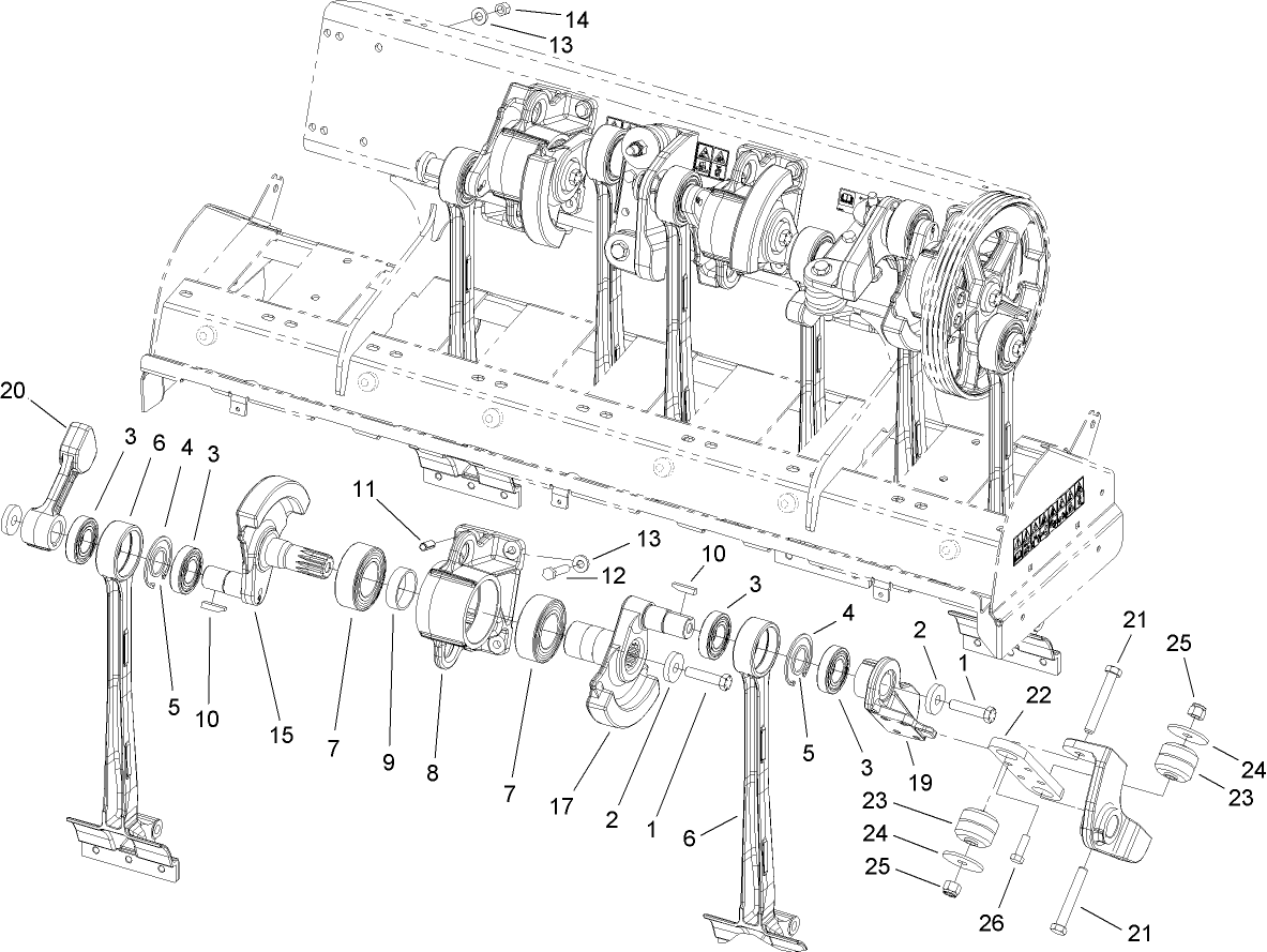
アセンブリ図
アセンブリ図の中でパーツを検索する:
-
サービスマニュアル
-
オペレーターズマニュアル
-
パーツカタログ
-
EU 規格適合証明書
-
サービスブリテン
Windrower Kit (パーツ番号 09220)
PREMIUM ALL SEASON GEAR LUBE PAIL (パーツ番号 108-1187)
PREMIUM ALL PURPOSE GREASE (パーツ番号 108-1190)
PREMIUM ALL SEASON GEAR LUBE QUART (パーツ番号 108-1590)
GUARD-TURF, 3-TINE, SHORT (パーツ番号 110-4357)
GUARD-TURF, 3-TINE (RH) (パーツ番号 110-4359)
GUARD-TURF, 3-TINE (LH) (パーツ番号 110-4360)
GUARD-TURF, 4-TINE, SHORT (パーツ番号 110-4361)
GUARD-TURF, 4-TINE (RH) (パーツ番号 110-4363)
GUARD-TURF, 4-TINE (LH) (パーツ番号 110-4364)
GUARD-TURF, MINI, SHORT (パーツ番号 110-4365)
GUARD-TURF, MINI (RH) (パーツ番号 110-4367)
GUARD-TURF, MINI (LH) (パーツ番号 110-4368)
SLEEVE TOOL ASM (パーツ番号 114-0590-01)
-
モデル番号
09715 -
シリアル番号
310000001 - 310999999 -
製品名
64" ProCore® 864 ターフエアレータ -
製品のブランド
Toro -
製品のタイプ
Aerators -
製品のシリーズ
ProCore Aerator Series


















