Sand Pro® 2040Z
Información sobre productos
- Nº Modelo: 08706
- Nº Serie: 404475001 - 406999999
- Tipo de producto: Riding Products
Cargando...
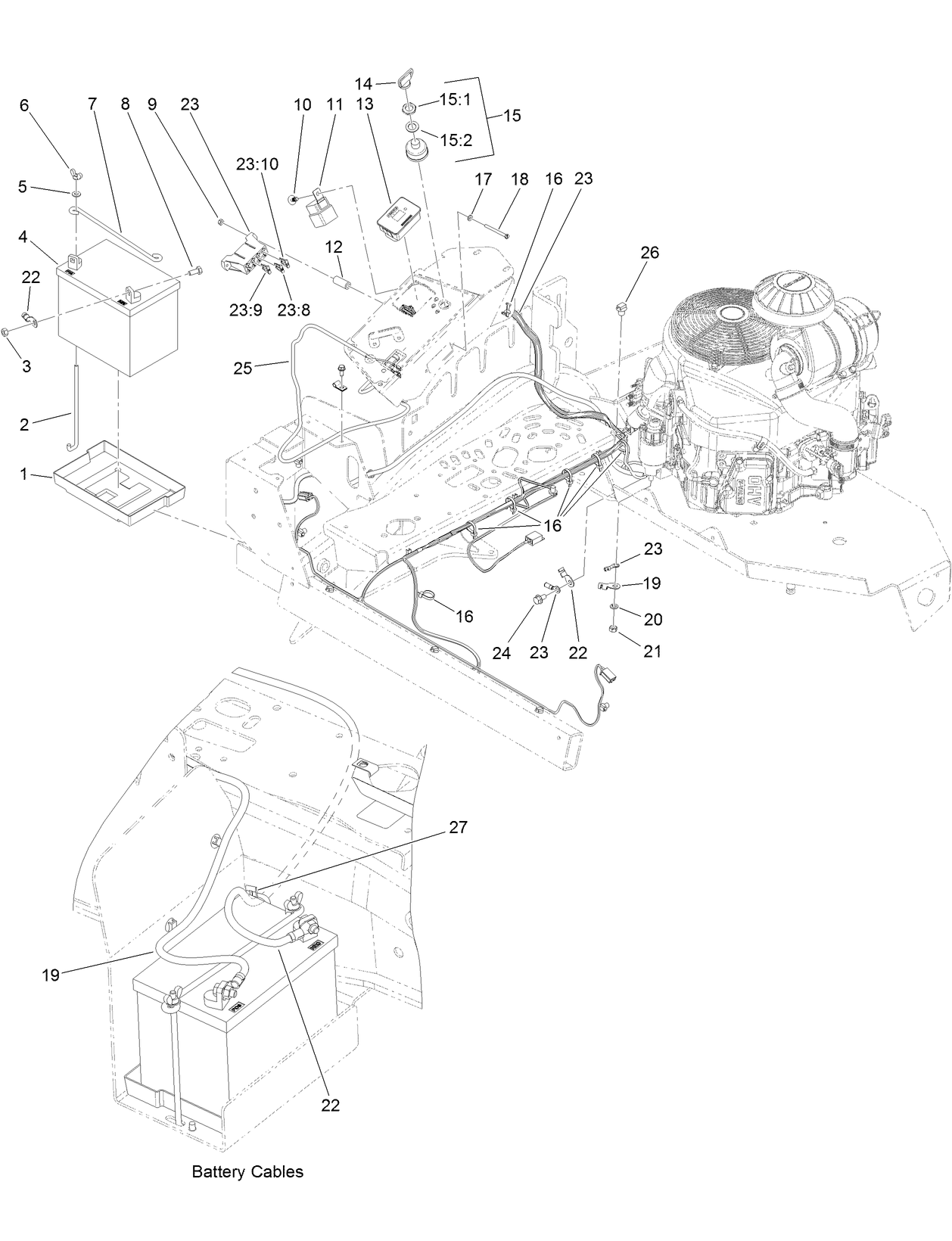
Dibujos de ensamblaje
Buscar una piezas en los dibujos de ensamblaje:
-
Manual de mantenimiento
-
Manual del operador
-
Catálogo de piezas
-
Declaración de Conformidad UE
-
Esquema eléctrico
-
Esquema Hidráulico
Tooth Rake (Número de pieza 08716)
Create a smooth surface and clear debris.
Nail Drag (Número de pieza 08717)
Create a smooth surface and clear debris with extra strength.
Finishing Drag Mat Kit (Número de pieza 08718)
Clear any bumps or imperfections and ensure a clean final look.
Finishing Brush Kit (Número de pieza 08719)
Clear any bumps or imperfections and ensure a clean final look.
Speed Limiter Kit (Número de pieza 08720)
Set a maximum speed to ensure safety.
Light Kit (Número de pieza 08721)
Increase visibility and safety.
400 HOUR MAINTENANCE KIT SP 2040Z (Número de pieza 08725)
Spark Arrestor (Número de pieza 104-6540)
Premium Trans/Hyd Tractor Fluid Drum (Número de pieza 108-1183)
Premium Trans/Hyd Tractor Fluid Pail (Número de pieza 108-1184)
Toro 14 oz. All-Purpose Grease (Número de pieza 108-1190)
Toro 14 oz. All-Purpose Grease. Designed for use in Toro equipment created by Toro engineers. If you are unsure of your equipment needs, do a model extreme serial number search to verify that this is the correct oil type for your equipment.
FILTER-AIR (Número de pieza 108-3811)
BIMINI FOLDING SHADE ASM (Número de pieza 115-4510)
Fuel Stabilizer, 4 oz. (Número de pieza 117-0089)
Fuel Stabilizer, 16 oz. (Número de pieza 117-0090)
Oil Filter (Número de pieza 119-5852)
Your Toro engine’s oil filter removes waste, captures harmful debris, dirt, and metal fragments in your motor oil to keep the engine running smoothly. Without the oil filter, harmful particles can get into your motor oil and damage the engine. Installing genuine Toro engine oil filters on a regular service intervals keeps your Toro equipment running at its best!
FILTER-FUEL (Número de pieza 121-4570)
Toro 5 Gallon Premium Engine Oil 10W-30 (Número de pieza 121-6393)
Toro 5 Gallon Premium Engine Oil 10W-30. Designed for use in Toro equipment created by Toro engineers. If you are unsure of your equipment needs, do a model extreme serial number search to verify that this is the correct oil type for your equipment.
TIRE ASM (Número de pieza 125-6462)
Seat Isolation Kit, Sand Pro 2040Z Traction Unit (Número de pieza 125-6469)
Bag Kit, Sand Pro 2040Z Traction Unit (Número de pieza 127-0359)
KIT-RUBBER TROWEL (Número de pieza 130-2629)
Rake Holder Kit, Sand Pro 2040Z Traction Unit (Número de pieza 130-7876)
Speed Plate Kit, Sand Pro 2040Z Traction Unit (Número de pieza 130-7877)
SPARK PLUG (Número de pieza 92-2153)
Toro Filter Gauge for Kohler Engines (Número de pieza 99-4664)
Toro genuine filter gauge. This Toro filter gauge shows when filters are nearing restriction limits, graduated indicators help you maximize filter life and effectively schedule service intervals. Toro would like to remind you that fitment can vary by sub model, serial number, and/or production date of your equipment. Please refer to the original owners manual in order to verify this is correct part for your machine.
-
Nº Modelo
08706 -
Nº Serie
404475001 - 406999999 -
Nombre del producto
Sand Pro® 2040Z -
Marca del producto
Toro -
Tipo de producto
Riding Products


















