Pulvérisateur de gazon Multi Pro® 1750
Informations produit
- Nº de modèle : 41188
- N° de série : 416581397 - 417343642
- Type de produit : Sprayers
Chargement...
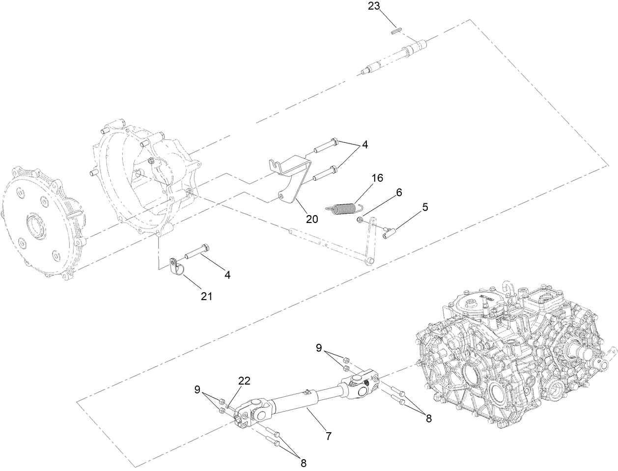
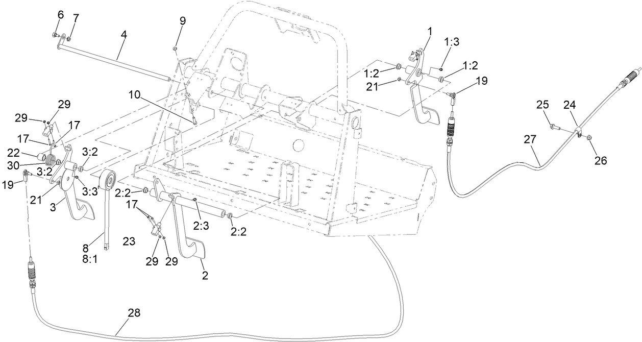
Schémas d’assemblage
Rechercher une pièce dans des schémas d'assemblage :
-
Manuel d'entretien
-
Manuel de l'utilisateur
-
Catalogue de pièces haute
-
Guide du logiciel
-
Schéma électrique
-
Schéma hydraulique
-
Déclaration de conformité UE / RU
PREMIUM ATF DRUM (N° de référence 108-1185)
PREMIUM ATF PAIL (N° de référence 108-1186)
PREMIUM ALL PURPOSE GREASE (N° de référence 108-1190)
License Plate Kit, Multi-Pro 5800 Turf Sprayer (N° de référence 120-8506)
Spring Upgrade Kit, Multi-Pro Turf Sprayer with Covered Boom Kit (N° de référence 120-8508)
PREMIUM ENGINE OIL 10W30 (55 GAL) (N° de référence 121-6392)
PREMIUM ENGINE OIL 10W30 (5 GAL) (N° de référence 121-6393)
LANCE ASM - SUCTION (N° de référence 127-9826)
MP1750 SONIC BOOM KIT (N° de référence 130-8227)
Finishing Kit, Foam Marker for Multi Pro 1750 Turf Sprayer (N° de référence 136-0457)
PUMP HEAD KIT (N° de référence 145-3399)
White Universal Sunshade, Groundsmaster or Reelmaster Traction Units o (N° de référence 30669)
Red Universal Sunshade, Groundsmaster or Reelmaster Traction Units or (N° de référence 30671)
Rear Work Light Kit, Multi Pro Turf Sprayer Vehicle (N° de référence 41010)
Single Nozzle Kit, Multi-Pro Turf Sprayer (N° de référence 41023)
Hand Spray Wand Kit, 2015 and After Multi Pro 1750 or Multi Pro WM Tur (N° de référence 41118)
EU Compliance Kit, 2015 and After Multi Pro 1750 Turf Sprayer (N° de référence 41155)
PRO FOAM CONCENTRATE 4 X 1 GAL (N° de référence 41157)
Chemical Pre-Mix Kit, 2015 and After Multi Pro 1750 Turf Sprayer (N° de référence 41158)
Electric Hose Reel Kit, 2015 and After Multi Pro 1750 Turf Sprayer (N° de référence 41159)
NOZZALERT - MP NOZZLE FLOW SYSTEM (N° de référence 41166)
CE Kit, Multi Pro 1750 Turf Sprayer (N° de référence 41202)
Tank Cleanse Rinse Kit, Multi Pro 1750 Turf Sprayer (N° de référence 41208)
Ultra Sonic Boom Leveling Kit, 2013 and After Multi-Pro 5800, 1750 and (N° de référence 41219)
Foam Marker Kit, Serial number 400000000 and After Multi Pro 1750, 580 (N° de référence 41249)
COVERED BOOM KIT (N° de référence 41602)
PRO-FOAM (N° de référence 41607)
TNL REFERENCE ANTENNA KIT, MR-2 (N° de référence 41635)
GEOLINK GLOBAL (N° de référence 41713)
GEOLINK FINISH KIT, MP 1750 (N° de référence 41742)
SCREEN - SPARK ARRESTOR (N° de référence 94-8157)
-
Nº de modèle
41188 -
N° de série
416581397 - 417343642 -
Nom du produit
Pulvérisateur de gazon Multi Pro® 1750 -
Marque du produit
Toro -
Type de produit
Sprayers
































































