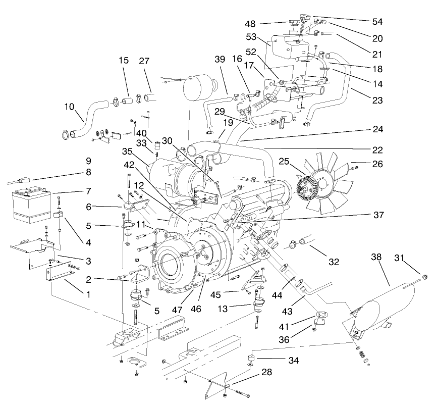
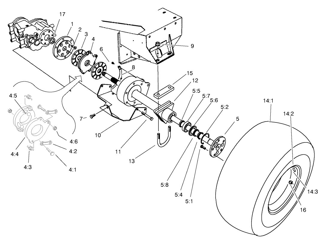
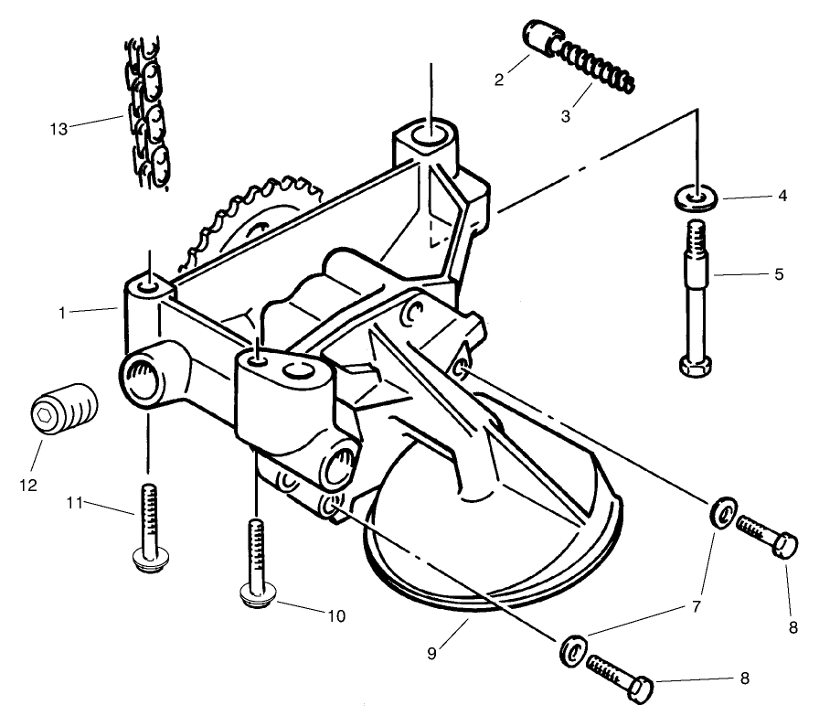
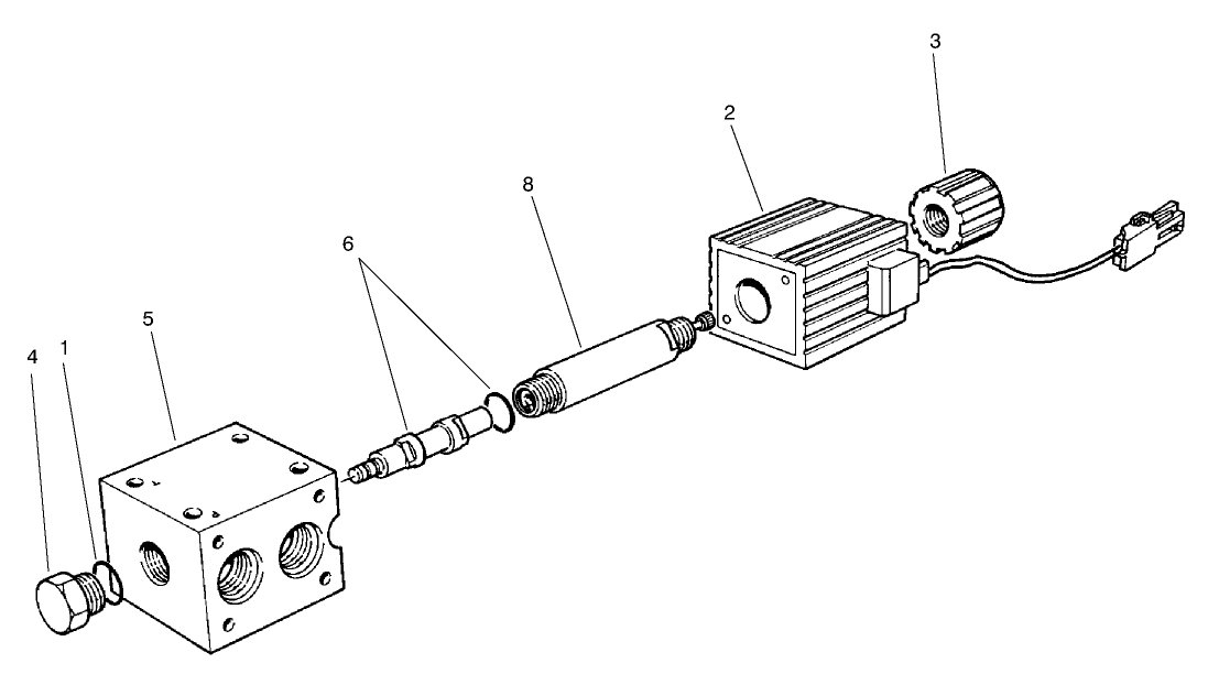
Groundsmaster 455-D 2-Wheel Drive
Información sobre productos
- Nº Modelo: 30450
- Nº Serie: 220000301 - 220999999
- Tipo de producto: Riding Products
Cargando...
Dibujos de ensamblaje
Buscar una piezas en los dibujos de ensamblaje:
-
Manual de mantenimiento
-
Manual del operador
-
Catálogo de piezas
-
Boletín de mantenimiento
126in Quadfloat Mower, Groundsmaster 455-D (Número de pieza 30402)
Road Light Kit, Groundsmaster 455-D (Número de pieza 30471)
Mulcher Kit, Groundsmaster 455-D (Número de pieza 30475)
Cruise Control Kit, Groundsmaster 455-D (Número de pieza 30485)
Spark Arrestor (Número de pieza 77-3990)
Weight Kit: Spacer (Número de pieza 84-1570)
Pulley Kit (Número de pieza 86-3100-03)
Weight Kit: Weight (Número de pieza 88-1220-03)
10in Foam Filled Wheel ASM (Incl. Ref. No. 1-6 and 9-10) (Número de pieza 93-5973)
8 Inch Foam Filled Pneumatic Caster Wheel Assembly (Número de pieza 93-5974)
Toro 8 Inch Foam Filled Pneumatic Caster Wheel Assembly. Pneumatic OEM replacement caster wheel features a smooth maneuvering pneumatic tire and metal wheel assembly with high-quality components. Pneumatic tires offer more shock absorption then solid ties which gives them a smoother ride. These tires are non-marking, foam filled and engineered for long service life.
-
Nº Modelo
30450 -
Nº Serie
220000301 - 220999999 -
Nombre del producto
Groundsmaster 455-D 2-Wheel Drive -
Marca del producto
Toro -
Tipo de producto
Riding Products -
Serie del producto
GM 400 Series














































































