Groundsmaster 455-D 2-Wheel Drive
Información sobre productos
- Nº Modelo: 30450
- Nº Serie: 30001 - 30134
- Tipo de producto: Riding Products
Cargando...
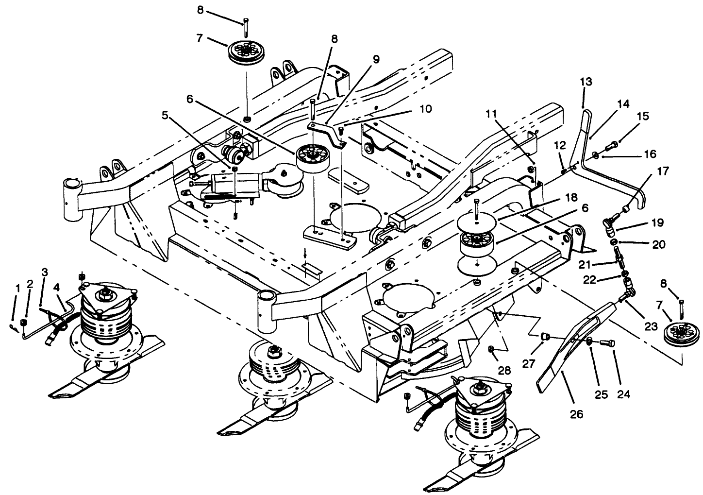
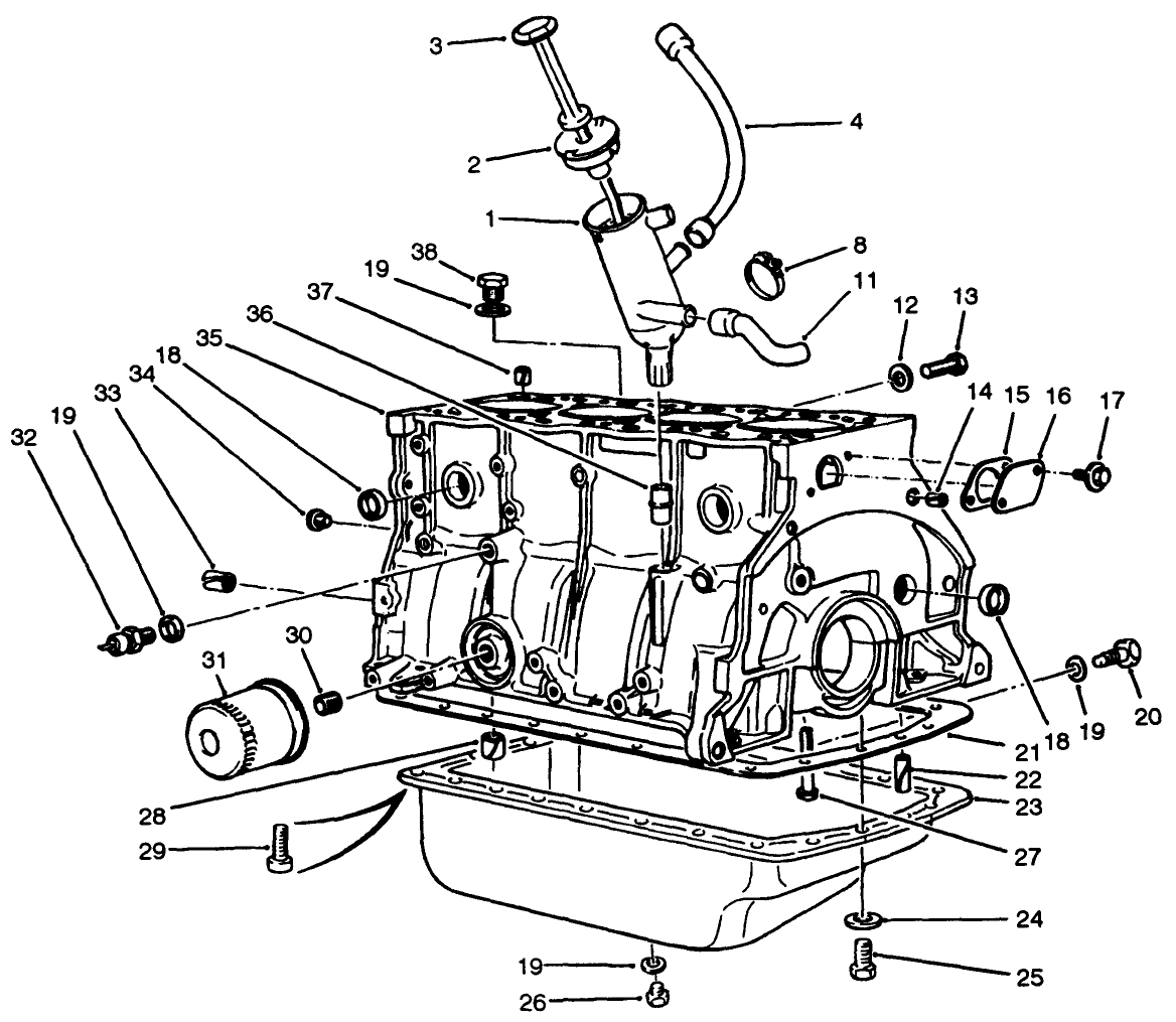
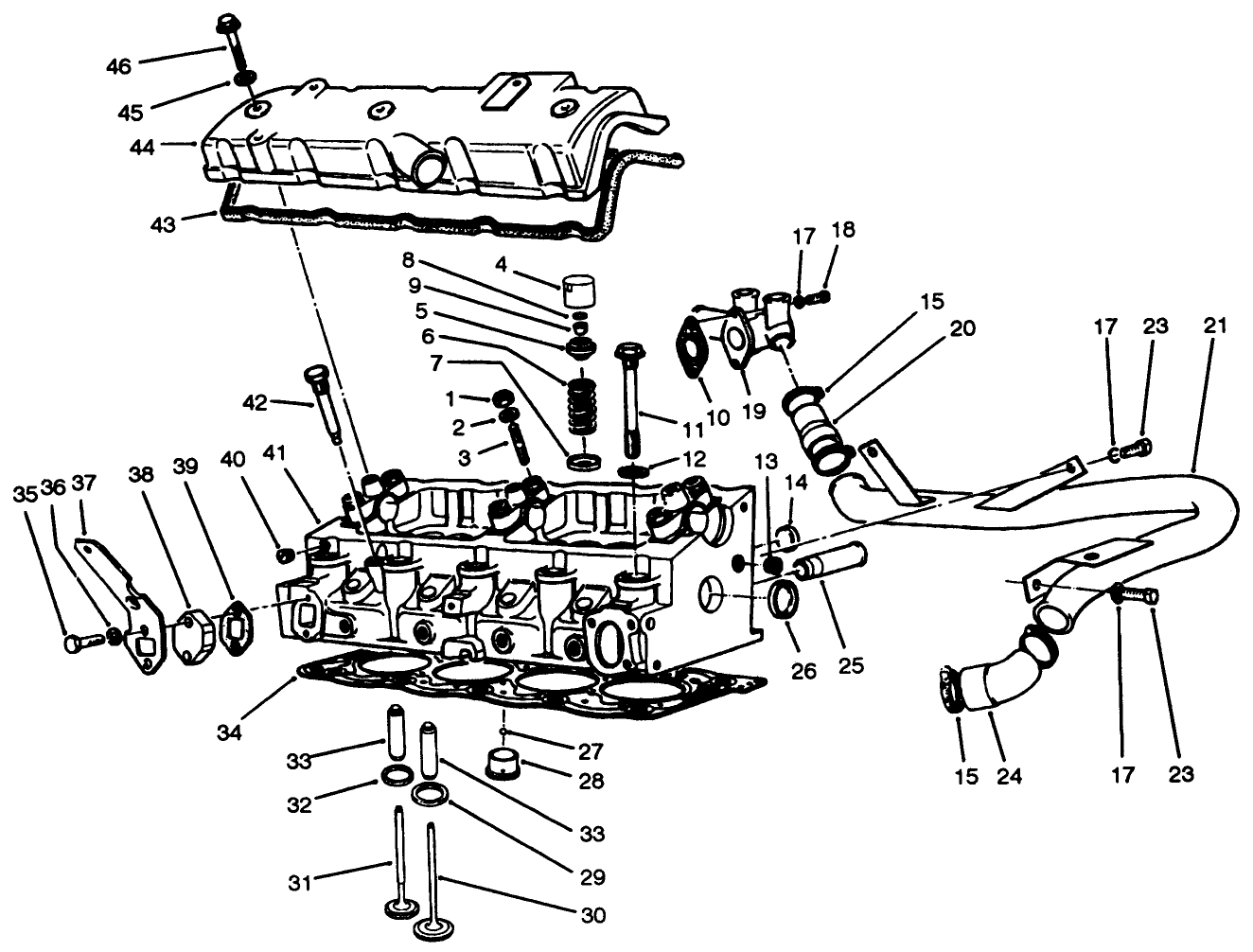
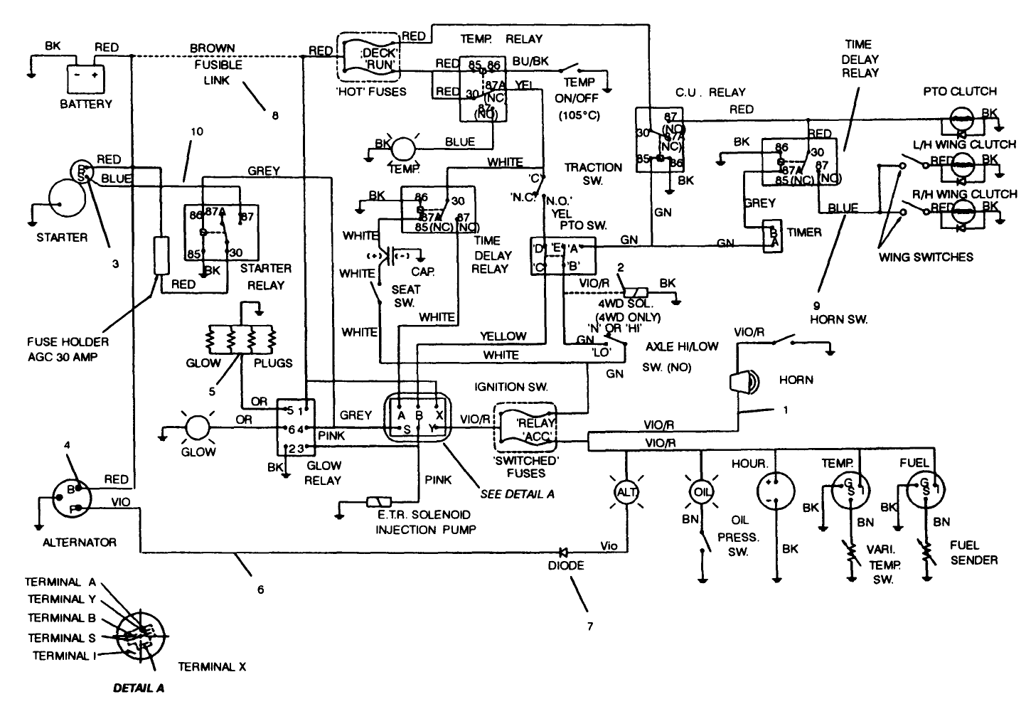
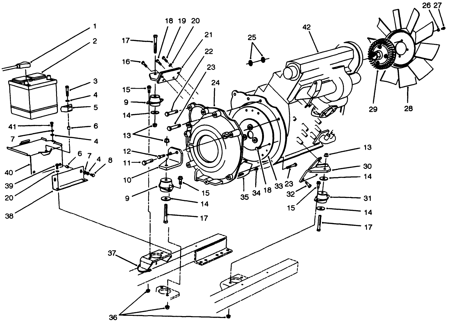
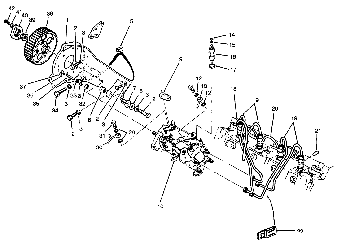
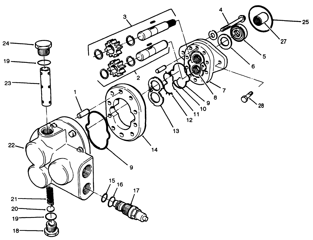
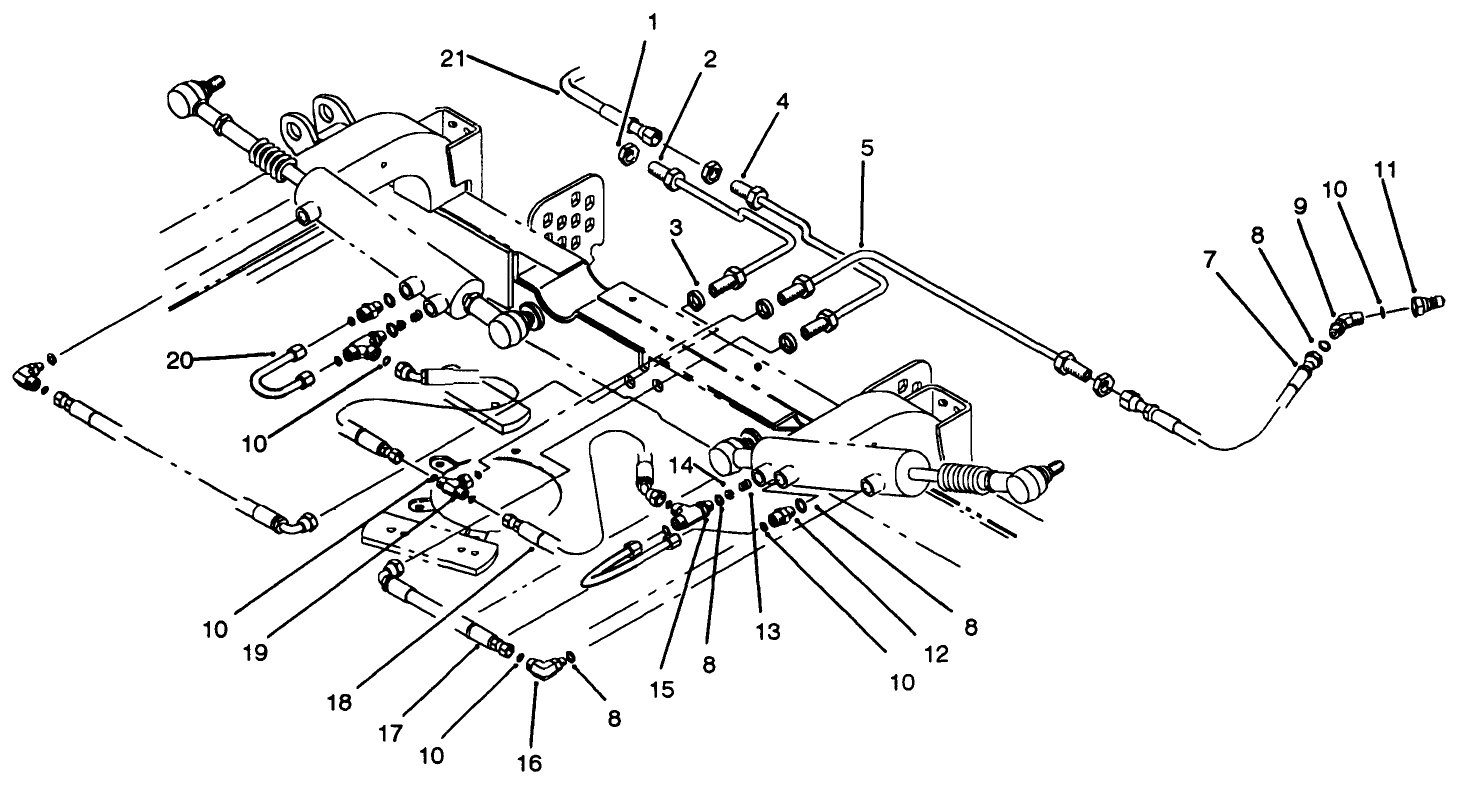
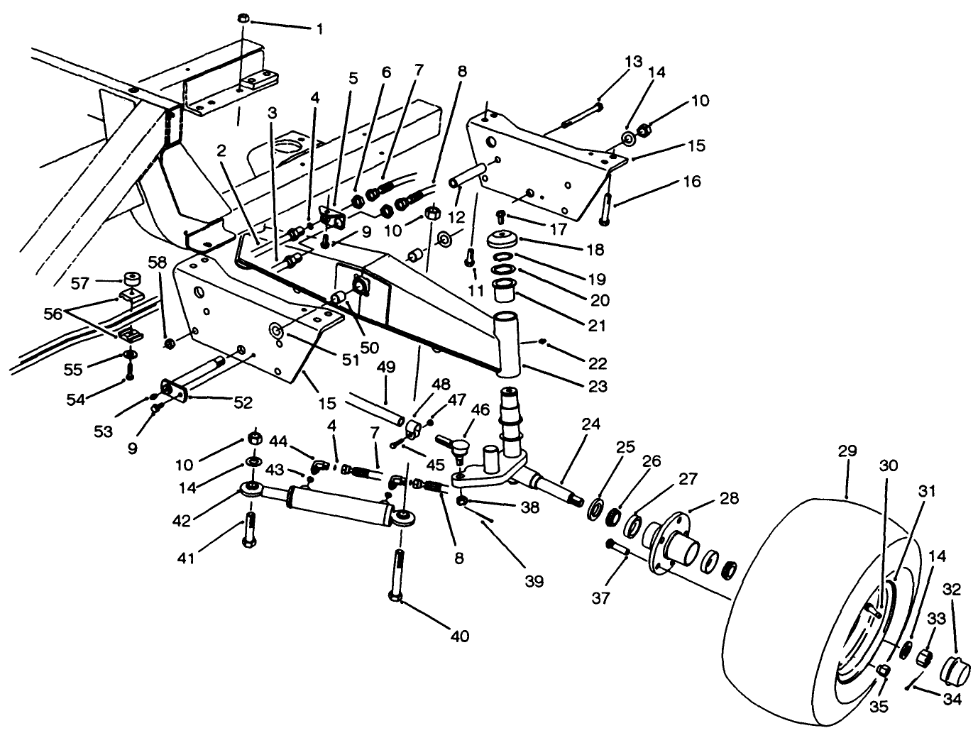
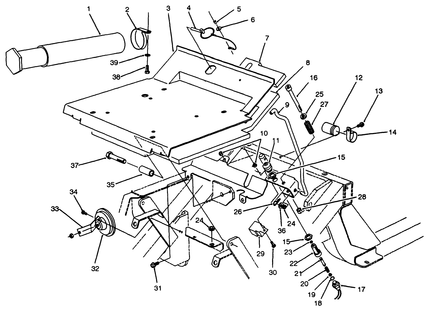
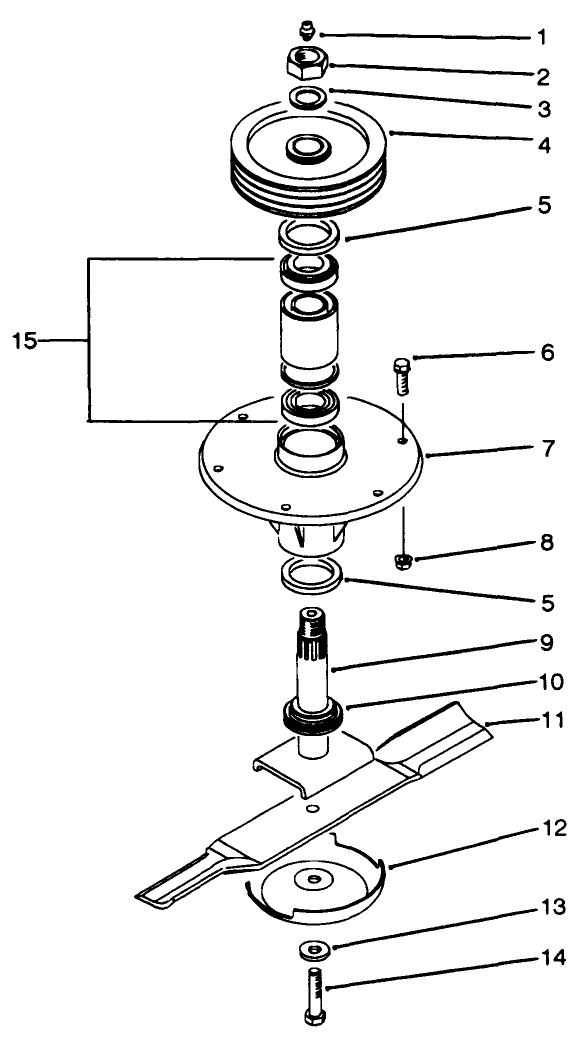
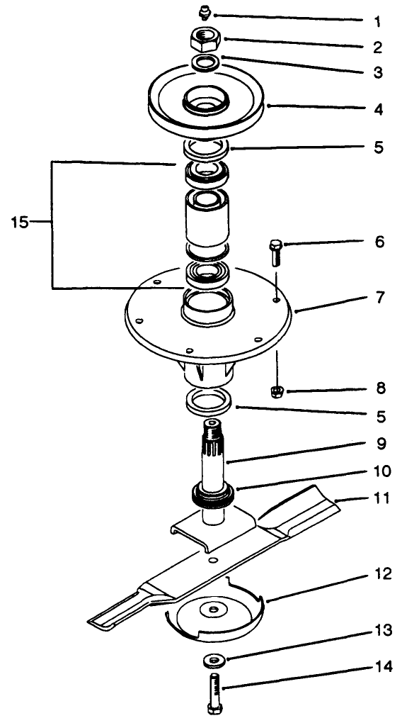
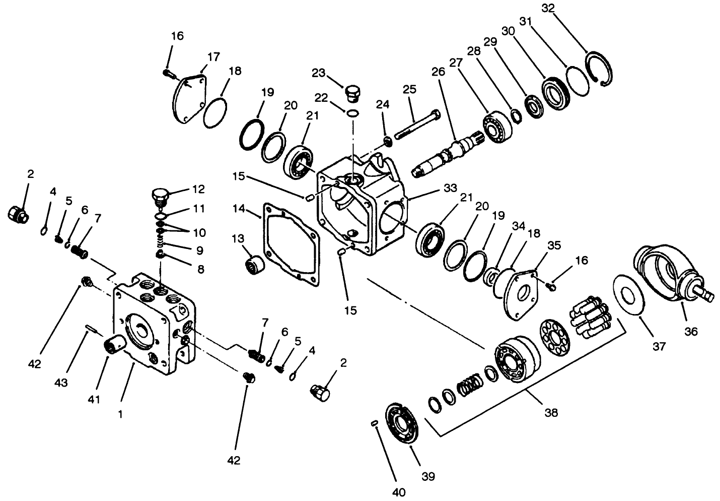
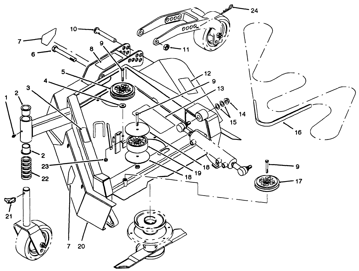
Dibujos de ensamblaje
Buscar una piezas en los dibujos de ensamblaje:
-
Manual de mantenimiento
-
Manual del operador
-
Catálogo de piezas
-
Boletín de mantenimiento
-
Nº Modelo
30450 -
Nº Serie
30001 - 30134 -
Nombre del producto
Groundsmaster 455-D 2-Wheel Drive -
Marca del producto
Toro -
Tipo de producto
Riding Products -
Serie del producto
GM 400 Series




































































