Groundsmaster® e3300
Información sobre productos
- Nº Modelo: 31802
- Nº Serie: 400000000 - 418199999
- Tipo de producto: Riding Products
Cargando...
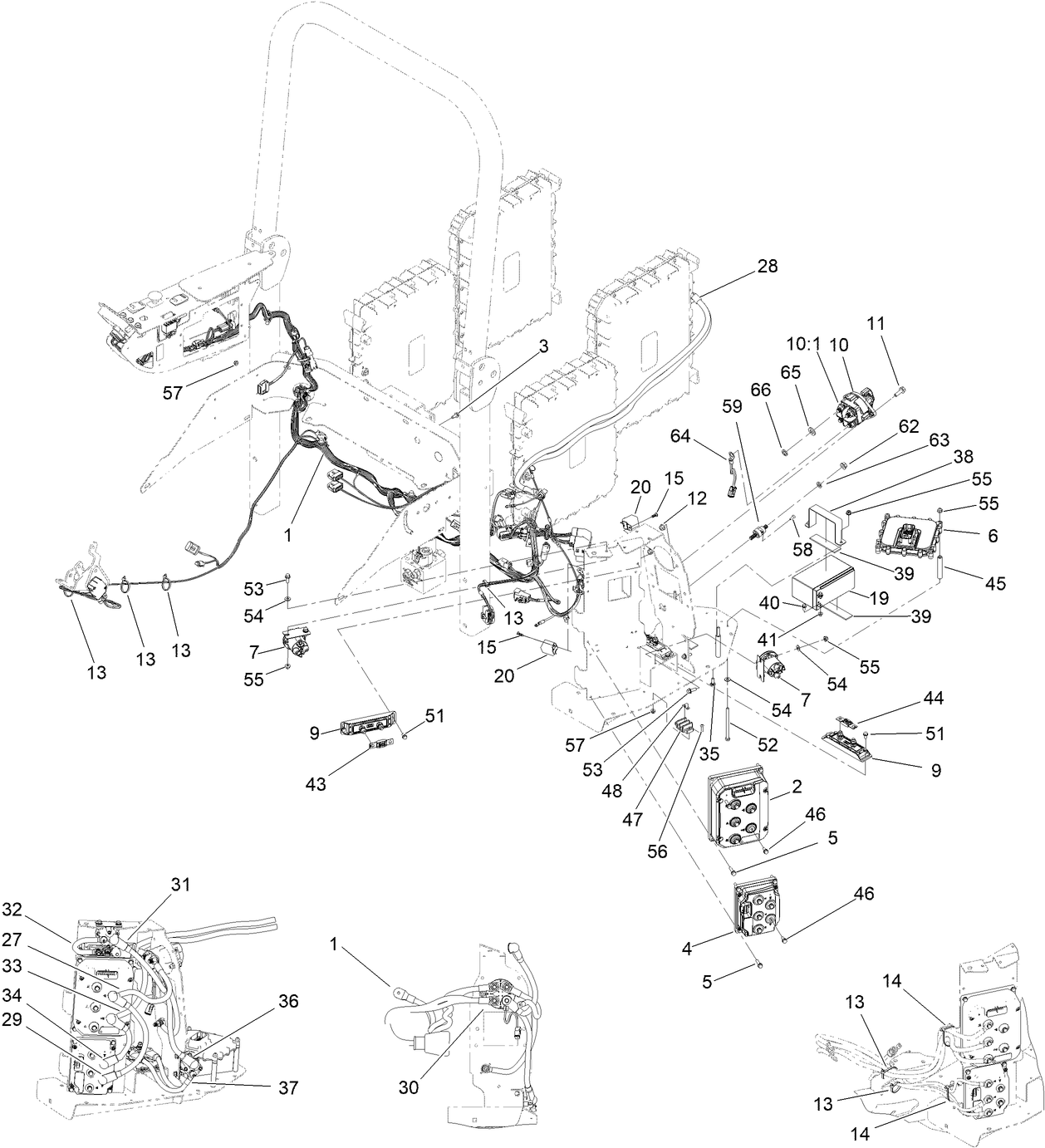
Dibujos de ensamblaje
Buscar una piezas en los dibujos de ensamblaje:
-
Manual del operador
-
Catálogo de piezas
-
Garantía del Producto
-
Esquema eléctrico
-
Esquema Hidráulico
-
Declaración de Conformidad para la UE / el Reino Unido
Premium Trans/Hyd Tractor Fluid Pail (Número de pieza 108-1184)
PAINT-BLACK BOTTLE (Número de pieza 112-0176)
PAINT-RED PEN (Número de pieza 112-0177)
PAINT-RED BOTTLE (Número de pieza 112-0178)
42-pound Weight, For Kit 114-4090 for Groundsmaster 7200 Series Tracti (Número de pieza 114-4096)
SEAT COVER W/ARM REST - Z MASTERS (Número de pieza 117-0095)
Premium Synthetic Bio-Degradable Hydraulic Fluid (5 Gal) (Número de pieza 119-2157)
PREMIUM SYNTHETIC BIO HYD FLUID (55 GAL) (Número de pieza 119-2158)
CABLE-ASSEMBLY, CHARGER (Número de pieza 122-3489)
CABLE-ASSEMBLY, CHARGER (Número de pieza 122-3490)
CABLE-ASSEMBLY, CHARGER (Número de pieza 122-3491)
PX HYD FLUID (5 GAL) (Número de pieza 133-8086)
PX HYD FLUID (55 GAL) (Número de pieza 133-8087)
WRENCH (Número de pieza 138-6367)
SMV-KIT (GM32XX/33XX) (Número de pieza 139-2339)
Work Lights Kit, Groundsmaster and Reelmaster Traction Units with Univ (Número de pieza 140-1554)
UNIVERSAL WIRELESS HOURMETER KIT (Número de pieza 144-2436)
BLADE-20.50 LOW FLOW (Número de pieza 145-1114)
BLADE-20.50 MED FLOW (Número de pieza 145-1115)
BLADE-20.50 RECYCLER (Número de pieza 145-1116)
BATTERY ASM (Número de pieza 145-5320)
BLADE-20.50 ATOMIC (Número de pieza 147-2082)
BLADE-24.50 LOW FLOW (Número de pieza 147-2135)
BLADE-24.50 MED FLOW [.204] (Número de pieza 147-2136)
BLADE-24.50 RECYCLER [.204] (Número de pieza 147-2137)
Energy Expansion Kit, Groundsmaster e3200 Traction Unit (Número de pieza 161-0859)
CHARGER KIT, NORTH AMERICAN JUMPER HARNESS (Número de pieza 161-5100)
CHARGER JUMPER HARNESS KIT, EUROPEAN (Número de pieza 161-5101)
KIT-BLADE, LOW FLOW (20.5) 3PK (Número de pieza 161-7645)
KIT-BLADE, MED FLOW (20.5) 3PK (Número de pieza 161-7646)
KIT-BLADE, RECYCLER (20.5) 3PK (Número de pieza 161-7647)
KIT-BLADE, ATOMIC (20.5) 3PK (Número de pieza 161-7648)
BLADE-24.50 ATOMIC [.204] (Número de pieza 161-7649)
BLADE KIT, LOW FLOW (24.5) 3PK (Número de pieza 161-7655)
BLADE KIT, MED FLOW (24.5) 3PK (Número de pieza 161-7656)
BLADE KIT, RECYCLER (24.5) 3PK (Número de pieza 161-7657)
BLADE KIT, ATOMIC (24.5) 3PK (Número de pieza 161-7658)
Universal Sunshade (White) (Número de pieza 30669)
Stay cool and productive when mowing with a canopy.
Universal Sunshade (Red) (Número de pieza 30671)
Stay cool and productive when mowing with a canopy.
EU ROAD LIGHT KIT (Número de pieza 31815)
NA ROAD LIGHT KIT (Número de pieza 31816)
BACK-UP ALARM KIT (Número de pieza 31817)
60" Side Discharge Deck (Número de pieza 31890)
60" Rear Discharge Deck (Número de pieza 31891)
72" Side discharge deck (Número de pieza 31892)
72" Rear discharge deck (Número de pieza 31893)
Standard Seat (Número de pieza 32301)
Suspension Seat (Número de pieza 32302)
Air Ride Suspension Seat Kit (Número de pieza 32303)
Recycler Kit (Número de pieza 32306)
LED Work Light Kit (Número de pieza 32307)
Road Light Kit - EU (Número de pieza 32308)
Road Light Kit - North America (Número de pieza 32309)
Back-Up Alarm (Número de pieza 32310)
Beacon Kit (Número de pieza 32313)
Switch Panel (Número de pieza 32314)
Energy Expansion Mounting Kit (Número de pieza 32317)
Recycler Kit (Número de pieza 32319)
RECYCLER KIT, 72IN RD ELECTRIC DECK (Número de pieza 32322)
Recycler Kit, 72in SD Electric Deck (Número de pieza 32323)
Red Spray Paint - Case of 6 (Número de pieza 361-10)
PAINT-SPRAY, TORO SEMI-GLOSS BLACK (Número de pieza 361-9)
FILTER-OIL (Número de pieza 86-3010)
-
Nº Modelo
31802 -
Nº Serie
400000000 - 418199999 -
Nombre del producto
Groundsmaster® e3300 -
Marca del producto
Toro -
Tipo de producto
Riding Products
























