Power Max Heavy Duty 928 OHXE Snowthrower
Información sobre productos
- Nº Modelo: 38801
- Nº Serie: 316000001 - 316999999
- Tipo de producto: Snowthrowers
Cargando...
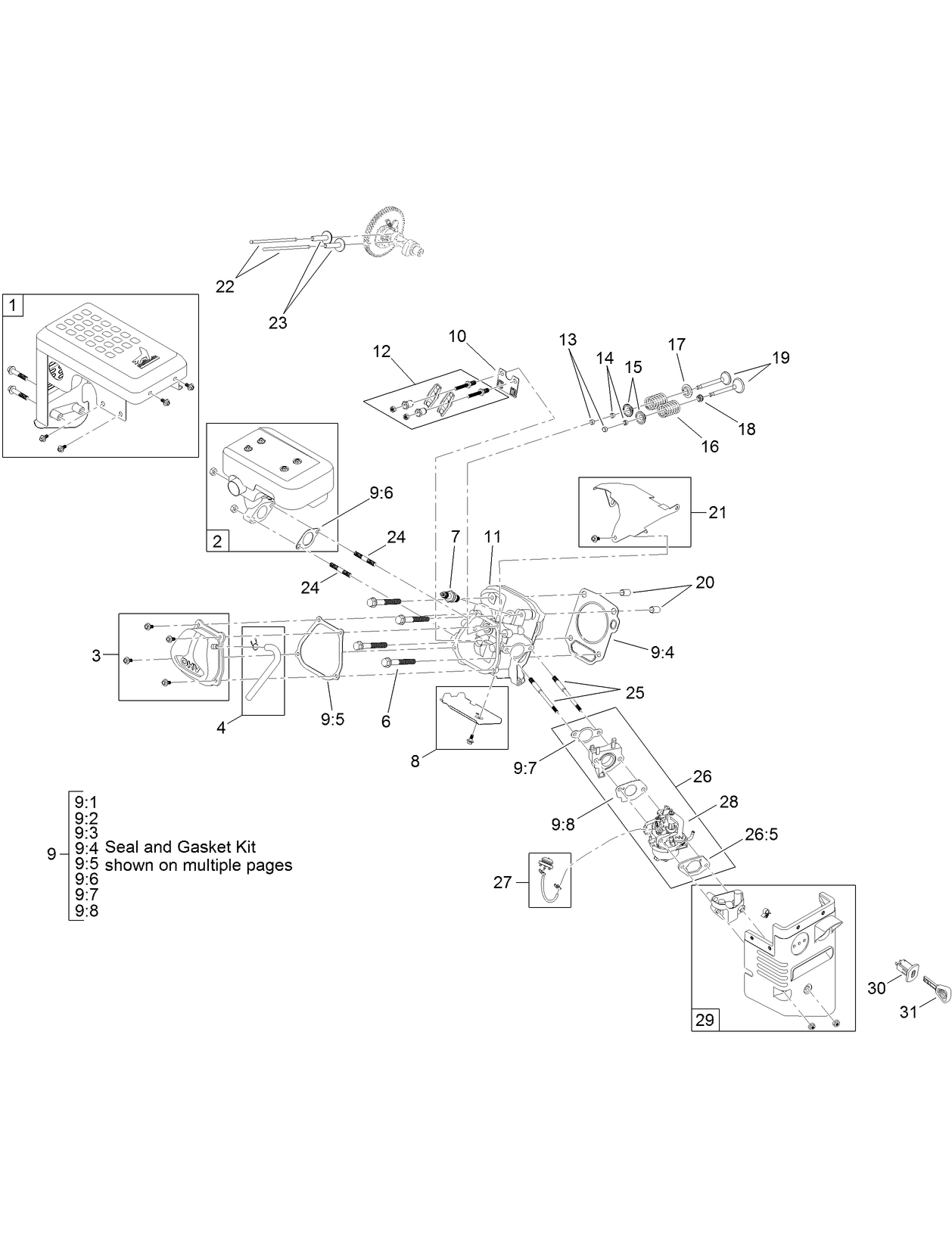
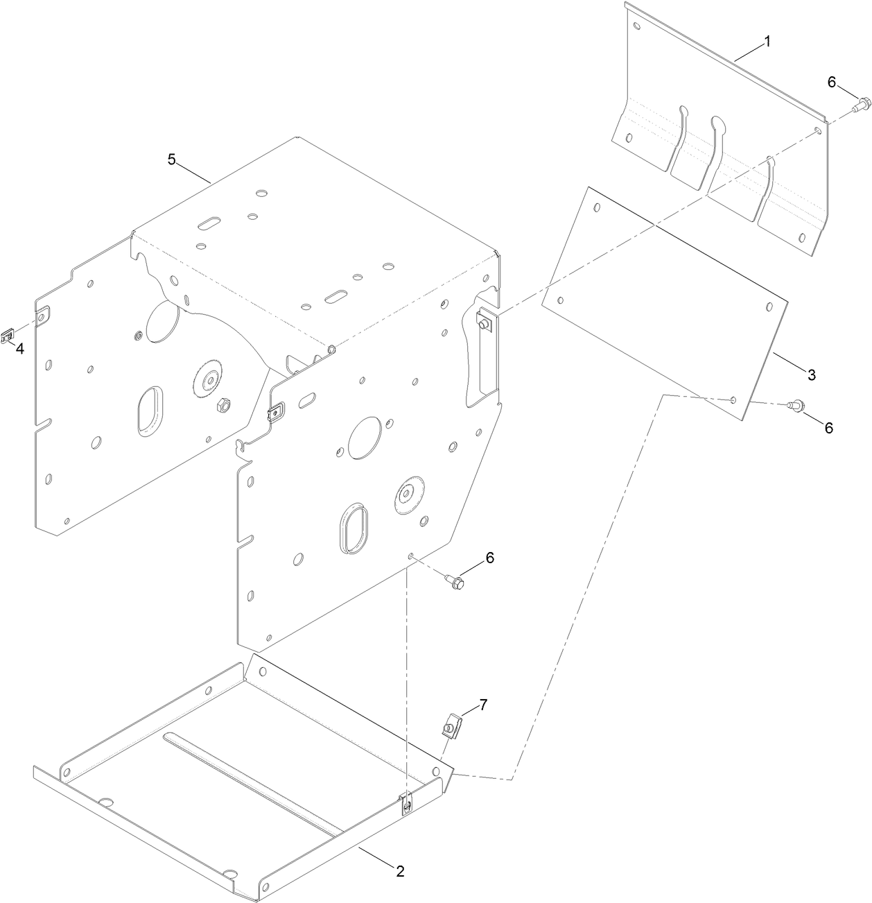
Dibujos de ensamblaje
Buscar una piezas en los dibujos de ensamblaje:
-
Manual de mantenimiento
-
Manual del operador
-
Catálogo de piezas
Weight Kit (Required with Snow Cab) (Pieza Nº 107-3815)
28" Drift Breaker (Pieza Nº 107-3817)
Snow Cab Kit, Power Max Snowthrowers (Pieza Nº 127-5960)
Heated Grip Kit (Pieza Nº 131-6460)
Engine Maintenance Kit (Pieza Nº 138-0704)
Non-Marking Skid Kit, Power Max Snowthrower (Pieza Nº 38211)
Tire Chain Kit, Snowthrowers with 16in (4.80-8) Tires (Pieza Nº 38215)
TORO SNOW OIL 0W30 SYNTHETIC-20 OZ BT (Pieza Nº 38913)
Toro 2-Stage Cover (Pieza Nº 490-7466)
Plain 2-Stage Cover (Pieza Nº 490-7467)
-
Nº Modelo
38801 -
Nº Serie
316000001 - 316999999 -
Nombre del producto
Power Max Heavy Duty 928 OHXE Snowthrower -
Marca del producto
Toro -
Tipo de producto
Snowthrowers -
Serie del producto
Snowthrower, PowerMax HD -
Tipo de chasis
Two Stage -
Anchura
28 inch -
Fabricante del motor
Toro -
Potencia del motor
265cc -
Tipo de motor
4 Cycle -
Sistema de arranque del motor
Electric/Recoil -
Tipo de transmisión
Friction Disc -
Sistema de tracción
2wd
-
Drive System: Gearbox Lubricant
4.5 oz. (133ml) SAE 90 GL5 or higher -
Engine: Spark Plug Gap
.030"/ .76mm -
Chassis: Tire Pressure
17-20 PSI / 116-137 kPa -
Engine: Engine Speed
3300±100 RPM -
Engine: Spark Plug
Champion RN9YC / NGK BPR6ES / NHPS F7RTC (OEM China) -
Engine: Engine Oil Type
30-32 oz. 5w-30 synthetic or 5w-30 below 40F (4c) or 10w-30 above 0F (-20c) -
Engine: Fuel Tank Capacity
3.6 Qt (3.40 L)
















