Groundsmaster 4500-D Rotary Mower
Informations produit
- Nº de modèle : 30881
- N° de série : 400000000 - 400991182
- Type de produit : Riding Products
Chargement...
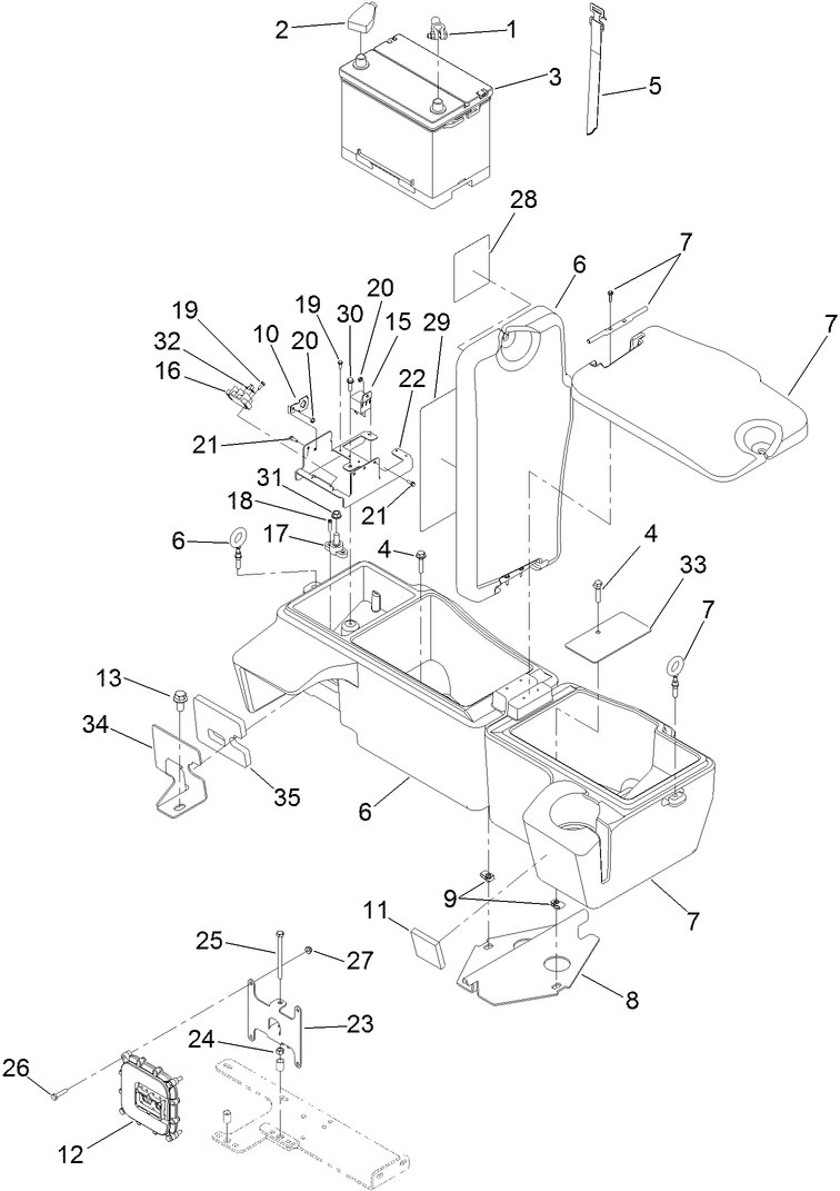
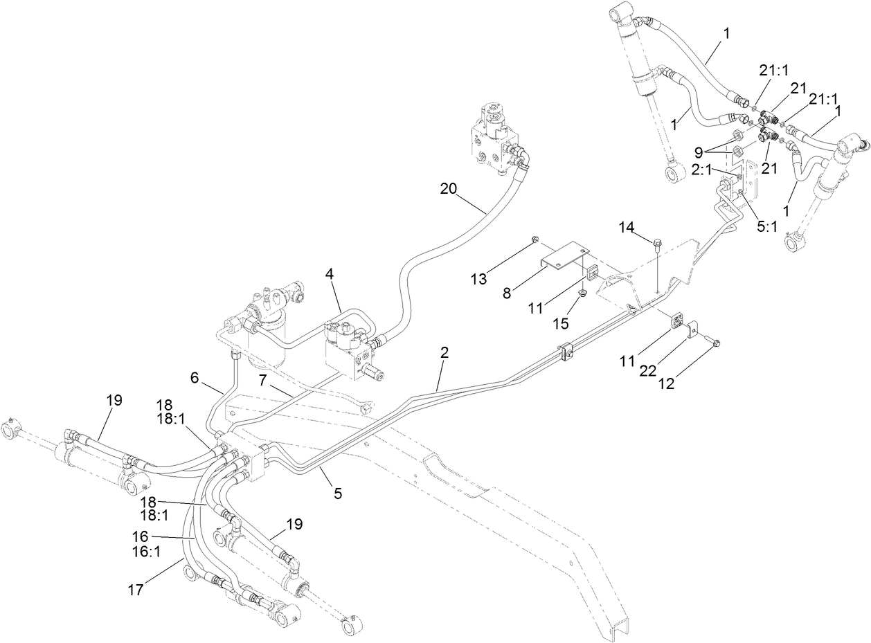
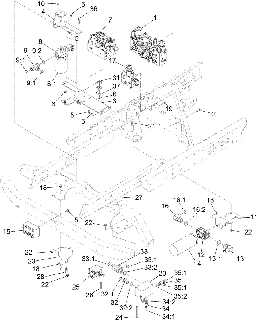
Schémas d’assemblage
Rechercher une pièce dans des schémas d'assemblage :
-
Manuel d'entretien
-
Manuel de l'utilisateur
-
Catalogue de pièces haute
-
Déclaration de conformité UE
-
Schéma électrique
-
Schéma hydraulique
-
Bulletin d'entretien
TUV KIT - GERMAN VEHICLE SERIAL PLATE (N° de référence 02983)
BLADE-HIGH LIFT (N° de référence 104-5183)
BLADE-ANGLE SAIL (N° de référence 105-9810-03)
BLADE-ATOMIC, 27 IN (N° de référence 107-0235-03)
PREMIUM ALL SEASON HYDRAULIC FLUID 55 GAL (N° de référence 108-1177)
PREMIUM ALL SEASON HYDRAULIC FLUID 5 GAL (N° de référence 108-1178)
PREMIUM ALL PURPOSE GREASE (N° de référence 108-1190)
BLADE SERVICE PACK, 27 IN (N° de référence 108-1463)
BLADE-COMBO (N° de référence 108-9026-03)
Operator Fan Kit - US Sales Only, 3-Inch ROPS Post (N° de référence 110-8804)
DECK COVER 4500/4700 (N° de référence 111-4525)
Sectional Roller Assembly, 27in Rotary Cutting Unit for Groundsmaster (N° de référence 117-5121)
Windscreen Kit, Groundsmaster 5900 Traction Unit (N° de référence 117-9440)
Extension Kit for 2-Post ROPS, Groundsmaster 4500/4700 Traction Unit (N° de référence 119-0020)
Premium Synthetic Bio-Degradable Hydraulic Fluid (5 Gal) (N° de référence 119-2157)
PREMIUM SYNTHETIC BIO HYD FLUID (55 GAL) (N° de référence 119-2158)
DECAL-SERVICE,GM45/4700 (N° de référence 127-6369)
Universal Sunshade, Groundsmaster and Reelmaster Traction Units (N° de référence 30349)
MVP FILTER KIT (N° de référence 30408)
CE Light Kit, Groundsmaster 4500/4700 Traction Unit (N° de référence 30491)
27in Rotary Cutting Unit, Groundsmaster 3500-D/4500-D/4700-D (N° de référence 30834)
Leaf Mulching Kit (N° de référence 30836)
Cab Kit, 2010 and After Groundsmaster 4500-D/4700-D Traction Unit (N° de référence 30860)
Flow Divider Kit, Groundsmaster 4500-D/4700-D Traction Unit with Yanma (N° de référence 30876)
License Plate Kit, Groundsmaster 4500-D, 4700-D or Reelmaster 7000-D T (N° de référence 31574)
ROPS Beacon Kit, Groundsmaster 4500-D, 4700-D or Reelmaster 7000-D Tra (N° de référence 31577)
TUV 20 KPH Speed Decal Kit, Groundsmaster 4500-D, 4700-D or Reelmaster (N° de référence 31578)
-
Nº de modèle
30881 -
N° de série
400000000 - 400991182 -
Nom du produit
Groundsmaster 4500-D Rotary Mower -
Marque du produit
Toro -
Type de produit
Riding Products


























































































