CCR 3000 Snowthrower
Productinformatie
- Modelnr.: 38435
- Serienr.: 7900001 - 7999999
- Producttype: Snowthrowers
Laden...
Montagetekeningen
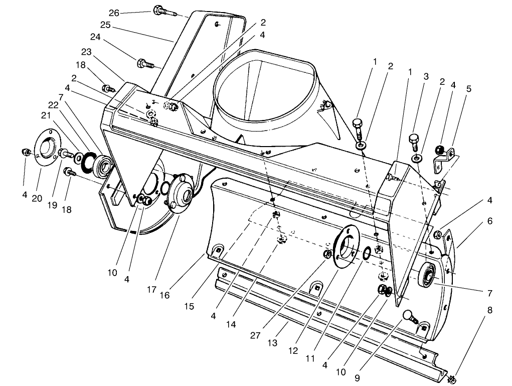
Zoek een onderdeel in de montagetekeningen:
-
Onderhoudshandleiding
-
Gebruikershandleiding
-
Onderdelencatalogus
Snow Shield (Onderdeelnr 88-0660)
-
Modelnr.
38435 -
Serienr.
7900001 - 7999999 -
Productnaam
CCR 3000 Snowthrower -
Productmerk
Toro -
Producttype
Snowthrowers -
Productserie
Snowthrower, Single Stage, CCR 2000/3000/3600 -
Chassistype
Single Stage -
Werkbreedte
20 inch -
Ontladen
Single Stage -
Motorfabrikant
Suzuki -
Motorinhoud
5 hp -
Motortype
2 Cycle -
Motorstarter
Electric -
Type transmissie
NA
-
Engine: Engine Oil Type
Toro 2 cycle / NMMA-TCW3 -
Engine: Engine Speed
3700±150 RPM -
Engine: Ignition Coil Air Gap
.015-.020" / .4-.5mm -
Engine: Mix Ratio
50:1 (2.6 oz./gal.) -
Engine: Spark Plug
NGK BPMR6A -
Engine: Spark Plug Gap
.032"/ .8mm













