Professional Z Master® Serie 2000 122 cm Benzinrasenmäher 74456TE
Produktinformationen
- Modellnr.: 74456TE
- Seriennr.: 412000000 - 414400999
- Produkttyp: Riding Products
Wird geladen…
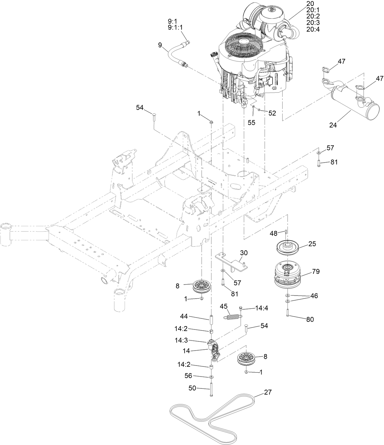
Montagezeichnungen
Ein Teil in Bauteilzeichnungen suchen:
-
Wartungsanleitung
-
Bedienungsanleitung
-
Ersatzteilkatalog
-
Produktgarantie
-
Inbetriebnahmeanweisung
-
EU/UK-Konformitätserklärung
KIT - ROAD LIGHTS Z-MASTER 2000 (Bestellnummer 02935)
HYPR-OIL 500 -QUART (Bestellnummer 114-4713)
HYPR-OIL 500-GALLON (Bestellnummer 114-4714)
HYPR-OIL 500-5 GALLON (Bestellnummer 114-4715)
KIT-HYDRO TORO, H-G (Bestellnummer 121-3783)
PORT-POWER, 12V (Bestellnummer 126-6499)
Sunshade Kit (Bestellnummer 126-8077)
COVER-HITCH (Bestellnummer 126-8299)
Trash Container Kit, TITAN HD Riding Mower (Bestellnummer 126-8379)
KIT-CASTER WEIGHT (Bestellnummer 126-8639)
Jack Kit, Zero-Turn-Radius Side-Discharge or Rear-Discharge Riding Mow (Bestellnummer 127-6666)
KIT-ENGINE MAINT KAWASAKI FX [TORO] (Bestellnummer 133-1307)
BLADE-ROTARY, 16.5IN (HI FLOW) (Bestellnummer 133-2137)
BLADE-ROTARY, ATOMIC 16.5 (Bestellnummer 133-2160)
BLADE-ROTARY, RECYCLING 16.5IN (Bestellnummer 133-2163)
BLADE (6 PACK) 16.5IN HI FLOW 48IN DE (Bestellnummer 133-2176)
BLADE (6 PACK) 16.5IN RECYCLE 48IN DE (Bestellnummer 133-2179)
BLADE (6 PACK) 16.5IN ATOMIC 48IN DEC (Bestellnummer 133-2182)
BUCKET-5 GALLON (Bestellnummer 133-2533)
RECYLER KIT - TITAN 48 RD (Bestellnummer 134-4277)
Single Side Mirror Kit (Bestellnummer 134-8275)
ROPS Pin Kit, TITAN HD Riding Mower (Bestellnummer 136-1683)
HD Shock and Spring Kit, TimeCutter HD Riding Mower (Bestellnummer 137-2042)
SPARK ARRESTOR, 1.25 I.D. (Bestellnummer 137-8098)
ASM-SEMI PNEUMATIC 13X6.50-6 (Bestellnummer 140-4896)
KIT-LIGHT (MID-MOUNT ZRT MOWER) (Bestellnummer 144-1992)
HARDTOP SUN CANOPY (Bestellnummer 144-3719)
HANDLE EXTENSION KIT (Bestellnummer 145-3615)
Bucket Mount Kit, Z Master Professional 2000 Series Riding Mower (Bestellnummer 145-3687)
Universal Mount Kit, Z Master Professional 2000 Series Riding Mower (Bestellnummer 145-3688)
Trimmer Mount Kit, Z Master Professional 2000 Series Riding Mower (Bestellnummer 145-3689)
KIT-TITAN HD TRIPLE THREAT ATTACHMENT (Bestellnummer 145-3691)
Toro Deluxe Z Cover (Bestellnummer 490-7319)
Slope (Bestellnummer 74456TE142-2802)
-
Modellnr.
74456TE -
Seriennr.
412000000 - 414400999 -
Produktname
Professional Z Master® Serie 2000 122 cm Benzinrasenmäher 74456TE -
Produktmarke
Toro -
Produkttyp
Riding Products -
Produktserie
Zero Radius Turn, Commercial 2000 Series -
Chassistyp
ZRT - LCE -
Arbeitsbreite
48 inch / 122 cm -
Auswurf
Rear Discharge -
Motor/Motorhersteller
Kawasaki -
Motor/Motorgröße
23.5 hp -
Motor/Motortyp
4 Cycle -
Anlasser
Electric -
Getriebetyp
Hydrostatic -
Getriebetyp
Rear WD
-
Engine: Battery
12V 300CCA -
Engine: Engine Speed
3600±100 RPM -
Engine: Spark Plug
NGK BPR4ES -
Engine: Spark Plug Gap
.030"/ .76mm -
Chassis: Height of Cut Range
1.5" - 5" (38-127mm) -
Chassis: Tire Pressure
13 psi / 90 kPa -
Engine: Ignition Coil Air Gap
.008-.016" / .2-.4mm -
Engine: Engine Oil Type
filter change 2.2 qts. (2.1 L); no filter 1.9 qts. (1.8 L) SAE 30 -
Drive System: Gearbox Lubricant
HYPR-OIL 500 / 20w-50 Synthetic Motor Oil





















