Greensmaster® TriFlex™ 3320
제품 정보
- 모델 번호: 04530
- 일련번호: 418700000 - 999999999
- 제품 유형: Riding Products
로드 중...
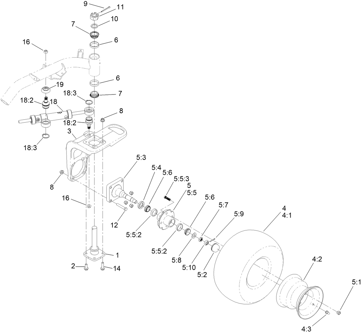
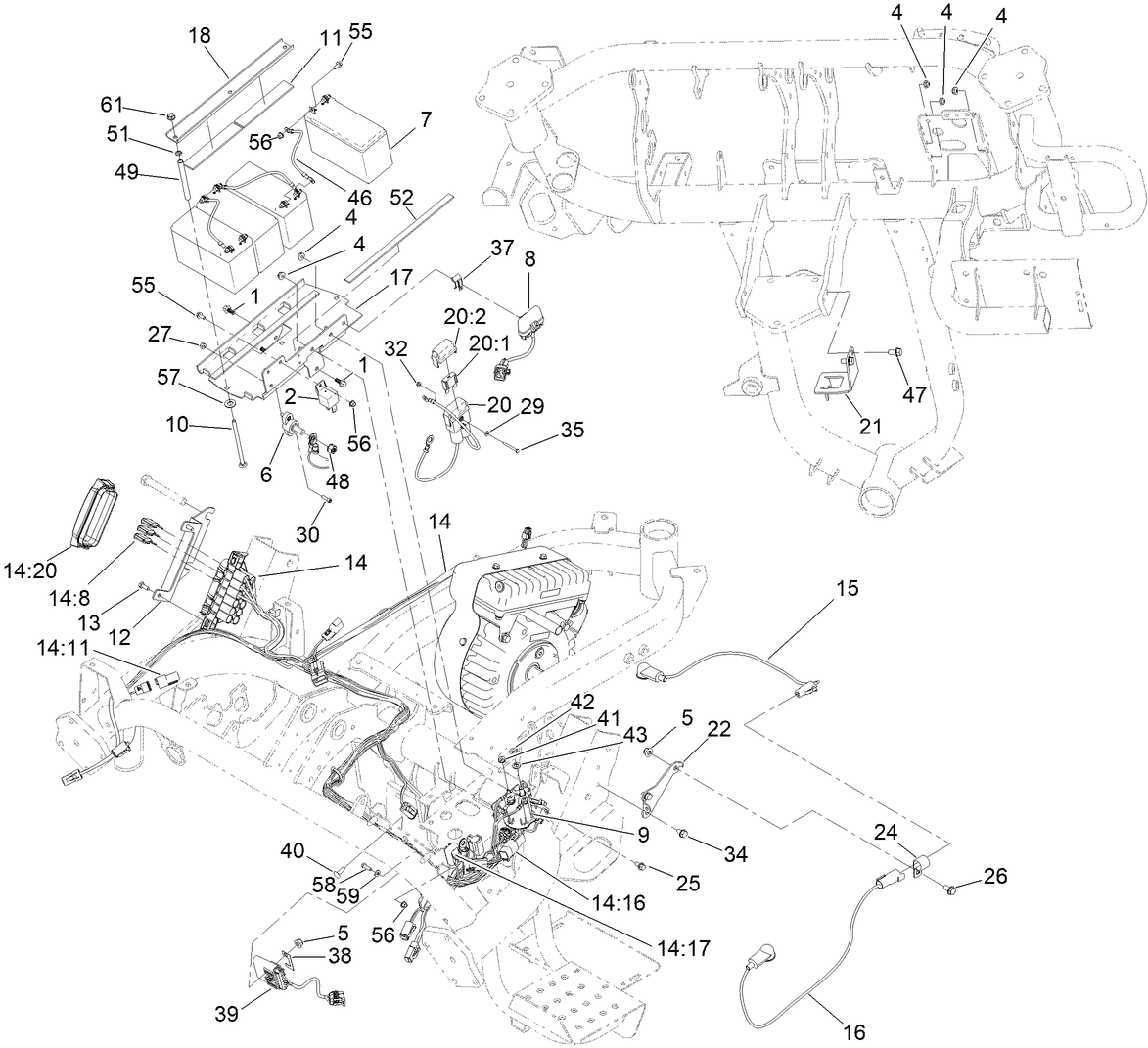
조립 도면
조립 도면 내의 부품 검색:
-
사용 설명서
-
부품 카탈로그
-
제품 보증
-
부록
-
도면 - 전기
-
도면 - 유압
-
EU/UK 적합성 선언서
Turf Evaluator (부품 번호 04399)
Standard Seat Kit (부품 번호 04508)
Comes standard on models 3300 & 3320
Light Kit, Greensmaster 3150/3250-D or Triflex Traction Unit (부품 번호 04554)
8-Blade Cutting Unit (부품 번호 04651)
Designed for mowing on higher heights of cut, such as approaches, fairways or tee boxes.
11-Blade Cutting Unit (부품 번호 04653)
Designed for mowing on lower heights of cut, such as greens.
14-Blade Cutting Unit (부품 번호 04655)
Designed for mowing extremely low heights of cut applications.
8-BLADE TRIFLEX FWY CUTTING UNIT (부품 번호 04657)
11 BLADE TRIFLEX FWY CUTTING UNIT (부품 번호 04658)
Three-Wheel Drive Kit, Greensmaster 3300/3400 Series TriFlex Traction (부품 번호 04714)
Off-Greens Kit (Anti-Bobbing) (부품 번호 04716)
Patent-pending design with unprecedented results to
reduce bobbing and reduce bobbing marks.
Dethatching Unit, Greensmaster 3300/3400 Series TriFlex Traction Unit (부품 번호 04720)
Tri-Roller, Greensmaster 3300/3400 Series TriFlex Traction Unit (부품 번호 04722)
Spiker, Greensmaster 3300/3400 Series TriFlex Traction Unit (부품 번호 04723)
PREMIUM SEAT (부품 번호 04729)
Hydraulic Oil Leak Detector Kit, Greensmaster 3300/3400 Series TriFlex (부품 번호 04730)
SCREEN- SPARK ARRESTOR (부품 번호 104-6540)
PAINT-BLACK BOTTLE (부품 번호 112-0176)
PAINT-RED BOTTLE (부품 번호 112-0178)
Hourmeter, Wireless Hourmeter System (부품 번호 115-4754)
Premium Synthetic Bio-Degradable Hydraulic Fluid (5 Gal) (부품 번호 119-2157)
PREMIUM SYNTHETIC BIO HYD FLUID (55 GAL) (부품 번호 119-2158)
PREMIUM ARMREST KIT (부품 번호 119-7105)
Weight Kit, Greensmaster 3300/3400 Series Traction Unit (부품 번호 119-7129)
Three-Wheel Drive Weight Kit, Greensmaster 3300/3400 Series Traction U (부품 번호 120-5750)
ARMREST KIT (부품 번호 121-3660)
PREMIUM ENGINE OIL 10W30 (55 GAL) (부품 번호 121-6392)
PREMIUM ENGINE OIL 10W30 (5 GAL) (부품 번호 121-6393)
COVER SEAT,HI-BACK [TORO] (부품 번호 133-1308)
PX HYD FLUID (5 GAL) (부품 번호 133-8086)
PX HYD FLUID (55 GAL) (부품 번호 133-8087)
KIT-BAG (부품 번호 137-8130)
BIMINI SHADE KIT (부품 번호 138-8579)
KIT-TRIFLEX HYDRAULIC HOSE REBUILD, M (부품 번호 140-5233)
TIRE (부품 번호 144-3665)
Red Spray Paint - Case of 6 (부품 번호 361-10)
PAINT-SPRAY, TORO SEMI-GLOSS BLACK (부품 번호 361-9)
MVP Filter Kit (부품 번호 44969)
Height-of-Cut Bar ASM (부품 번호 94-9010)
-
모델 번호
04530 -
일련번호
418700000 - 999999999 -
제품명
Greensmaster® TriFlex™ 3320 -
제품 브랜드
Toro -
제품 유형
Riding Products



















































