Greensmaster® 3250-D
Produktinformationen
- Modellnr.: 04384
- Seriennr.: 312000001 - 312000200
- Produkttyp: Riding Products
Wird geladen…
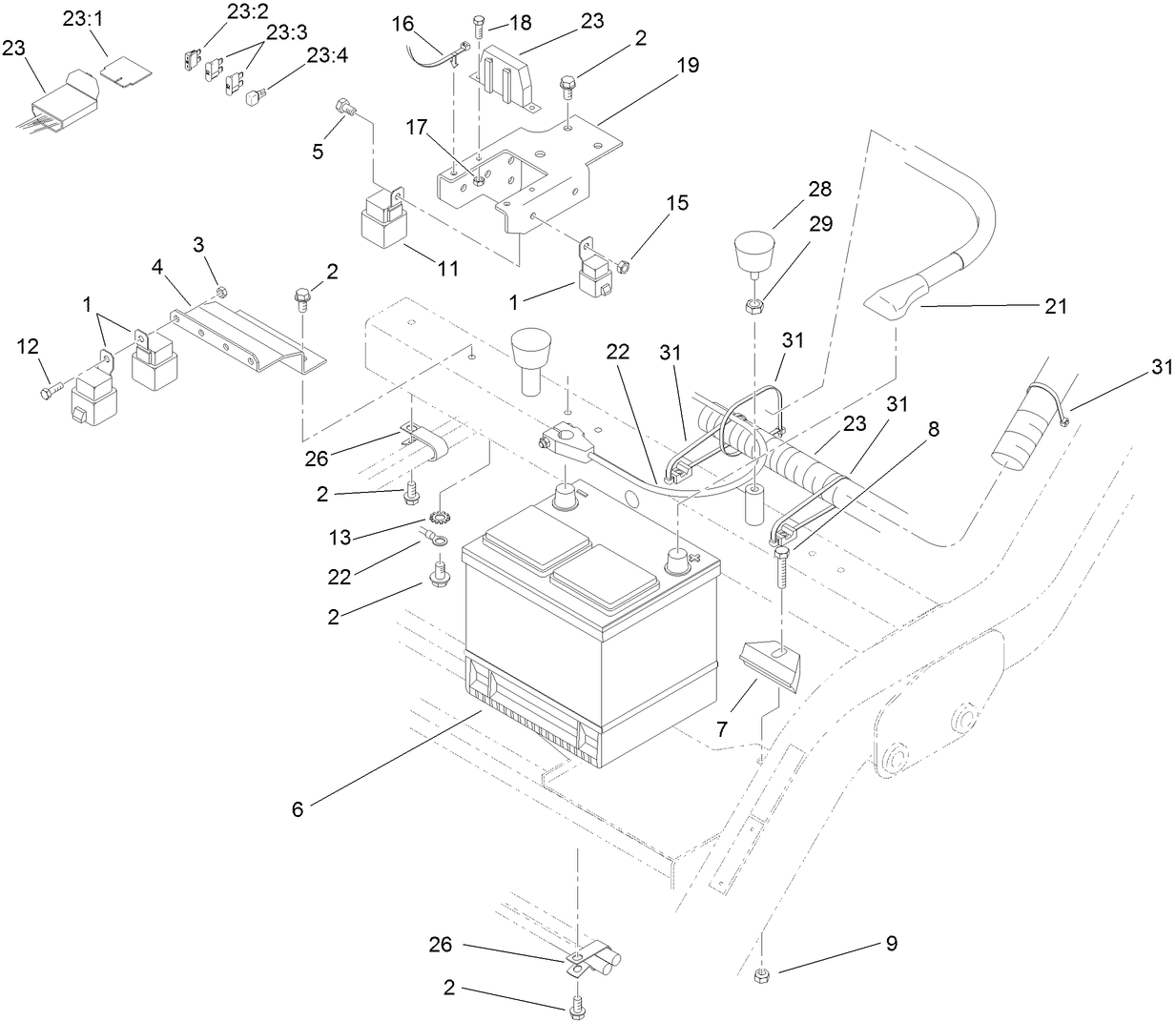
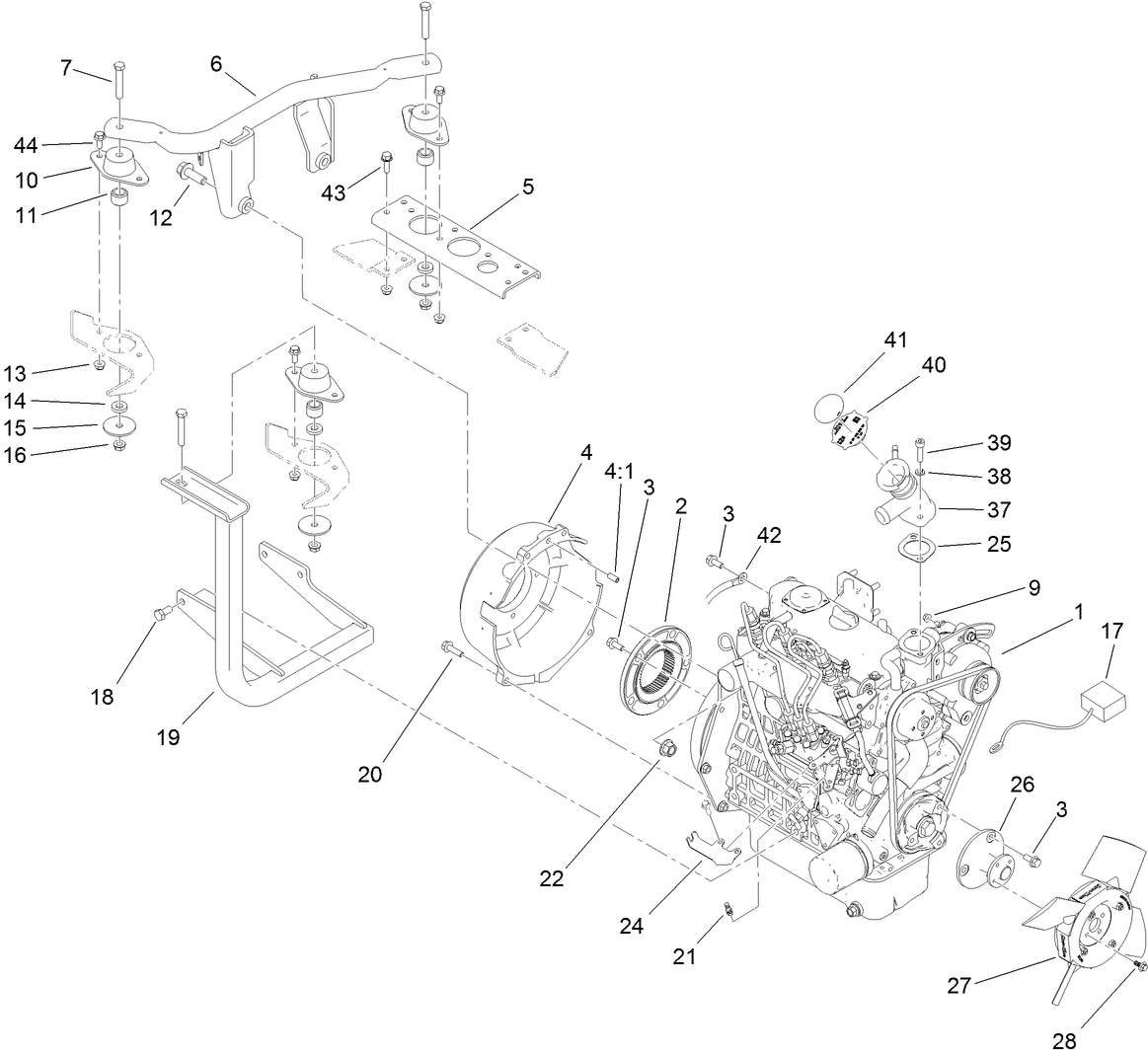
Montagezeichnungen
Ein Teil in Bauteilzeichnungen suchen:
-
Wartungsanleitung
-
Bedienungsanleitung
-
Ersatzteilkatalog
-
EU-Konformitätserklärung
-
Service-Information
Turf Evaluator (Bestellnummer 04399)
Three-Wheel Drive Kit without ROPS, Groundsmaster 3250-D Traction Unit (Bestellnummer 04477)
GR3XXX SPIKER KIT (Bestellnummer 04494)
GR3XXX TRI-ROLLER KIT (Bestellnummer 04495)
Dethatching Reel, Greensmaster 3000 Series (Bestellnummer 04496)
Leak Detector Kit, Greensmaster 3200 Series (Bestellnummer 04497)
Light Kit, Greensmaster 3200 Series (Bestellnummer 04551)
8-Blade DPA Reel Mower, Greensmaster 3000 Series (Bestellnummer 04610)
11-Blade DPA Reel Mower, Greensmaster 3000 Series (Bestellnummer 04611)
14 BLADE CUTTING UNIT DPA (Bestellnummer 04616)
Hose Adapter Kit, Greensmaster 3250 (Bestellnummer 100-6430)
Weight Kit, Greensmaster and Sand Pro/Infield Pro Traction Unit (Bestellnummer 100-6442)
SCREEN- SPARK ARRESTOR (Bestellnummer 104-6540)
Oil Cooler Kit, Greensmaster 3250-D (Bestellnummer 104-7701)
Radiator Screen Kit, Greensmaster 3200/3250-D (Bestellnummer 105-9766)
PREMIUM ALL SEASON HYDRAULIC FLUID 55 GAL (Bestellnummer 108-1177)
PREMIUM ALL SEASON HYDRAULIC FLUID 5 GAL (Bestellnummer 108-1178)
PREMIUM ENGINE OIL 10W30 DRUM (Bestellnummer 108-1179)
PREMIUM ENGINE OIL 10W30 PAIL (Bestellnummer 108-1180)
PAINT-BLACK BOTTLE (Bestellnummer 112-0176)
PAINT-RED BOTTLE (Bestellnummer 112-0178)
Hydraulic Hose Kit, Cutting Units for Greensmaster 3250-D Traction Uni (Bestellnummer 117-2721)
Premium Synthetic Bio-Degradable Hydraulic Fluid (5 Gal) (Bestellnummer 119-2157)
PREMIUM SYNTHETIC BIO HYD FLUID (55 GAL) (Bestellnummer 119-2158)
MVP Filter Kit, Model 04384 Greensmaster 3250-D Traction Unit (Bestellnummer 30086)
Arm Rest Kit (Bestellnummer 30707)
Red Spray Paint - Case of 6 (Bestellnummer 361-10)
PAINT-SPRAY, TORO SEMI-GLOSS BLACK (Bestellnummer 361-9)
Weight Kit, Greensmaster 3000 3WD Series Traction Unit (Bestellnummer 99-1645)
TIRE-MATE, TURF (Bestellnummer 99-4506)
-
Modellnr.
04384 -
Seriennr.
312000001 - 312000200 -
Produktname
Greensmaster® 3250-D -
Produktmarke
Toro -
Produkttyp
Riding Products -
Produktserie
GR 3000 Series



























































