Groundsmaster® 3505-D
Produktinformationen
- Modellnr.: 30849
- Seriennr.: 409000000 - 409999999
- Produkttyp: Riding Products
Wird geladen…
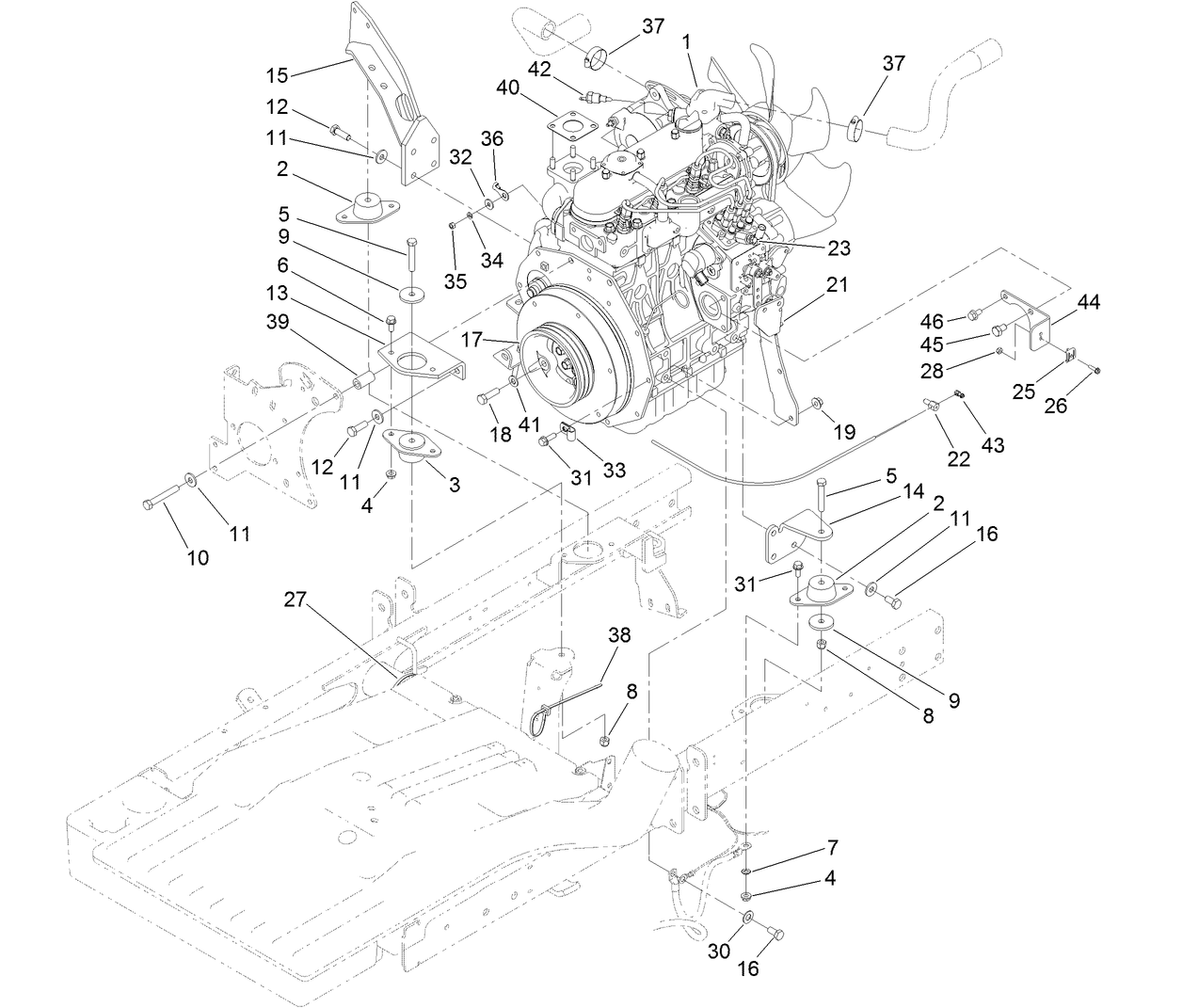
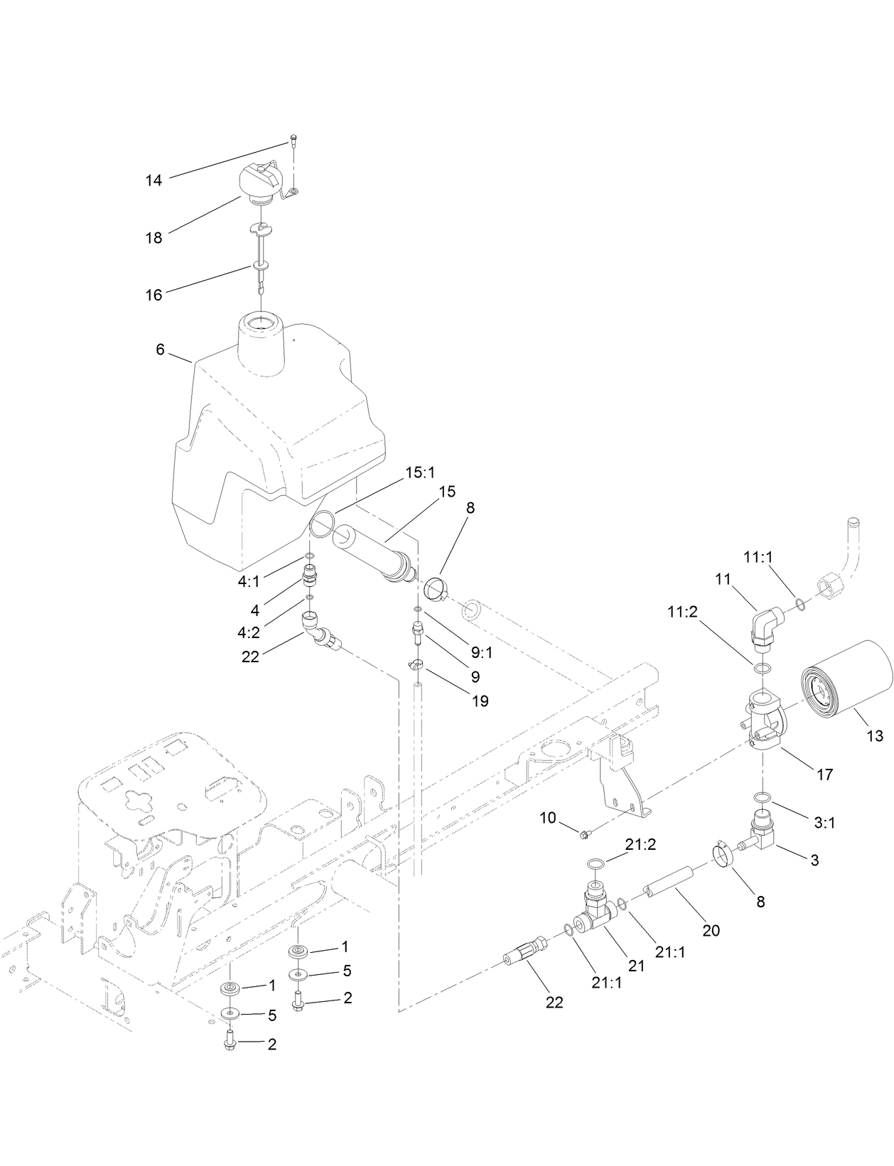
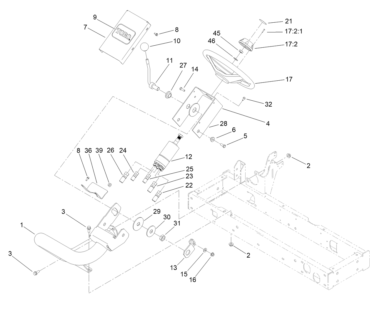
Montagezeichnungen
Ein Teil in Bauteilzeichnungen suchen:
-
Wartungsanleitung
-
Bedienungsanleitung
-
Ersatzteilkatalog
-
Elektrisches Schaltbild
-
Hydraulisches Schaltbild
-
EU/UK-Konformitätserklärung
ROLLER SCRAPER KIT (Bestellnummer 104-5168)
BLADE-HIGH LIFT (Bestellnummer 104-5183)
BLADE-ANGLE SAIL (Bestellnummer 105-9810-03)
BLADE-ATOMIC, 27 IN (Bestellnummer 107-0235-03)
BLADE SERVICE PACK, 27 IN (Bestellnummer 108-1462)
BLADE-27", COMBO (Bestellnummer 108-9026)
LH SHORT LIFTARM ASM (Bestellnummer 115-3465)
RH SHORT LIFTARM ASM (Bestellnummer 115-3466)
Hourmeter, Wireless Hourmeter System (Bestellnummer 115-4754)
External Antenna Kit, Wireless Hourmeter System (Bestellnummer 115-9524)
Base Station Kit, Wireless Hourmeter System (Bestellnummer 115-9542)
Repeater Kit, Wireless Hourmeter System (Bestellnummer 115-9543)
Damper Kit, Cutting Units for Groundsmaster 3500-D Traction Unit (Bestellnummer 119-2047)
Large Seat Cover (Bestellnummer 120-5179)
ROLLER ASM (UHMW) (Bestellnummer 131-7800)
COVER SEAT,HI-BACK [TORO] (Bestellnummer 133-1308)
PX HYD FLUID (5 GAL) (Bestellnummer 133-8086)
PX HYD FLUID (55 GAL) (Bestellnummer 133-8087)
KIT-BALLAST (27in. C/U) (Bestellnummer 136-2881)
WHEEL WEIGHT KIT (Bestellnummer 136-3315)
GM SECTIONAL ROLLER ASM (3IN DIA)(27I (Bestellnummer 137-6145)
Bimini Sunshade for 2-Post Roll-Over Protection System (Bestellnummer 30358)
Premium Seat Kit, Groundsmaster 3500-D/3505-D and Reelmaster 3100-D (Bestellnummer 30629)
White Universal Sunshade, Groundsmaster or Reelmaster Traction Units o (Bestellnummer 30669)
Red Universal Sunshade, Groundsmaster or Reelmaster Traction Units or (Bestellnummer 30671)
27in Rotary Cutting Unit, Groundsmaster 3500-D/4500-D/4700-D (Bestellnummer 30834)
Leaf Mulching Kit (Bestellnummer 30836)
Work Light Kit, Reelmaster 3100-D and Groundsmaster 3500-D/3505-D Trac (Bestellnummer 30841)
LED LIGHT KIT GM3500/RM3100 (Bestellnummer 31696)
Red Paint - Gallon Can (Bestellnummer 361-11)
PAINT-AEROSOL, DARK METALLIC GRAY (Bestellnummer 361-12)
PAINT-SPRAY, TORO SEMI-GLOSS BLACK (Bestellnummer 361-9)
MVP KIT, 1000 HR, GM35XX/RM35XX, T4 (Bestellnummer 44963)
Red Paint - Quart Can (Bestellnummer 5340)
-
Modellnr.
30849 -
Seriennr.
409000000 - 409999999 -
Produktname
Groundsmaster® 3505-D -
Produktmarke
Toro -
Produkttyp
Riding Products



































































