Groundsmaster 4300-D Traction Unit
Produktinformationen
- Modellnr.: 30864
- Seriennr.: 412437970 - 412699999
- Produkttyp: Riding Products
Wird geladen…
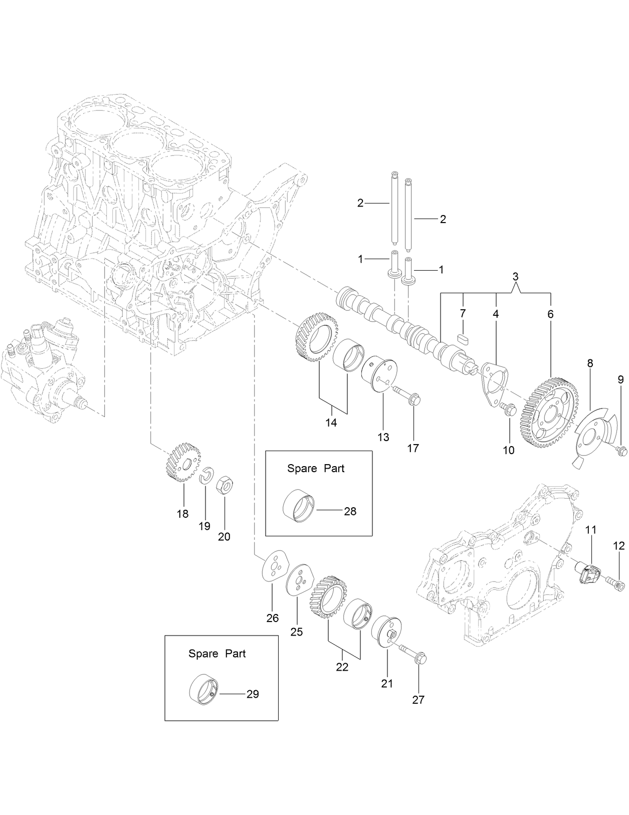
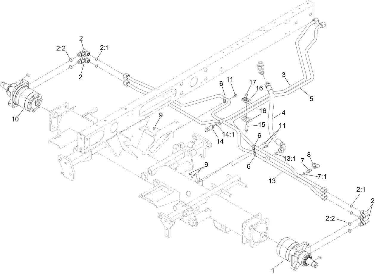
Montagezeichnungen
Ein Teil in Bauteilzeichnungen suchen:
-
Wartungsanleitung
-
Bedienungsanleitung
-
Ersatzteilkatalog
-
Elektrisches Schaltbild
-
Hydraulisches Schaltbild
-
EU/UK-Konformitätserklärung
Operator Cooling Fan, Groundsmaster or Reelmaster Traction Unit with U (Bestellnummer 03247)
Switch Panel, Groundsmaster and Reelmaster Traction Units with Univers (Bestellnummer 03248)
2 Post ROPS Extension Kit, Groundsmaster 4300 and Reelmaster 5010 Seri (Bestellnummer 03611)
Operator Golf Ball Guard, Reelmaster 3100/3500/5010 or Groundsmaster 3 (Bestellnummer 03614)
Air Ride Seat Suspension Kit, Reelmaster 5010 Series Traction Unit (Bestellnummer 03667)
Wheel Weight Kit, Reelmaster 5500/6000 Series Traction Units (Bestellnummer 104-1478)
PREMIUM ALL PURPOSE GREASE (Bestellnummer 108-1190)
FILTER-AIR (Bestellnummer 108-3810)
BLADE-COMBO, 22 INCH (Bestellnummer 108-7395-03)
Weight Plate (Bestellnummer 110-8985-03)
BLADE-HIGH LIFT, 22 INCH (Bestellnummer 114-0434-03)
BLADE-ATOMIC, 22 INCH (Bestellnummer 114-0435-03)
Roller Scraper Kit, 22in Rotary Cutting Unit for Groundsmaster Tractio (Bestellnummer 117-0149)
MULCHING KIT (Bestellnummer 117-0185)
BLADE-ANGLE SAIL, 22 INCH (Bestellnummer 117-0209-03)
Hydraulic Hose Kit, Groundsmaster 4300-D Traction Unit (Bestellnummer 117-0289)
Premium Synthetic Bio-Degradable Hydraulic Fluid (5 Gal) (Bestellnummer 119-2157)
PREMIUM SYNTHETIC BIO HYD FLUID (55 GAL) (Bestellnummer 119-2158)
SERVICE PACK - COMBO BLADE (Bestellnummer 119-6957)
PREMIUM ENGINE OIL 10W30 (55 GAL) (Bestellnummer 121-6392)
PREMIUM ENGINE OIL 10W30 (5 GAL) (Bestellnummer 121-6393)
COVER SEAT,HI-BACK [TORO] (Bestellnummer 133-1308)
PX HYD FLUID (5 GAL) (Bestellnummer 133-8086)
PX HYD FLUID (55 GAL) (Bestellnummer 133-8087)
GM SECTIONAL ROLLER ASM (3IN DIA)(22I (Bestellnummer 137-6147)
Beacon Kit, Groundsmaster and Reelmaster Traction Units with Universal (Bestellnummer 138-2699)
Work Lights Kit, Groundsmaster and Reelmaster Traction Units with Univ (Bestellnummer 138-2700)
POWER-HARNESS, KIT (RM3XXX) (Bestellnummer 138-2993)
FUEL COOLER KIT [YANMAR RM5X10, GM4300] (Bestellnummer 139-6040)
White Universal Sunshade, Groundsmaster or Reelmaster Traction Units o (Bestellnummer 30669)
Red Universal Sunshade, Groundsmaster or Reelmaster Traction Units or (Bestellnummer 30671)
22-inch Rotary Cutting Unit, Groundsmaster 4300-D Traction Unit (Bestellnummer 30845)
EU Light Kit, Groundsmaster 4300-D or Reelmaster 5010-H Traction Unit (Bestellnummer 31579)
Red Paint - Gallon Can (Bestellnummer 361-11)
PAINT-AEROSOL, DARK METALLIC GRAY (Bestellnummer 361-12)
PAINT-SPRAY, TORO SEMI-GLOSS BLACK (Bestellnummer 361-9)
MVP 1KHR – RM5410D/5510D/5610D/GM4300 (Bestellnummer 44964)
Red Paint - Quart Can (Bestellnummer 5340)
Spark Arrestor (Meets USDA Forest Service Standard 5100-1A) (Bestellnummer 98-9099)
-
Modellnr.
30864 -
Seriennr.
412437970 - 412699999 -
Produktname
Groundsmaster 4300-D Traction Unit -
Produktmarke
Toro -
Produkttyp
Riding Products













































































