Groundsmaster 4300-D Traction Unit
Produktinformationen
- Modellnr.: 30864
- Seriennr.: 315000001 - 315999999
- Produkttyp: Riding Products
Wird geladen…
Montagezeichnungen
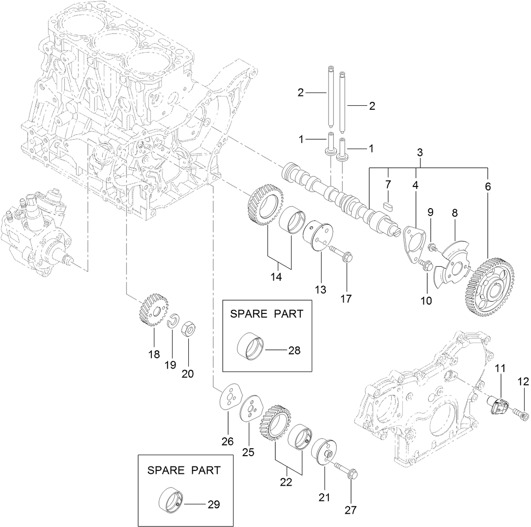
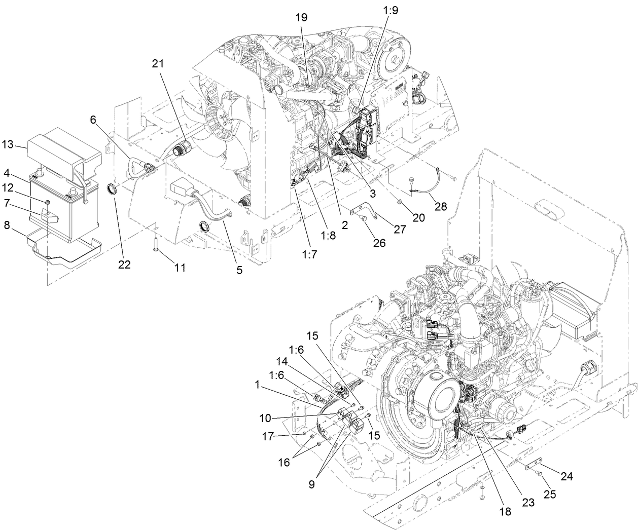
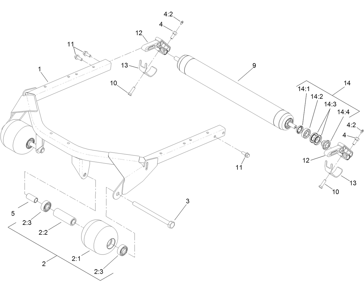
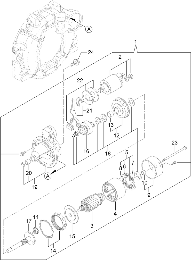
Ein Teil in Bauteilzeichnungen suchen:
-
Wartungsanleitung
-
Bedienungsanleitung
-
Ersatzteilkatalog
-
EU-Konformitätserklärung
-
Elektrisches Schaltbild
-
Hydraulisches Schaltbild
-
Service-Information
BLADE-COMBO, 22 INCH (Bestellnummer 108-7395-03)
BLADE-HIGH LIFT, 22 INCH (Bestellnummer 114-0434-03)
BLADE-ATOMIC, 22 INCH (Bestellnummer 114-0435-03)
Roller Scraper Kit, 22in Rotary Cutting Unit for Groundsmaster Tractio (Bestellnummer 117-0149)
MULCHING KIT (Bestellnummer 117-0185)
BLADE-ANGLE SAIL, 22 INCH (Bestellnummer 117-0209-03)
Sectional Roller Assembly, 22in Rotary Cutting Unit for Groundsmaster (Bestellnummer 117-0297)
-
Modellnr.
30864 -
Seriennr.
315000001 - 315999999 -
Produktname
Groundsmaster 4300-D Traction Unit -
Produktmarke
Toro -
Produkttyp
Riding Products -
Produktserie
GM 400 Series













































































