Power Max® TRX HD 1432 OXHE 81 cm Schneefräse 38875
Produktinformationen
- Modellnr.: 38875
- Seriennr.: 409000000 - 412999999
- Produkttyp: Snowthrowers
Wird geladen…
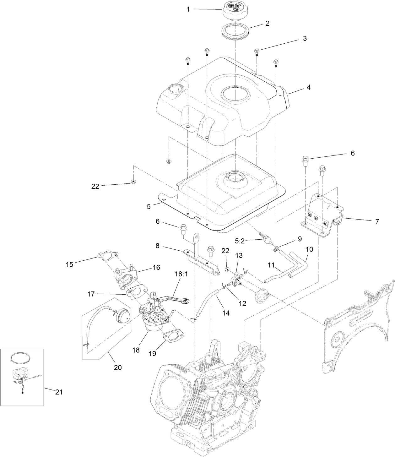
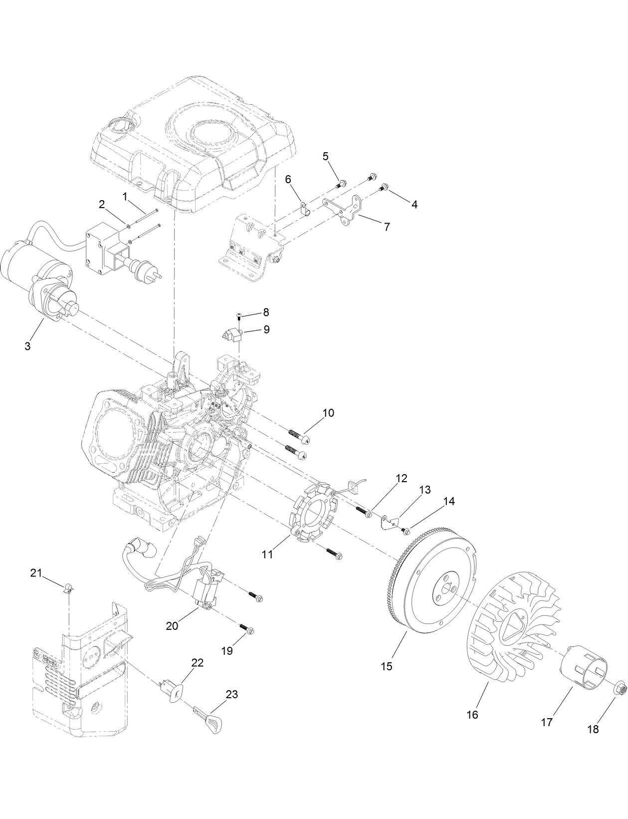
Montagezeichnungen
Ein Teil in Bauteilzeichnungen suchen:
-
Wartungsanleitung
-
Bedienungsanleitung
-
Ersatzteilkatalog
-
Produktgarantie
-
EU/UK-Konformitätserklärung
Heated Grip Kit (Bestellnummer 131-6460)
Snow Cab Kit (Bestellnummer 139-1640)
TORO SNOW OIL 0W30 SYNTHETIC-20 OZ BT (Bestellnummer 38913)
POWER MAX HD COVERS (2019) (Bestellnummer 490-7415)
-
Modellnr.
38875 -
Seriennr.
409000000 - 412999999 -
Produktname
Power Max® TRX HD 1432 OXHE 81 cm Schneefräse 38875 -
Produktmarke
Toro -
Produkttyp
Snowthrowers -
Produktserie
Snowthrower, Two Stage Large Frame -
Chassistyp
Two Stage -
Arbeitsbreite
28 inch -
Auswurf
Two Stage -
Motor/Motorhersteller
Toro -
Motor/Motorgröße
420cc -
Motor/Motortyp
4 Cycle CARB -
Anlasser
Electric/Recoil -
Getriebetyp
Friction Wheel -
Getriebetyp
Rear WD
-
Drive System: Gearbox Lubricant
4.5 oz. (133ml) SAE 90 GL5 or higher -
Engine: Engine Oil Type
32 oz. (.95l) 5w-30 or 10w / API SH or higher -
Engine: Spark Plug Gap
.030"/ .76mm -
Chassis: Tire Pressure
17-20 PSI / 116-137 kPa -
Engine: Engine Speed
3300±100 RPM -
Engine: Spark Plug
Champion RN9YC / NGK BPR6ES / NHPS F7RTC (OEM China)




















