Toro Stubbenfräse STX-26
Produktinformationen
- Modellnr.: 23208
- Seriennr.: 414500000 - 415259999
- Produkttyp: Tree Care Products
Wird geladen…
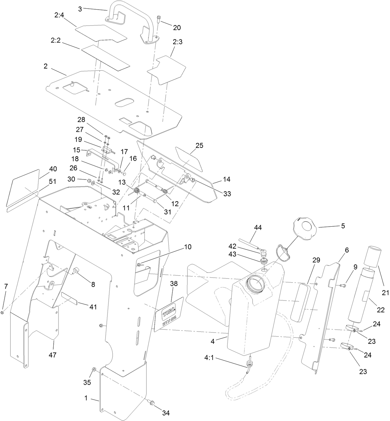
Montagezeichnungen
Ein Teil in Bauteilzeichnungen suchen:
-
Bedienungsanleitung
-
Ersatzteilkatalog
-
Produktgarantie
-
Elektrisches Schaltbild
-
Hydraulisches Schaltbild
-
EU/UK-Konformitätserklärung
ASM-TRAILER (Bestellnummer 115-4802)
PX HYD FLUID (5 GAL) (Bestellnummer 133-8086)
PX HYD FLUID (55 GAL) (Bestellnummer 133-8087)
OIL-30/10W-30 SYNTHETIC (Bestellnummer 138-6053)
PX HYDRAULIC FLUID-4 PK GALLON (Bestellnummer 138-9460)
DECAL KIT - HERC (Bestellnummer 145-6940)
KIT-SPARE TIRE AND MOUNT (Bestellnummer 164-1449)
CE KIT STX-26 STUMP GRINDER (Bestellnummer 22368)
Red Paint - Gallon Can (Bestellnummer 361-11)
PAINT-SPRAY, TORO SEMI-GLOSS BLACK (Bestellnummer 361-9)
10W30 4-CYCLE ENGINE OIL 32 OZ BOTTLE (Bestellnummer 38280)
SCREEN - SPARK ARRESTOR (Bestellnummer 94-8157)
-
Modellnr.
23208 -
Seriennr.
414500000 - 415259999 -
Produktname
Toro Stubbenfräse STX-26 -
Produktmarke
Toro -
Produkttyp
Tree Care Products -
Motor/Motorhersteller
Kawasaki -
Motor/Motorgröße
26 hp -
Motor/Motortyp
4 Cycle -
Anlasser
Electric -
Getriebetyp
Hydrostatic



















