Snow Pup
Product Information
- Model number: 31411
- Serial number: 9000001 - 9999999
- Product Type: Snowthrowers
Loading...
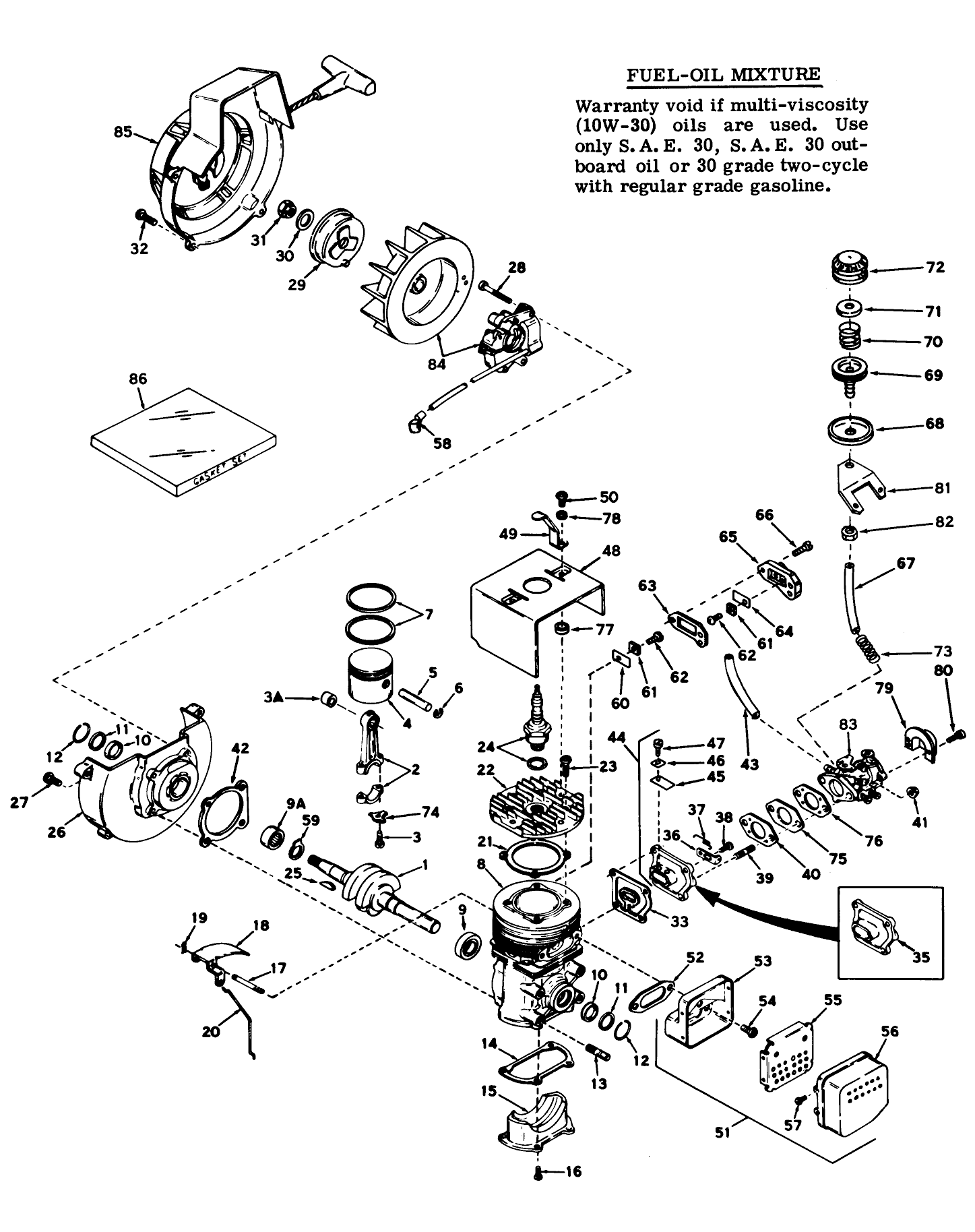
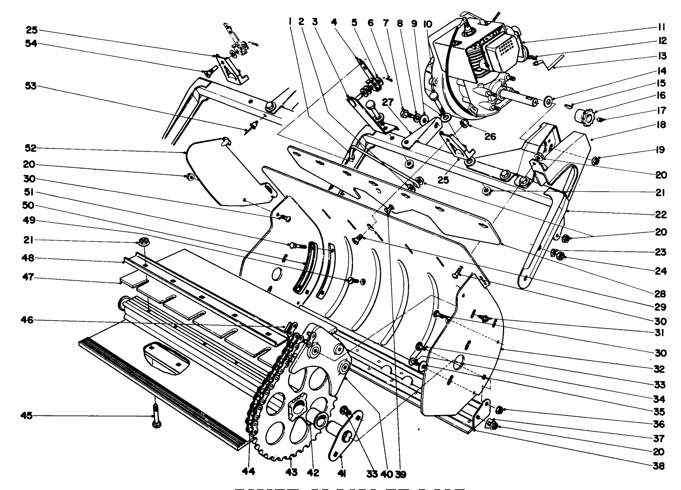
Assembly Drawings
Search for a part within assembly drawings:
-
Service Manual
-
Model number
31411 -
Serial number
9000001 - 9999999 -
Product Name
Snow Pup -
Product Brand
Toro -
Product Type
Snowthrowers -
Product Series
Snowthrower, 1965-1977 Toro -
Chassis Type
Single Stage -
Swath
14 inch -
Discharge
Single Stage -
Engine/Motor Manufacturer
Tecumseh -
Engine/Motor Size
2 hp -
Engine/Motor Type
2 Cycle -
Engine Starter
Recoil -
Transmission Type
NA





