C-81 8-Speed Tractor
Product Information
- Model #: 01-08K802
- Serial #: None - None
- Product Type: Riding Products
Loading...
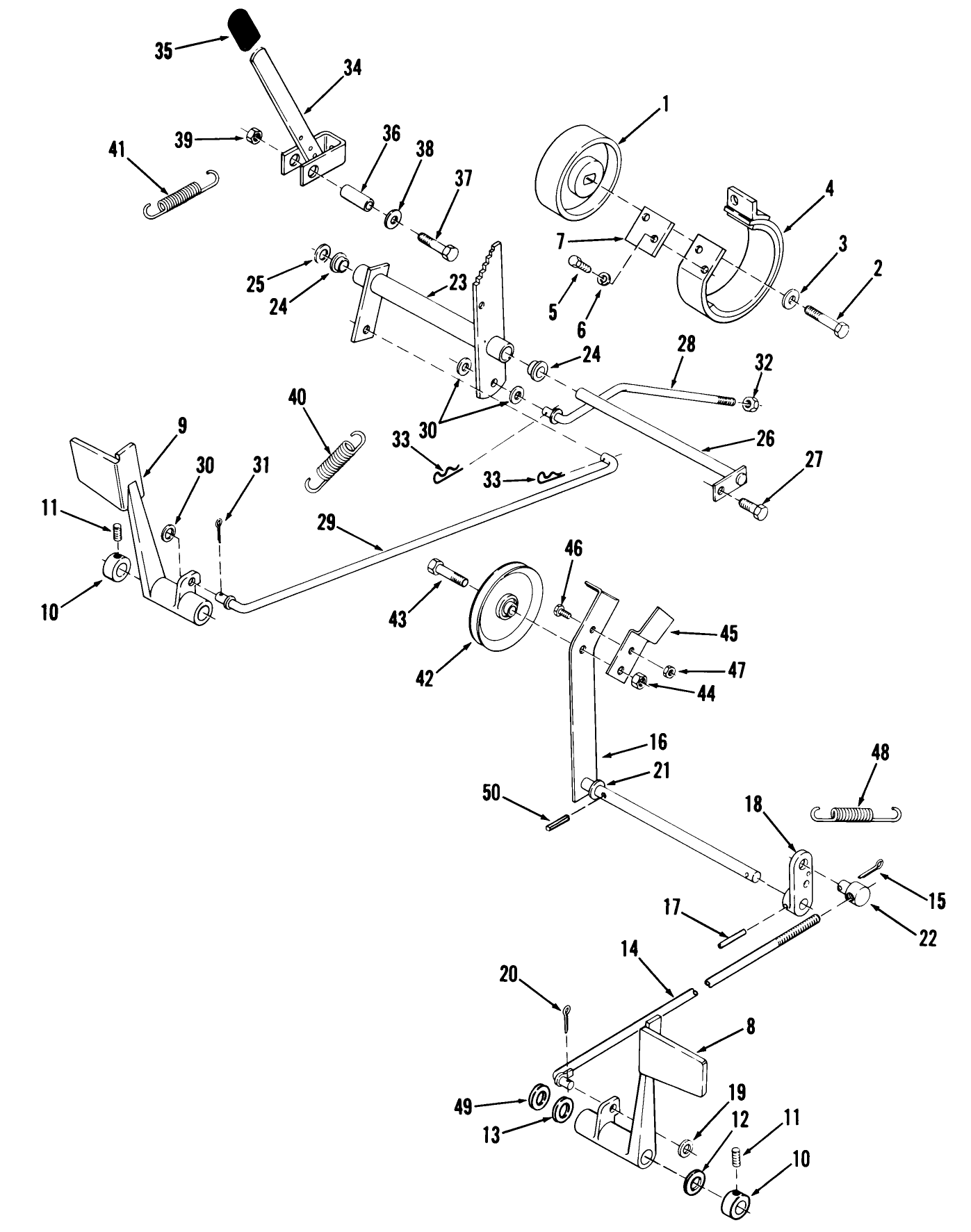
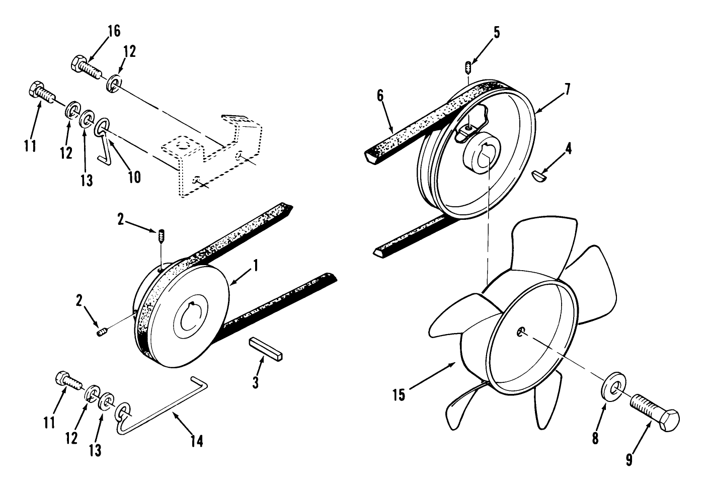
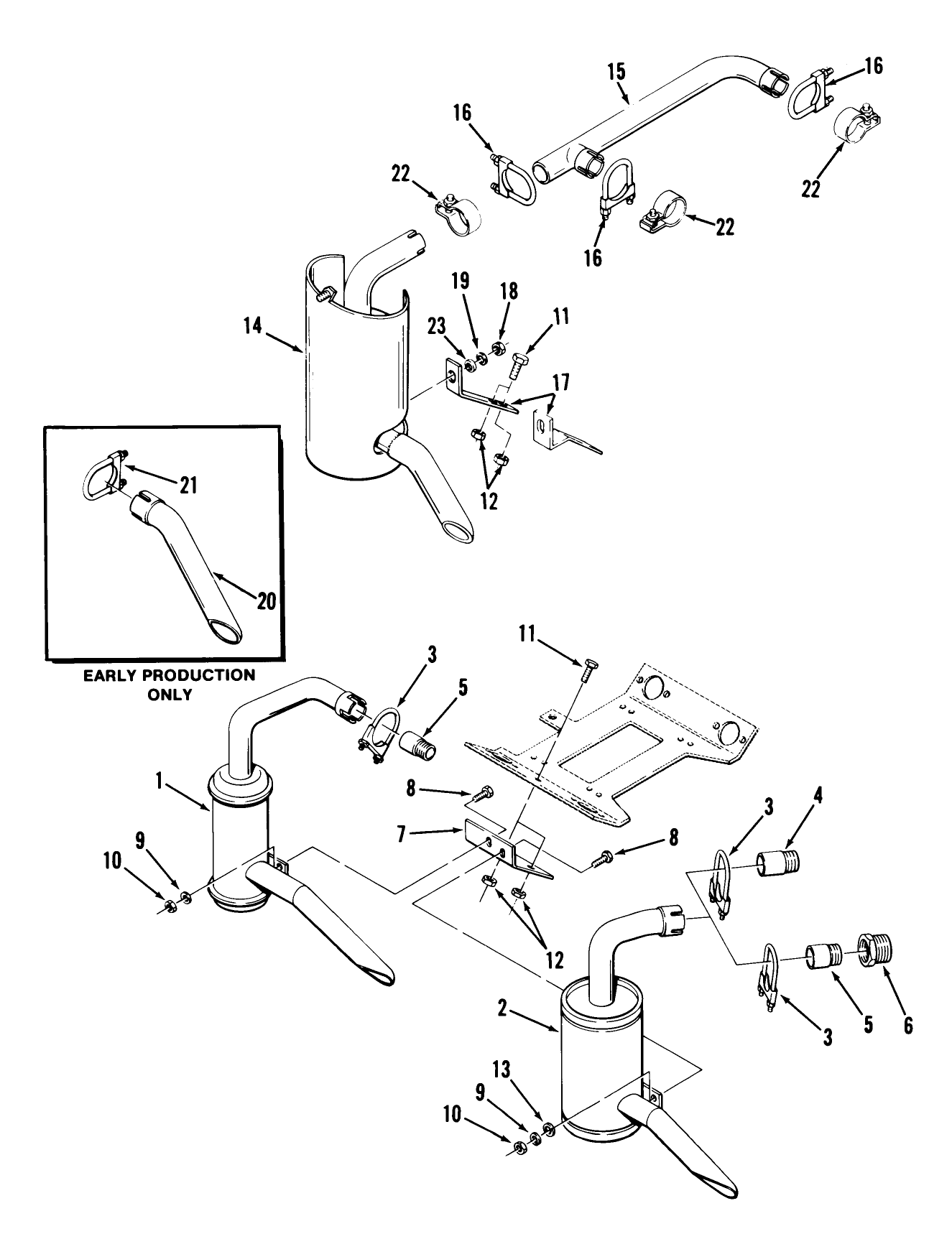
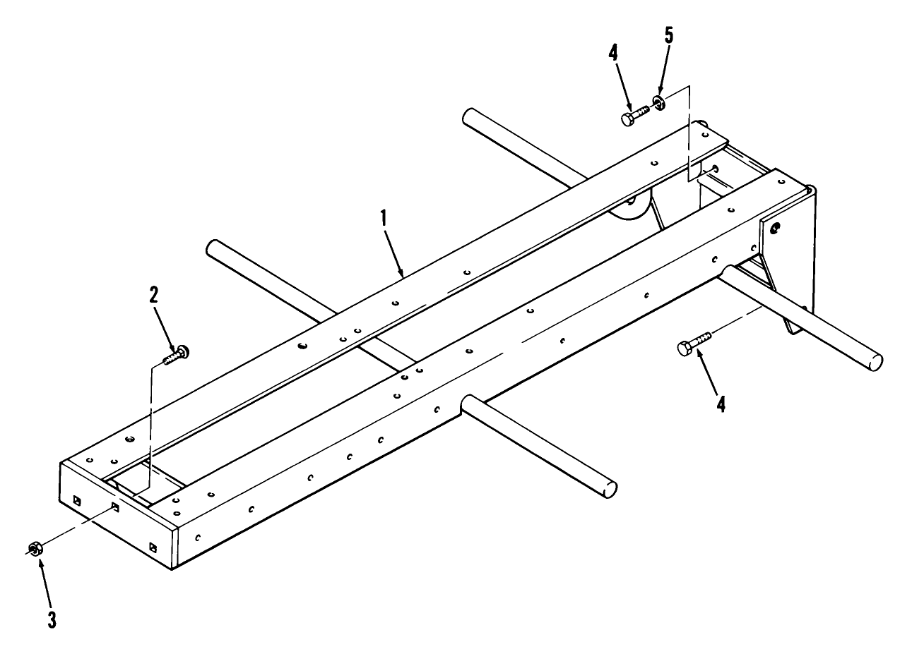
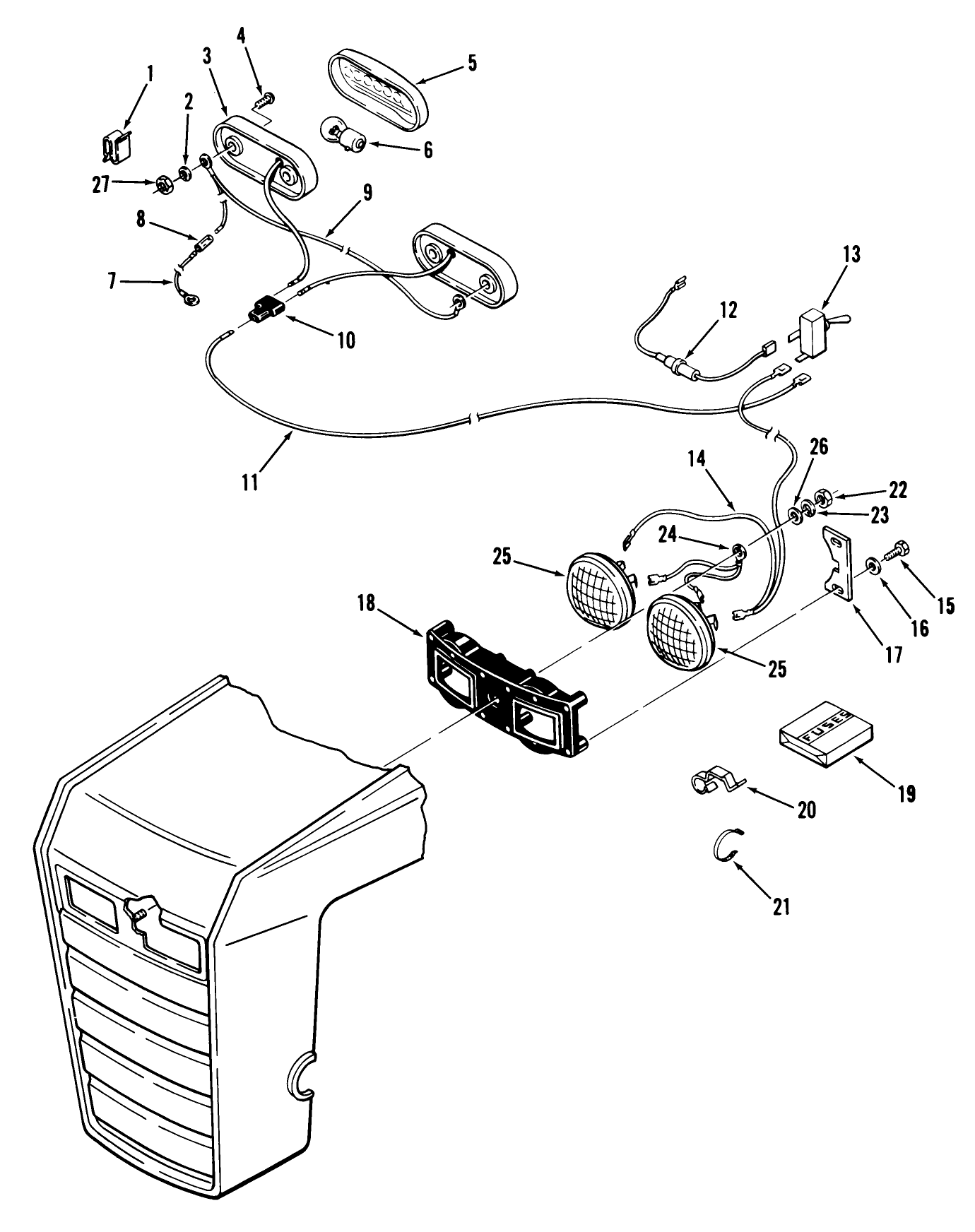
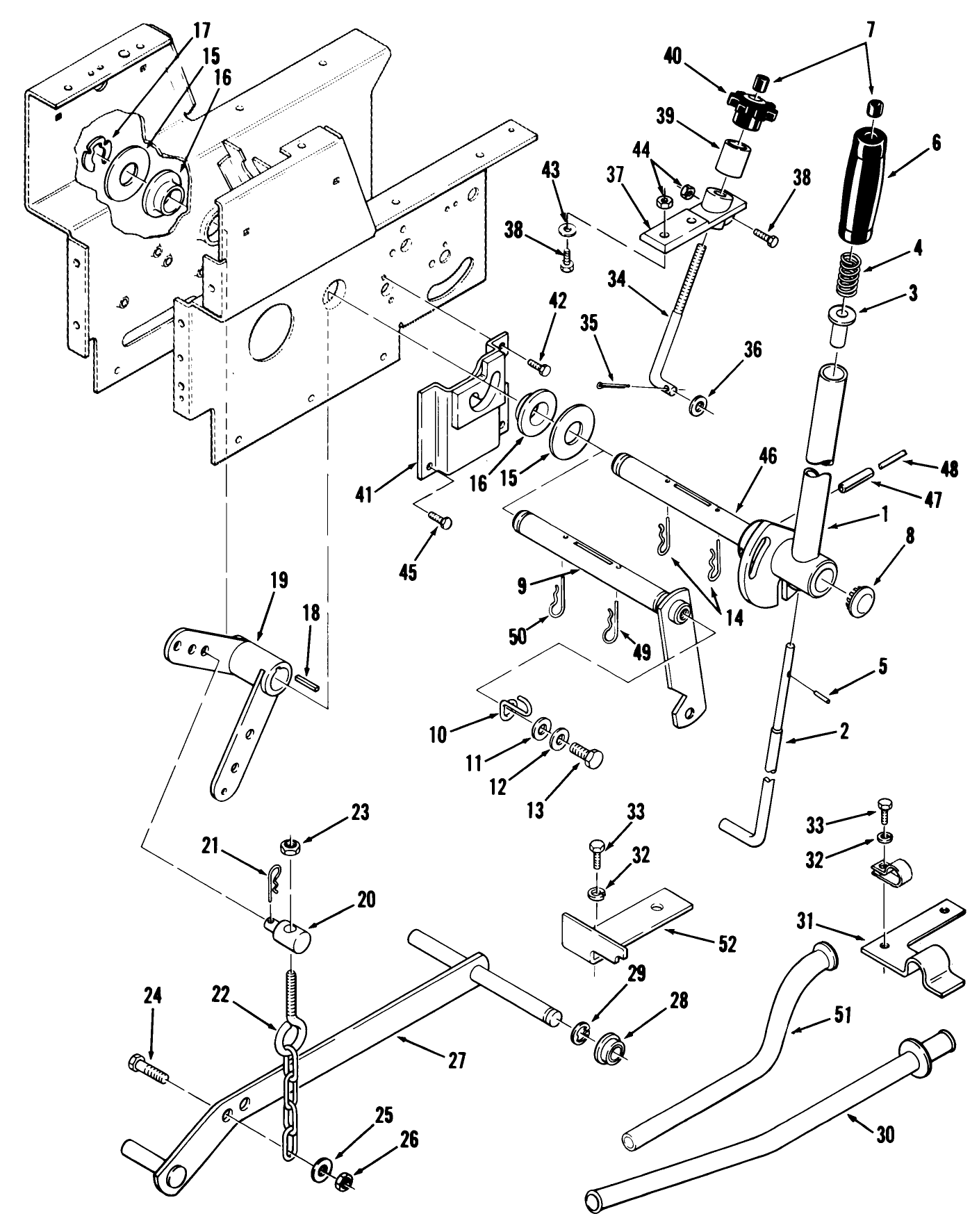
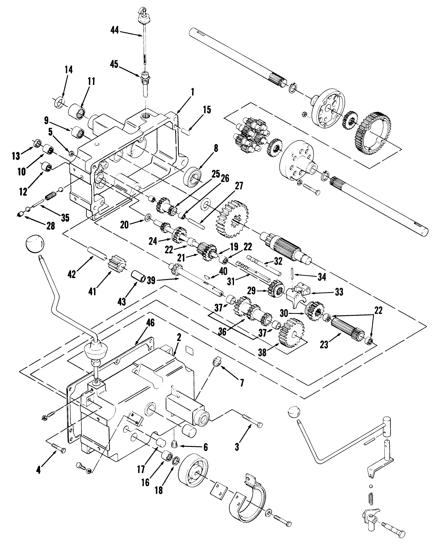
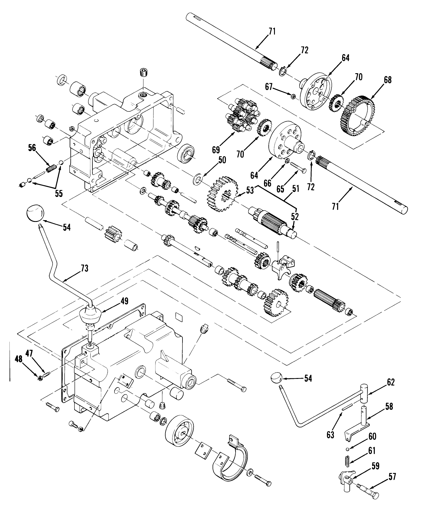
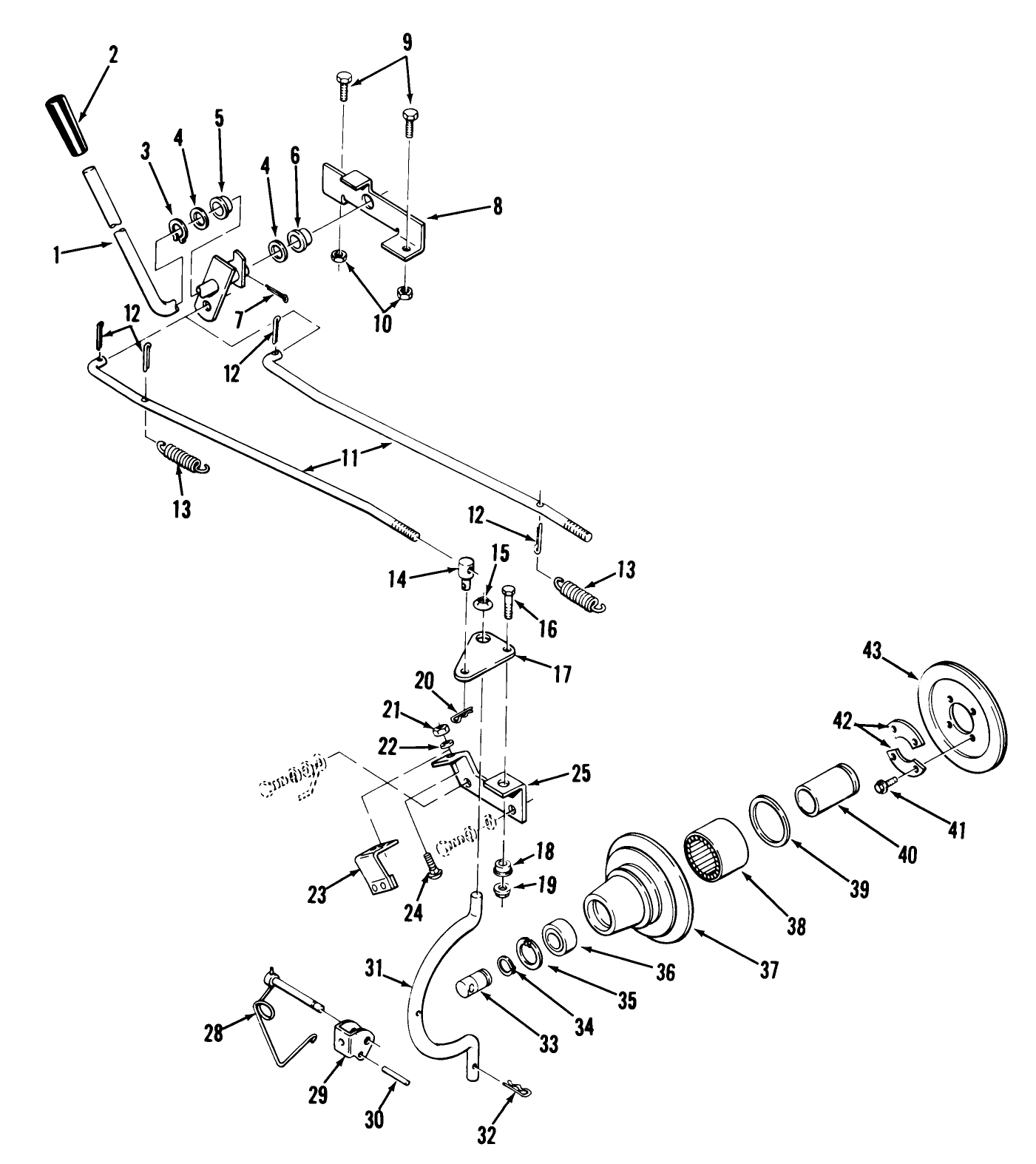
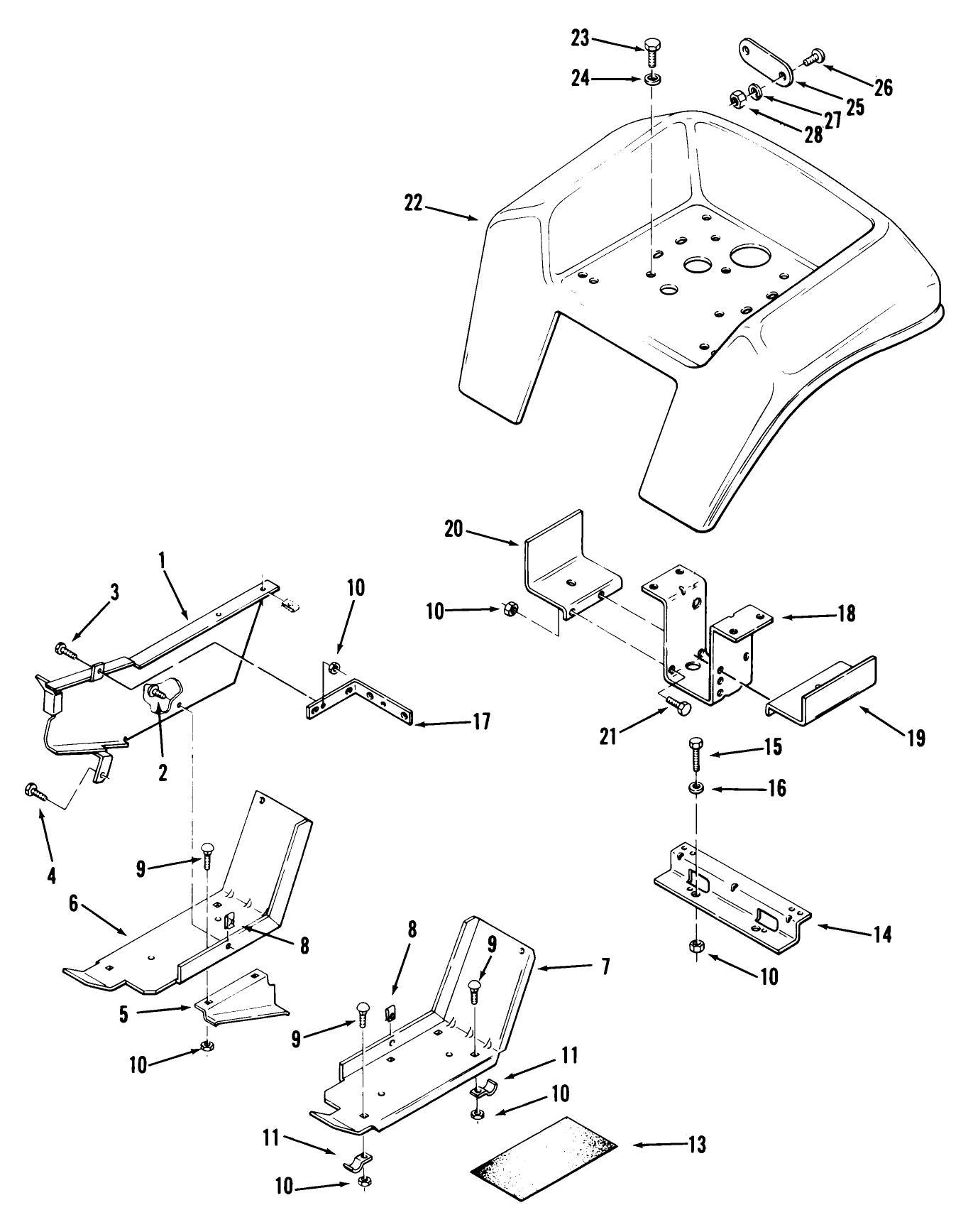
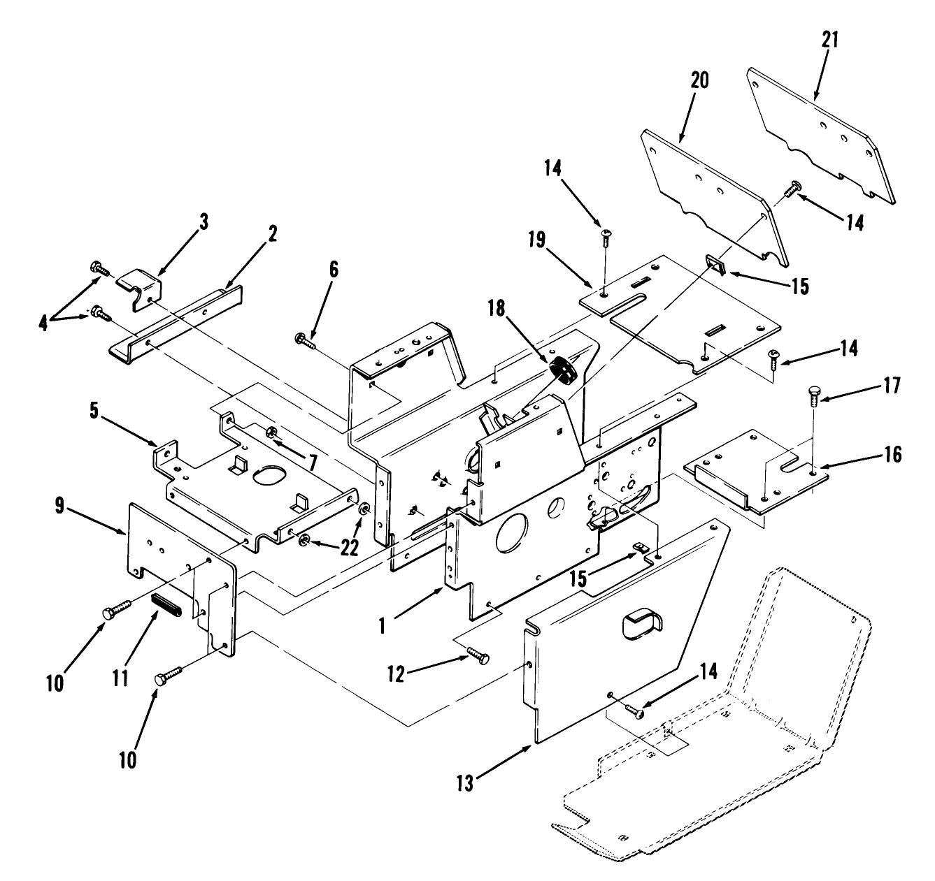
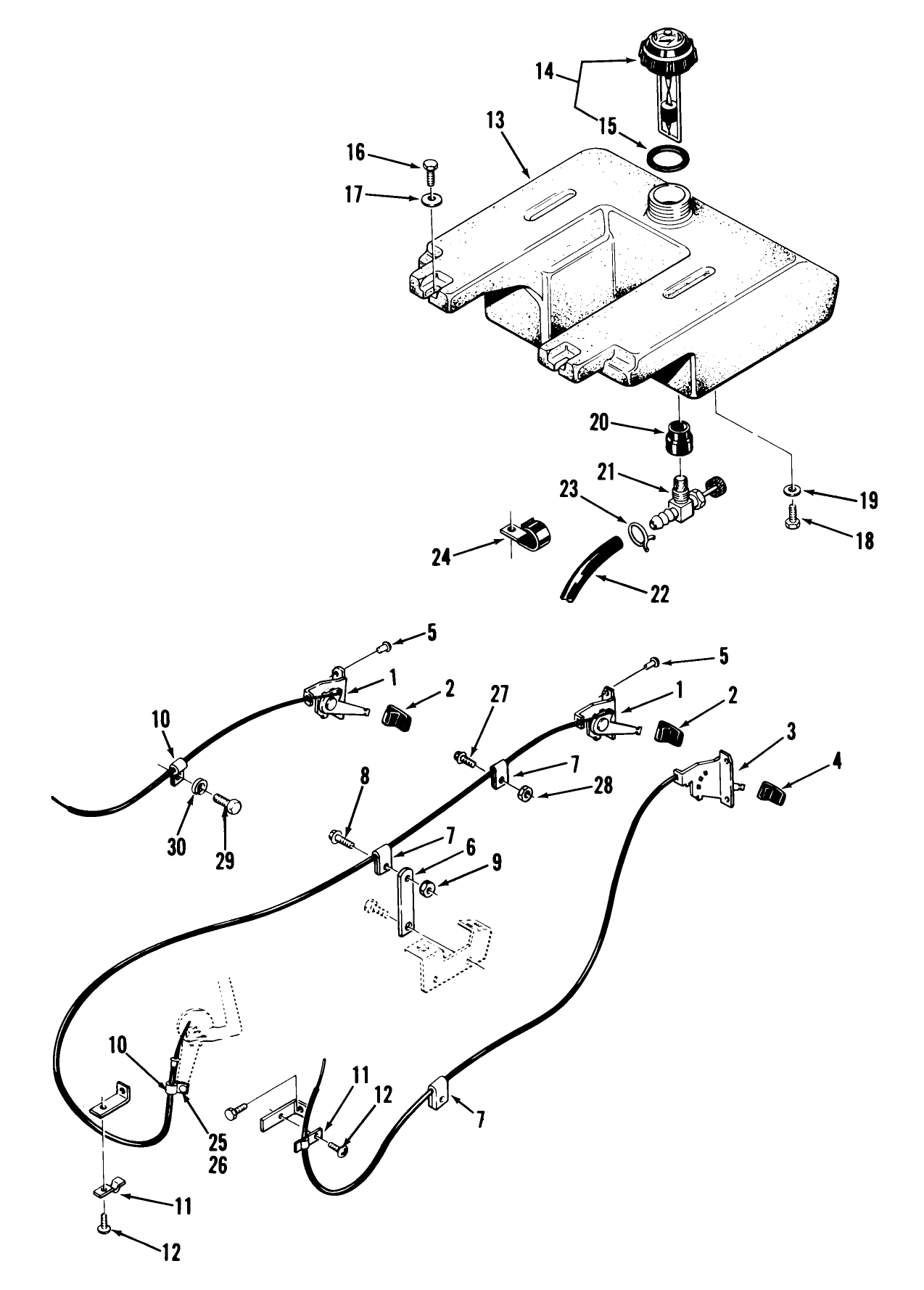
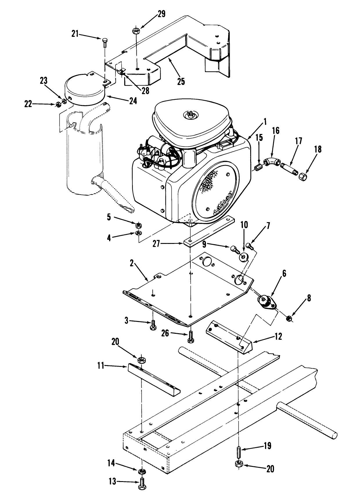
Assembly Drawings
Search for a part within assembly drawings:
-
Service Manual
36" Rear Discharge Mower (Part # 05-36MR01)
36" Side Discharge Mower (Part # 05-36MS01)
42" Snow/Dozer Blade (Part # 06-42BC02)
42" Snowthrower (Part # 06-42ST02)
Vinyl Snow Cab (Part # 07-05CB01)
5.5 cu. ft. Dump Cart (Part # 07-05DC01)
10 cu. ft. Dump Cart (Part # 07-10DC02)
Garden Implement System (Part # 07-10IP01)
18 cu. ft. Dump Cart (Part # 07-18DC02)
3000 Watt Power Generator (Part # 07-30GN01)
34" Cultivator,Mid-Mount (Part # 07-34CM01)
36" Tiller (Part # 07-36TL01)
38" Sweeper (Part # 07-38SW01)
40" Grader Blade (Part # 07-40BM01)
Front Loader (Part # 07-40FL01)
Red Touch-Up Paint (Case of 6) (Part # 8-0311)
Beige Touch-Up Paint (Case of 6) (Part # 8-0321)
Heavy Duty Front Wheels & Spindles (Part # 8-0490)
Rear Wheel Weights (12" Wheels) (Part # 8-1113)
Front Wheel Weights (Part # 8-1212)
Hour Meter (Part # 8-2007)
Tire Chains (Pair) (Part # 8-2511)
Cleat Tire Set (23 x 8.50-12) (Part # 8-2801)
Clevis Hitch - Type "A" (Part # 8-5515)
Slot Hitch (Part # 8-5525)
8" Plow (Part # 87-08PL01)
31" Sweeper (Part # 87-31SW01)
42" Disc (Part # 87-42DS01)
36" Aerator (Part # 97-36AR01)
-
Model #
01-08K802 -
Serial #
None - None -
Product Name
C-81 8-Speed Tractor -
Product Brand
Unknown -
Product Type
Riding Products -
Product Series
Garden Tractor, 3/4/500, C, GT -
Swath
Deck Optional -
Discharge
Deck Optional -
Engine/Motor Manufacturer
Kohler -
Engine/Motor Size
8 hp -
Engine/Motor Type
4 Cycle -
Engine Starter
Electric -
Transmission Type
Gear





















