TimeCutter SS 5000 Riding Mower
Product Information
- Model #: 74631
- Serial #: 314000001 - 314999999
- Product Type: Riding Products
Loading...
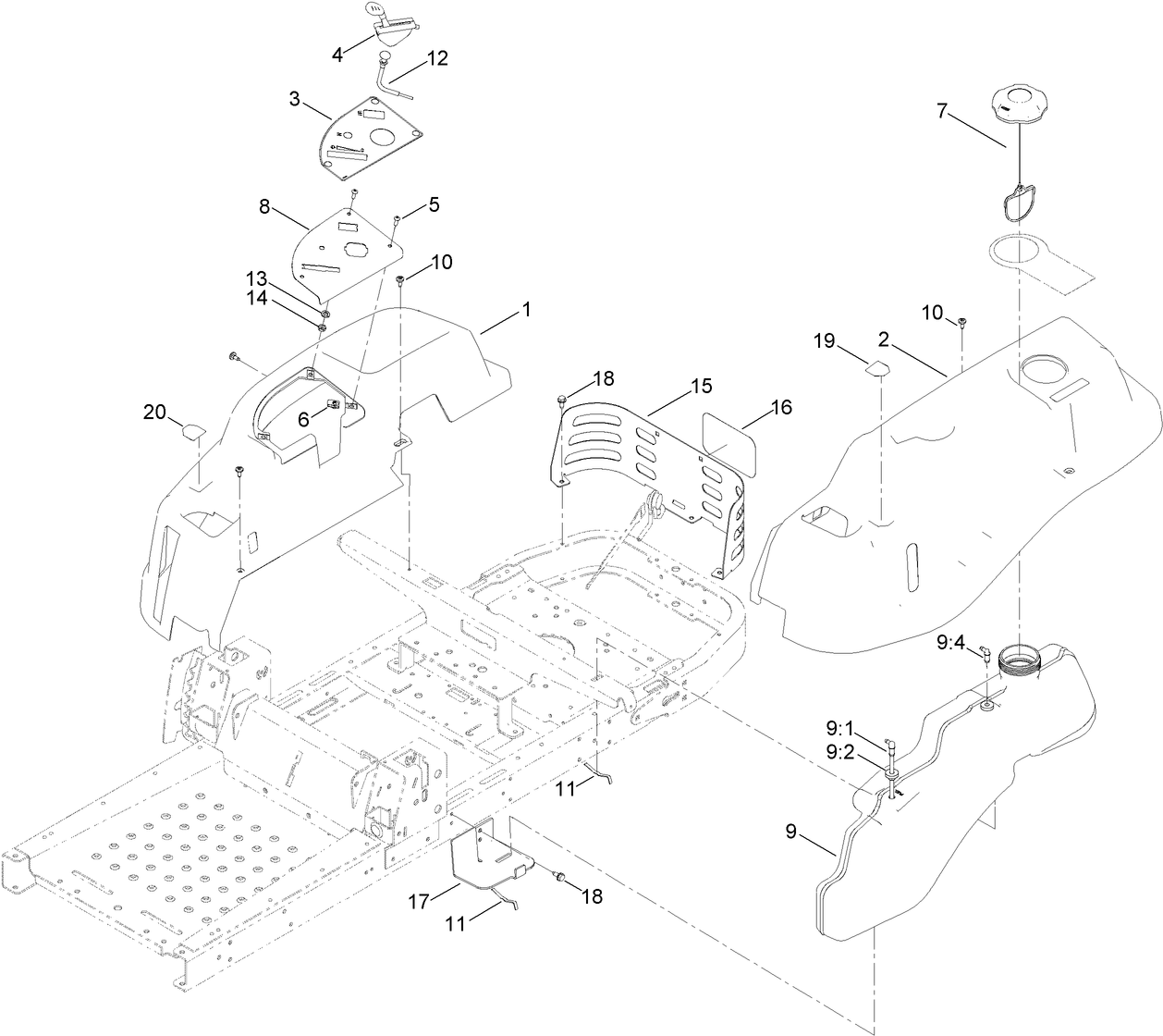
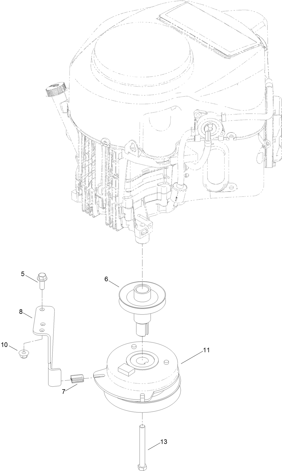
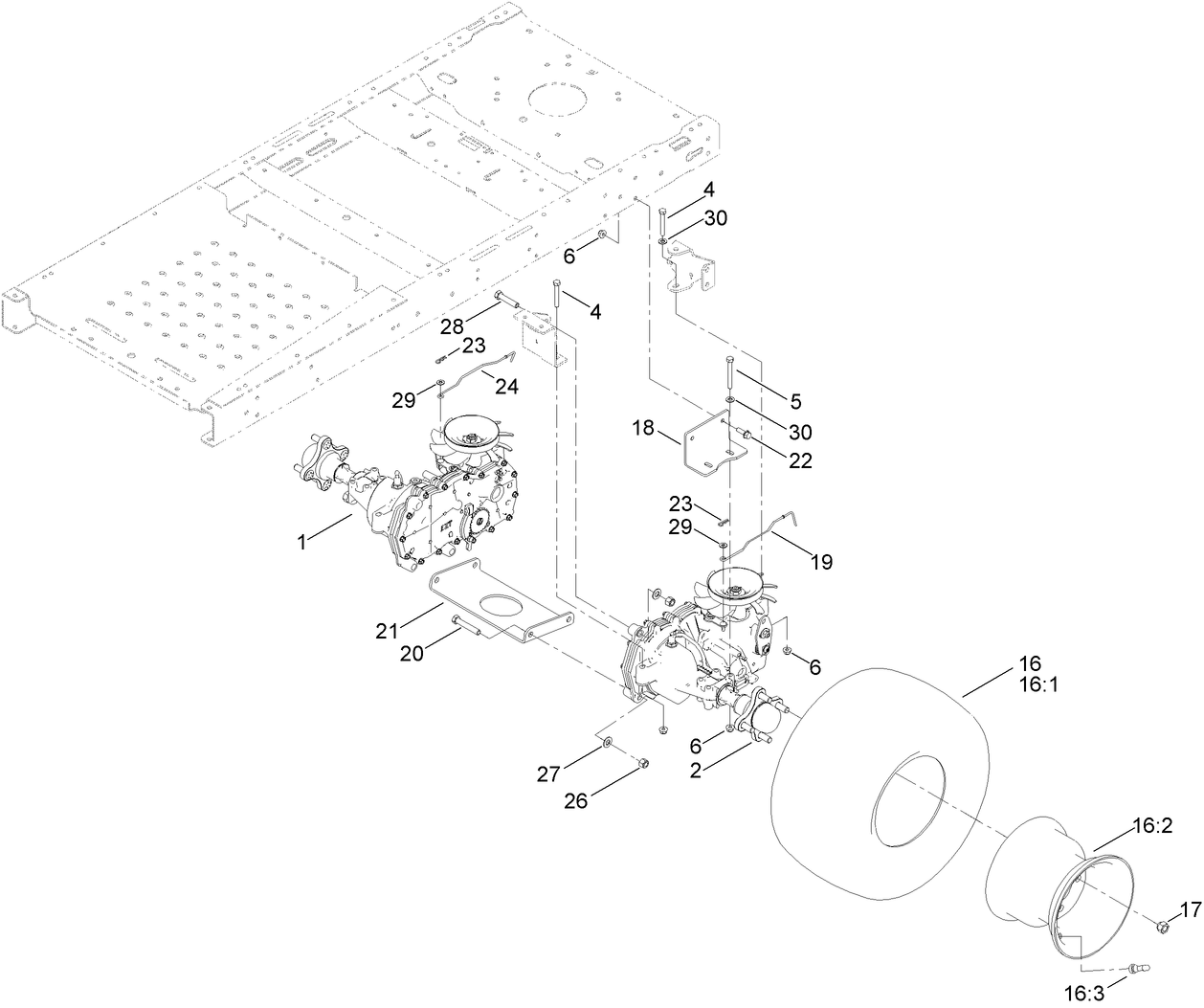
Assembly Drawings
Search for a part within assembly drawings:
-
Service Manual
-
Operator's Manual
-
Parts Catalog
-
Engine Evaporative Emission Warranty
-
Setup Instructions
Armrest Kit (Milsco) (Part # 105-6978)
Deck Ring Kit, 50in Mowers for Zero-Turn-Radius Riding Mower (Part # 114-1608)
Hourmeter Kit, 2011 and After Zero-Turn-Radius Riding Mower (Part # 116-5461)
Striping Kit, 42in and 50in Mowers (Part # 120-7905)
Jack Mount Kit (Part # 126-5251)
Jack Kit, Zero-Turn-Radius Side-Discharge or Rear-Discharge Riding Mow (Part # 127-6666)
MAINTENANCE KIT-KAWASAKI 730V ENGINE (Part # 130-8137)
Attachment Mount Kit, Zero-Turn-Radius Riding Mower (Part # 131-3966)
Weight Kit, Zero-Turn-Radius Riding Mower (Part # 131-7658)
Floor Mat Kit, Lever Steering Zero-Turn-Radius Riding Mower (Part # 132-6921)
Foot Assist Deck Lift Kit, 2011 and After Zero-Turn-Radius Riding Mowe (Part # 79010)
Sunshade Kit, 2011 and After Zero-Turn-Radius Riding Mower (Part # 79011)
Hitch Kit, Zero-Turn-Radius Riding Mower (Part # 79014)
BLADE KIT - TIMECUTTER 50IN (Part # 79016P)
50in Recycler Kit, 2007 and After Riding Mower (Part # 79019)
Cargo Carrier, Zero-Turn-Radius Riding Mower (Part # 79040)
Deluxe Small Zero-Turn-Radius Riding Mower Storage Cover (Part # 79317)
Assist Handle and Step Kit, Riding Mower (Part # 79339)
TimeCutter SS & SW 50 in. / 54 in. Twin Bagger (Part # 79392)
The Toro TimeCutter Twin Bagger with its 6.43 bushel (8 cu. ft.) capacity makes quick work of taking care of grass clippings or fallen leaves. When paired with one of Toro's top discharge decks, its performance can't be beat. It assembles easily and once initially installed, can be removed and put back on without tools. Includes bagger, mount kit and front weights.
10 cu. ft. Poly Dump Cart (Part # 79991)
-
Model #
74631 -
Serial #
314000001 - 314999999 -
Product Name
TimeCutter SS 5000 Riding Mower -
Product Brand
Toro -
Product Type
Riding Products -
Product Series
Zero Radius Turn, Consumer -
Chassis Type
ZRT - Consumer -
Swath
50 inch -
Discharge
Side Discharge -
Engine/Motor Manufacturer
Kawasaki -
Engine/Motor Size
23 hp -
Engine/Motor Type
4 Cycle -
Engine Starter
Electric -
Transmission Type
Hydrostatic -
Traction Type
Rear WD
-
Engine: Battery
12V 195CCA -
Engine: Spark Plug
NGK BPR4ES -
Engine: Spark Plug Gap
.030"/ .76mm -
Engine: Ignition Coil Air Gap
.008-.016" / .2-.4mm -
Engine: Engine Oil Type
67 oz. (2.1 Liter) SAE 10W-30 or 10W-40 -
Chassis: Height of Cut Range
1.5-4.5"; 1/2" increments -
Engine: Engine Speed
3300±100 RPM -
Drive System: Ground Speed
Fwd. High 0-7.0 MPH, Low 0-4.0 MPH; Rev 0-3.5 MPH -
Chassis: Tire Pressure
Rear 12 psi; Front see sidewall of tire
















