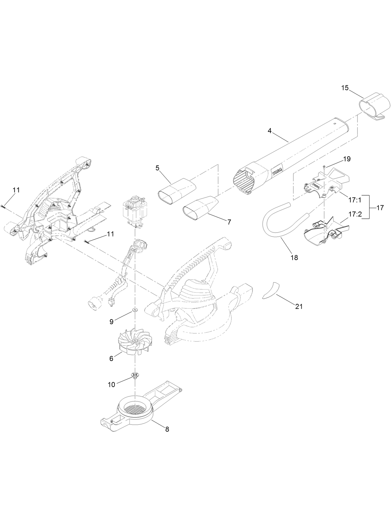
UltraPlus Leaf Blower Vac (51621)

Product Information

  • Model #: 51621
  • Serial #: 314000001 - 314999999
  • Product Type: Blowers/Vacuums

Assembly Drawings

Search for a part within assembly drawings:

  • Model #
    51621
  • Serial #
    314000001 - 314999999
  • Product Name
    340 CFM UltraPlus Corded Electric Leaf Blower/Vac
  • Product Brand
    Toro
  • Product Type
    Blowers/Vacuums
  • Product Series
    Blower, Electric 850 / Super / Quiet
  • Chassis Type
    Hand Held Corded Electric

Register your product

Registering your product will ensure notification of important updates and expedite warranty service should it be necessary.

Register Now