CCR 1000 Snowthrower
Product Information
- Model number: 38195
- Serial number: 69000001 - 69999999
- Product Type: Snowthrowers
Loading...
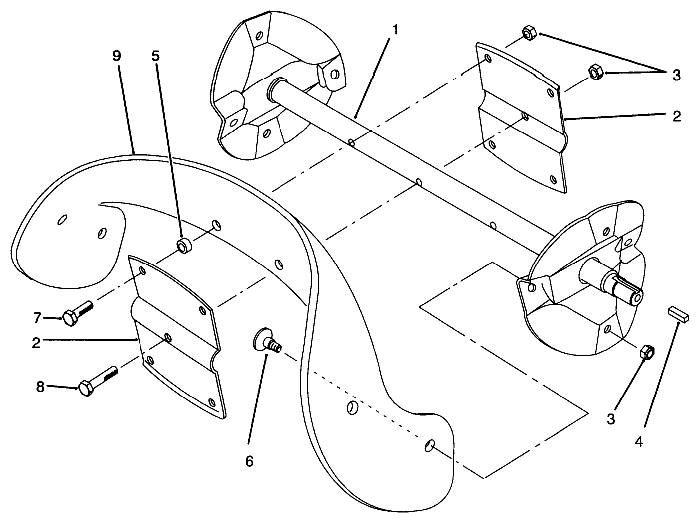
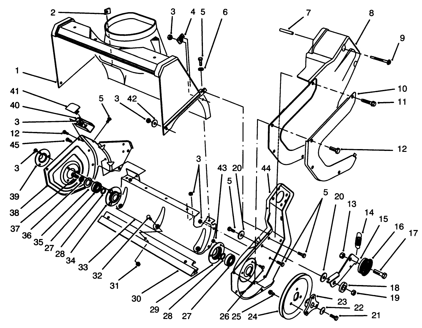
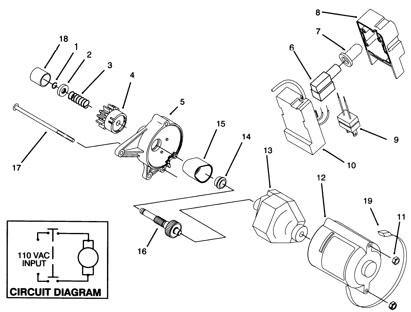
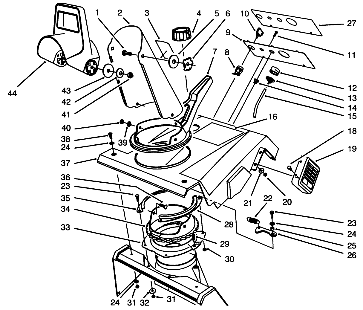
Assembly Drawings
Search for a part within assembly drawings:
-
Service Manual
-
Operator's Manual
-
Parts Catalogue
Snow Cab (Part number 88-0600)
-
Model number
38195 -
Serial number
69000001 - 69999999 -
Product Name
CCR 1000 Snowthrower -
Product Brand
Toro -
Product Type
Snowthrowers -
Product Series
Snowthrower, Single Stage, CCR 1000/2400/2500 -
Chassis Type
Single Stage -
Swath
20 inch -
Discharge
Single Stage -
Engine/Motor Manufacturer
Tecumseh -
Engine/Motor Size
3 hp -
Engine/Motor Type
2 Cycle -
Engine Starter
Recoil -
Transmission Type
NA
-
Engine: Engine Oil Type
Toro 2 cycle / NMMA-TCW3 -
Engine: Engine Speed
4500±200 RPM -
Engine: Ignition Coil Air Gap
.013" / .33mm -
Engine: Mix Ratio
50:1 (2.6 oz./gal.) Orig. 32:1 -
Engine: Spark Plug
Champion RCJ8Y -
Engine: Spark Plug Gap
.030"/ .76mm









