Workman 3200 with Bed
Product Information
- Model number: 07361TC
- Serial number: 240000001 - 240999999
- Product Type: Vehicles
Loading...
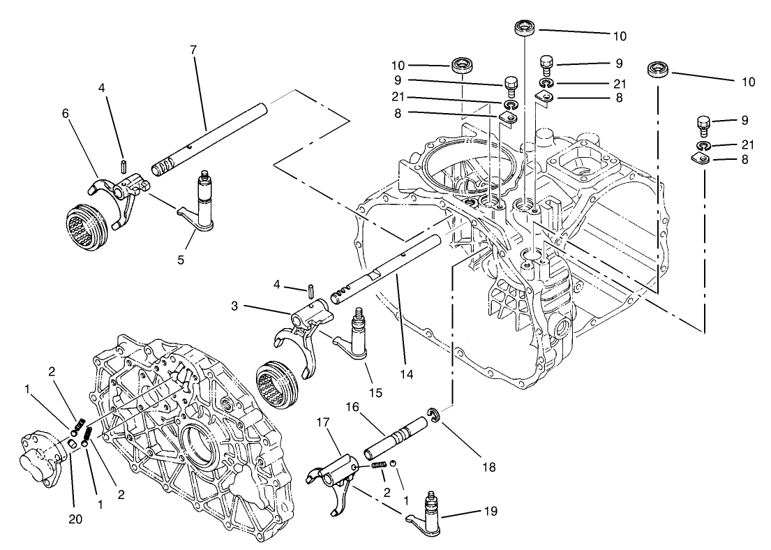
Assembly Drawings
Search for a part within assembly drawings:
-
Service Manual
-
Operator's Manual
-
Parts Catalogue
-
EU Declaration of Conformity
-
Service Bulletin
-
Model number
07361TC -
Serial number
240000001 - 240999999 -
Product Name
Workman 3200 with Bed -
Product Brand
Toro -
Product Type
Vehicles -
Product Series
Workman Series























































