521 Snowthrower
Product Information
- Model number: 38056
- Serial number: 6000001 - 6999999
- Product Type: Snowthrowers
Loading...
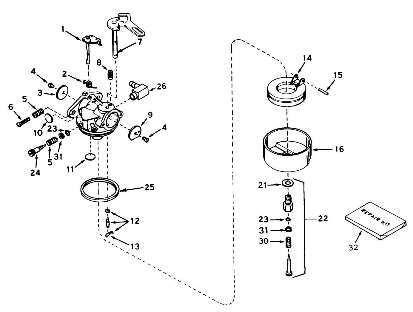
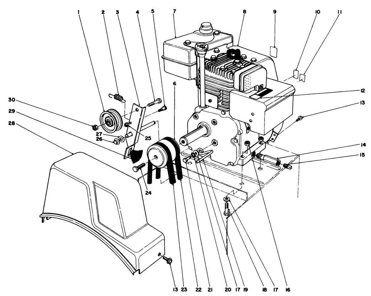
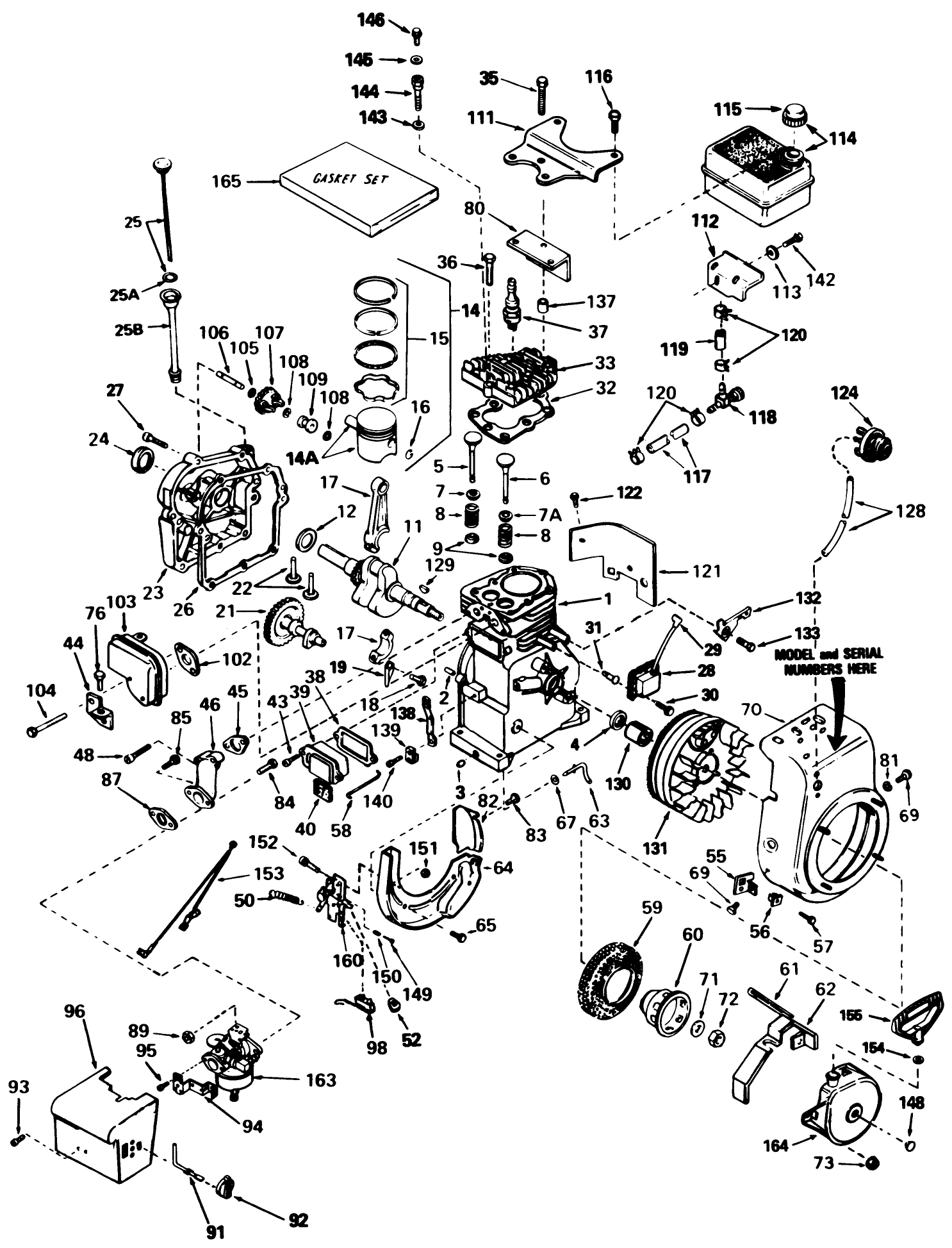
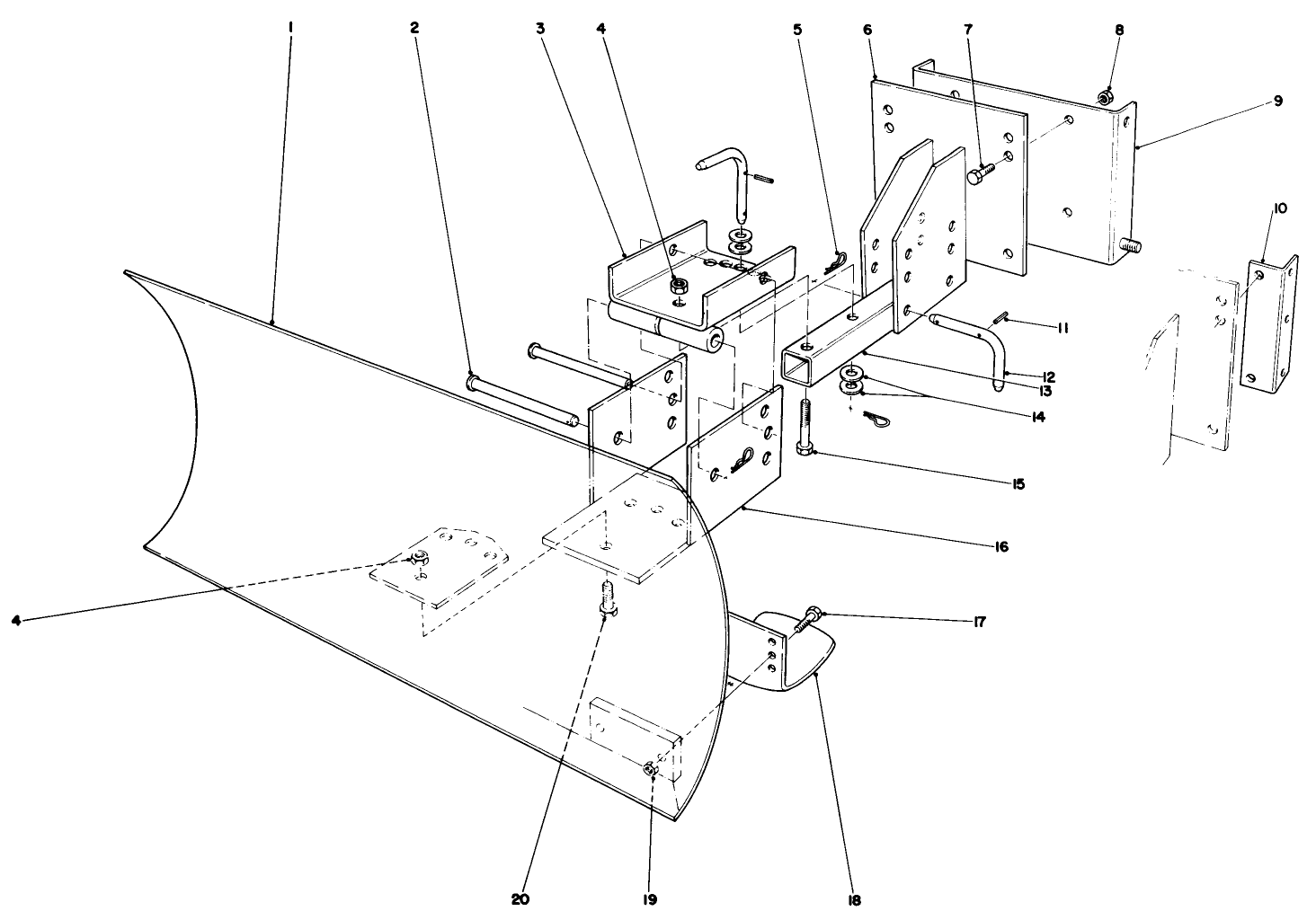
Assembly Drawings
Search for a part within assembly drawings:
Tire Chains (Part number 37-7010)
30" Grader Blade (Part number 39-8100)
Light Kit (Part number 54-9821)
Light Kit (Part number 54-9822)
Tire Chains (Part number 62-7630)
Snow Cab (Part number 88-0600)
-
Model number
38056 -
Serial number
6000001 - 6999999 -
Product Name
521 Snowthrower -
Product Brand
Toro -
Product Type
Snowthrowers -
Product Series
Snowthrower, Two Stage Small Frame -
Swath
21 inch -
Discharge
Two Stage -
Engine/Motor Manufacturer
Tecumseh -
Engine/Motor Size
5 hp -
Engine/Motor Type
4 Cycle -
Engine Starter
Recoil -
Transmission Type
Friction Disc
-
Chassis: Tire Pressure
7-15 PSI / .5-1kg sq. cm -
Drive System: Gearbox Lubricant
7 oz. (198gm) Lubriplate MAG-1 -
Drive System: Ground Speed
Fwd. .9 / 1.3 / 1.9 / 2.9 Rev. 1.3 mph -
Engine: Engine Oil Type
21 oz. (.62l) 5w-30 or 10w / API SH or higher -
Engine: Engine Speed
High 3300, Low 2200±150 RPM -
Engine: Ignition Coil Air Gap
.013" / .33mm -
Engine: Spark Plug
Champion RJ19LM -
Engine: Spark Plug Gap
.030"/ .76mm








