1132 Power Shift Snowthrower
Product Information
- Model number: 38565
- Serial number: 8000001 - 8999999
- Product Type: Snowthrowers
Loading...
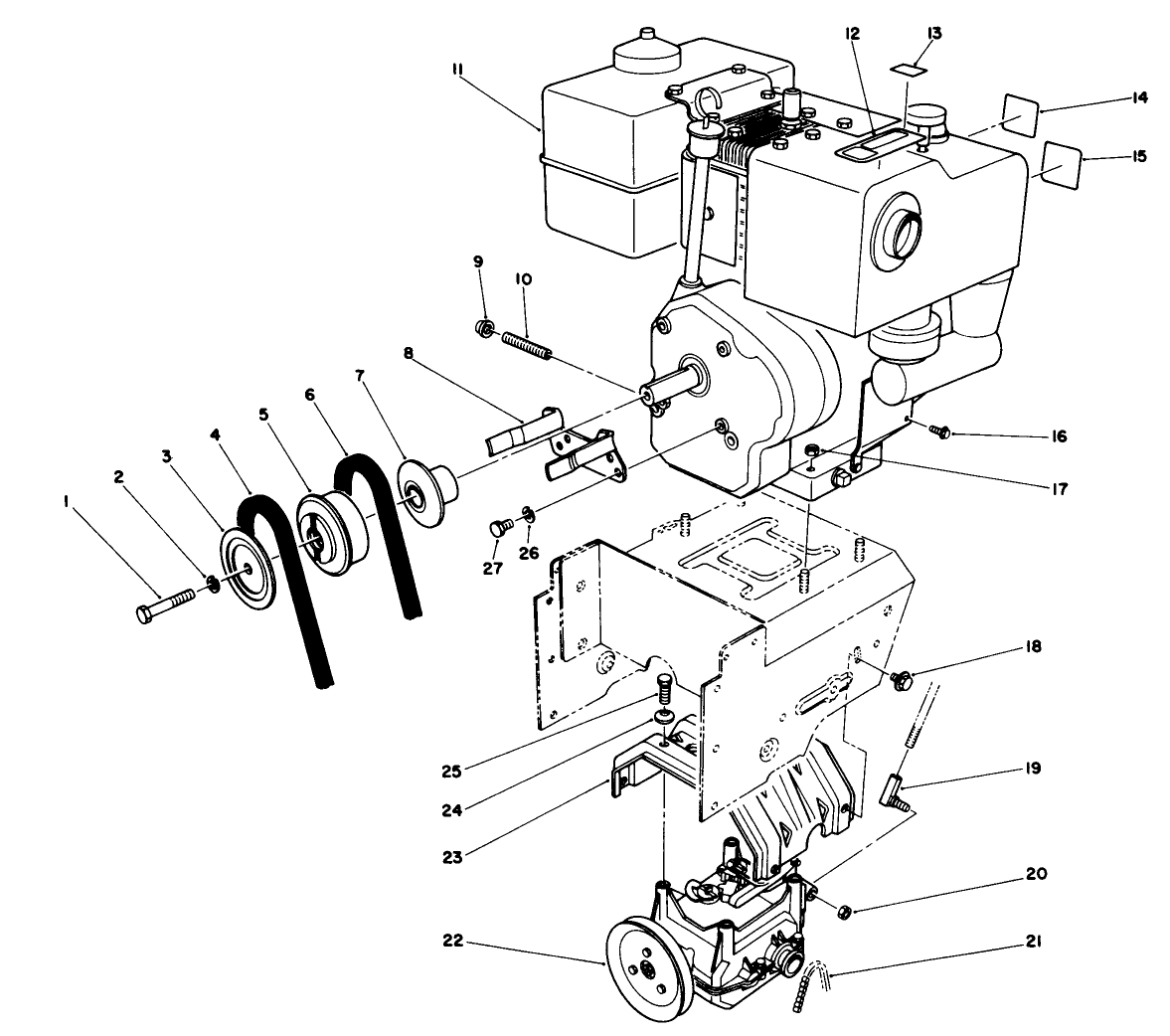
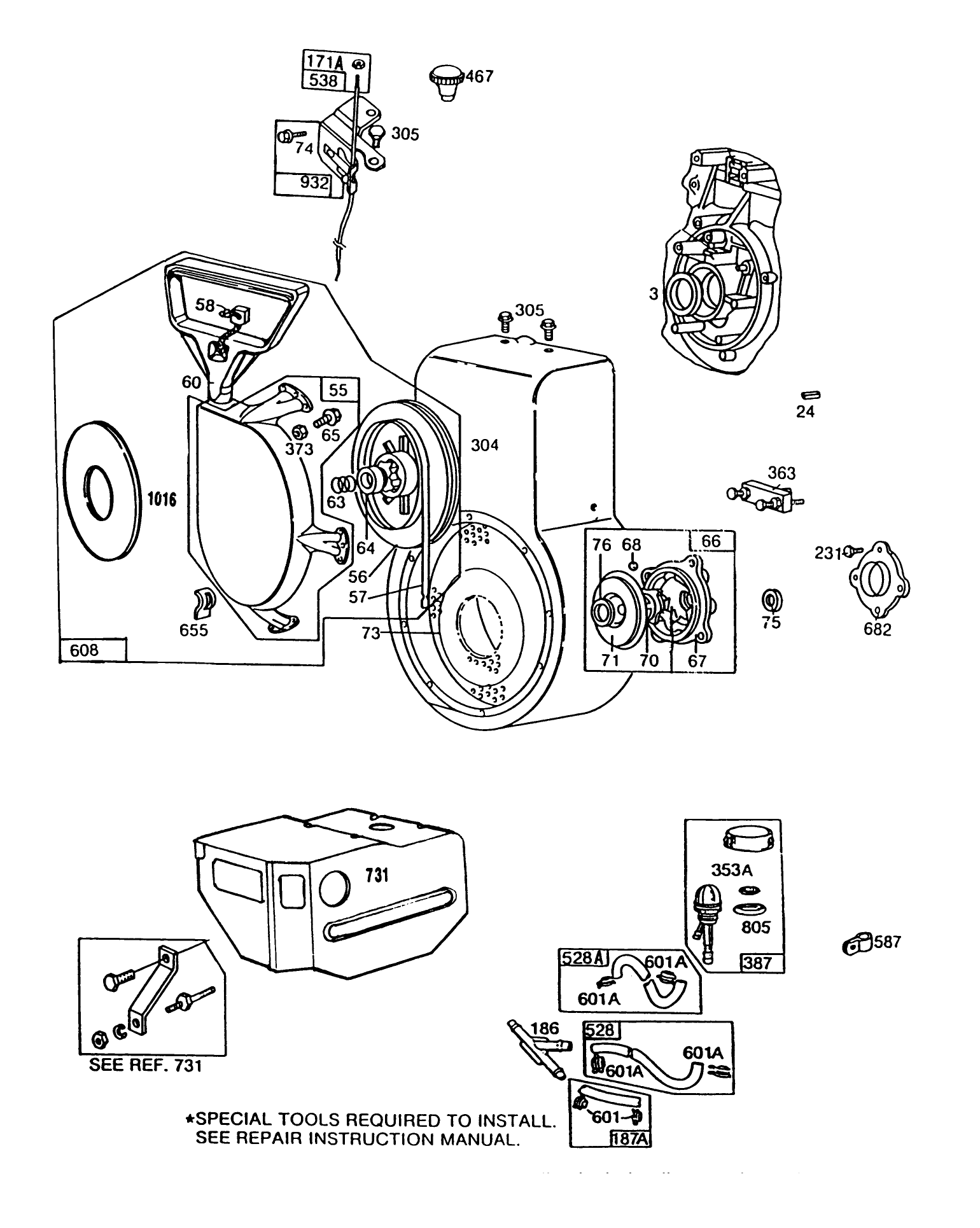
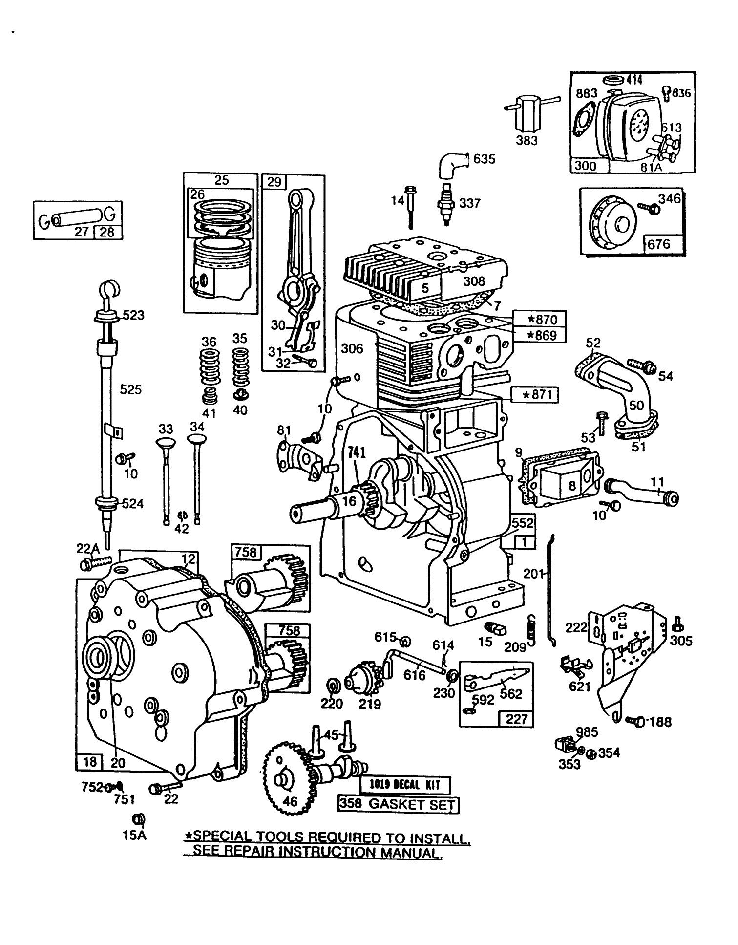
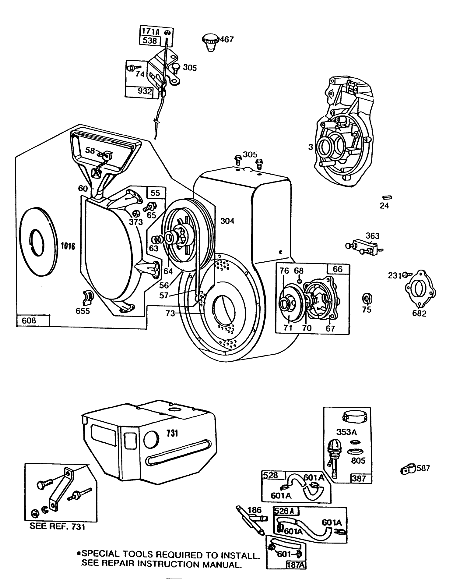
Assembly Drawings
Search for a part within assembly drawings:
-
Service Manual
-
Operator's Manual
-
Parts Catalogue
110 VAC Electric Starter Kit (Part number 37-4630)
Tire Chains (Part number 63-3040)
Snow Cab (Part number 66-6200)
Light Kit (Part number 66-7940)
Drift Breaker (Part number 66-7980)
-
Model number
38565 -
Serial number
8000001 - 8999999 -
Product Name
1132 Power Shift Snowthrower -
Product Brand
Toro -
Product Type
Snowthrowers -
Product Series
Snowthrower, Two Stage Power Shift -
Chassis Type
Two Stage -
Swath
32 inch -
Discharge
Two Stage -
Engine/Motor Manufacturer
Briggs & Stratton -
Engine/Motor Size
11 hp -
Engine/Motor Type
4 Cycle -
Engine Starter
Recoil -
Transmission Type
Gear
-
Drive System: Gearbox Lubricant
Auger 4.5 oz. (133ml) SAE 90 Gl-5 or 6 / Trans. 14.5 oz. (411.8 gm) Lubriplate Mag 1













