Workman MD Utility Vehicle
Product Information
- Model number: 07279
- Serial number: 290000001 - 290999999
- Product Type: Vehicles
Loading...
Assembly Drawings
Search for a part within assembly drawings:
-
Service Manual
-
Operator's Manual
-
Parts Catalogue
-
Service Bulletin
Roll-Over Protection System, Workman 1100/2100/e2000 Series and Twiste (Part number 07276)
Receiver Hitch Kit, Workman 1100/2100/2110 and Twister 1400/1600 Utili (Part number 07278)
Stake Side Kit, Workman 1100/2100 and Twister Utility Vehicle (Part number 07290)
Portable Refreshment Center, Workman 2100 (Part number 07298)
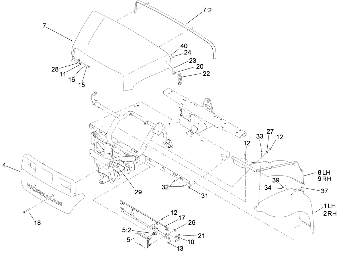
Canopy Kit, Workman MD/MDX/MDE Utility Vehicle (Part number 07324)
Solid Windshield Kit, Workman MD/MDX/MDE Utility Vehicle (Part number 07325)
Folding Windshield Kit, Workman MD/MDX/MDE Utility Vehicle (Part number 07326)
Snow Plow, Workman MD/MDX/MDE Utility Vehicle (Part number 07327)
Hard Cab, Workman MD/MDX/MDE Utility Vehicle (Part number 07328)
Heavy-Duty Bumper Kit, Workman MD/MDX/MDE Utility Vehicle (Part number 07329)
Rear Lift Kit, Workman MD/MDX Utility Vehicle (Part number 07334)
Electric Bed Lift Kit, Workman MD/MDX Utility Vehicle (Part number 07335)
Vinyl Enclosure, Workman MD/MDX/MDE Utility Vehicle (Part number 07337)
Heavy-Duty Brushguard and Bumper Kit, Workman MD/MDX/MDE Utility Vehic (Part number 07338)
SLANT BOARD-MD WORKMAN (Part number 07340)
Sliding Window Door Kit, Workman MD/MDX/MDE Utility Vehicle (Part number 07352)
Fixed Window Door Kit, Workman MD/MDX/MDE Utility Vehicle (Part number 07353)
Brake and Signal Light Kit, Workman MD/MDX Vehicle (Part number 115-7749)
Lift Wire Harness Kit, Workman MD/MDX Vehicle (Part number 115-7823)
Backup Alarm Kit, Workman MD/MDX Vehicle (Part number 115-7824)
Horn Kit, Workman MD/MDX/HD/HDX/HDX-D Vehicle (Part number 115-7825)
-
Model number
07279 -
Serial number
290000001 - 290999999 -
Product Name
Workman MD Utility Vehicle -
Product Brand
Toro -
Product Type
Vehicles -
Product Series
Workman Series































