Generator, T1200
Product Information
- Model number: 62012
- Serial number: 3000001 - 3999999
- Product Type: Misc
Loading...
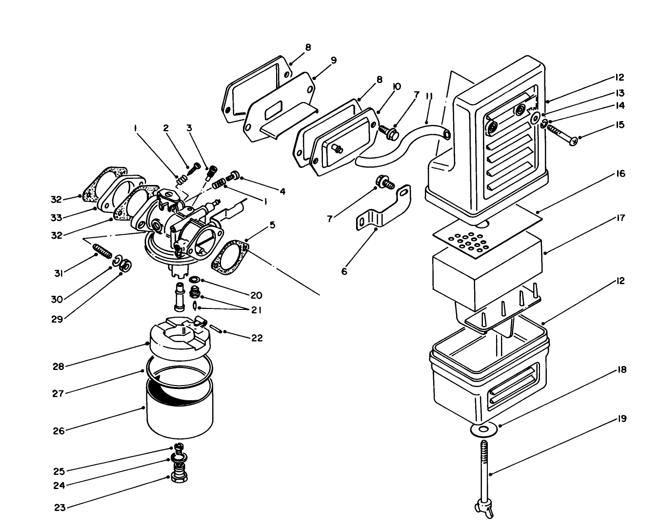
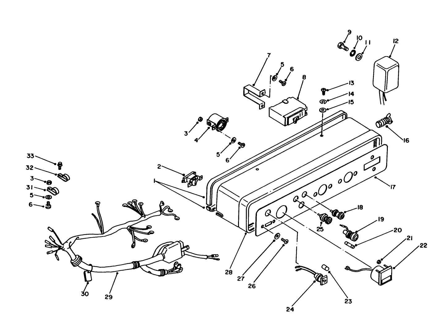
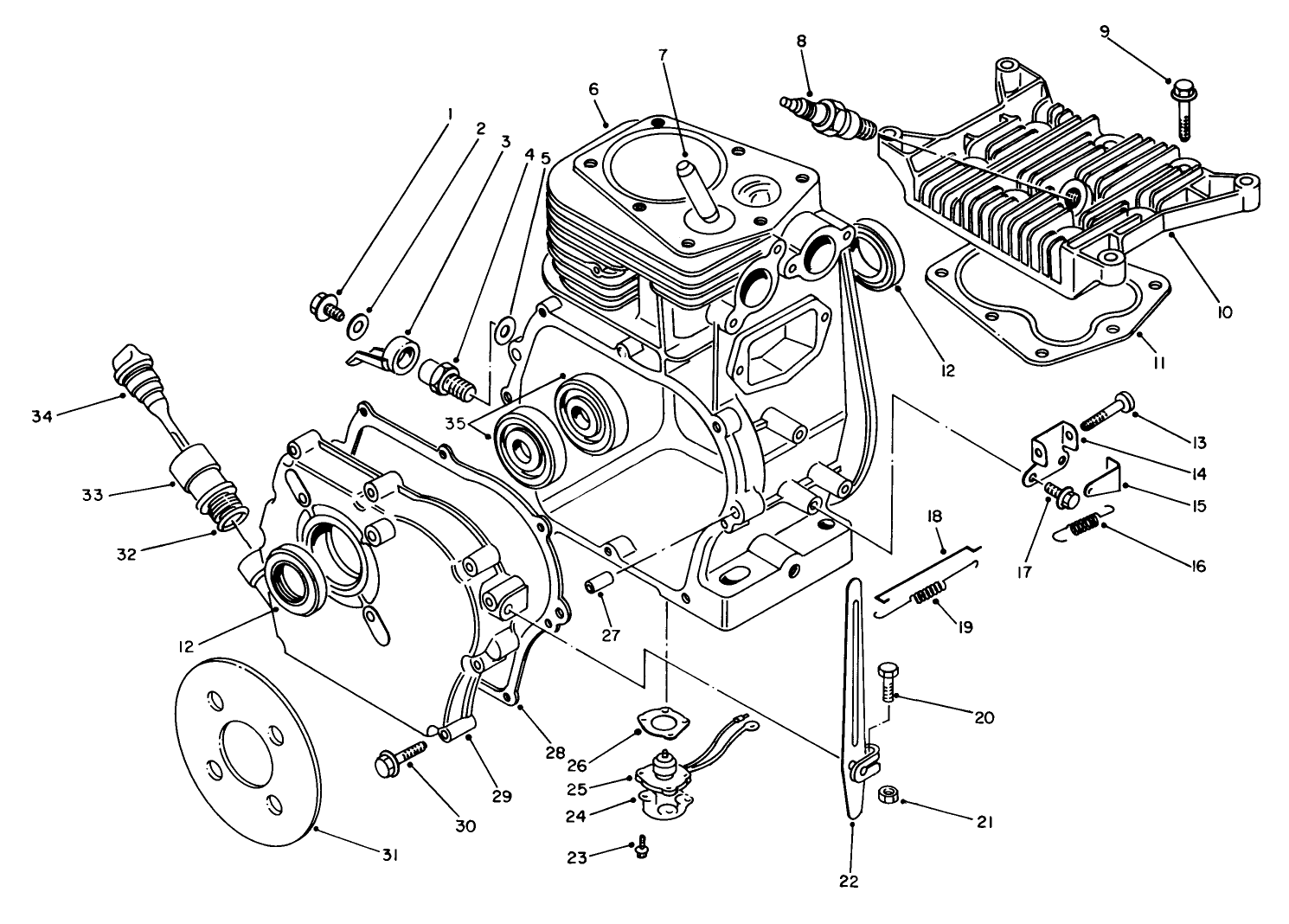
Assembly Drawings
Search for a part within assembly drawings:
-
Service Manual
-
Parts Catalogue
-
Model number
62012 -
Serial number
3000001 - 3999999 -
Product Name
Generator, T1200 -
Product Brand
Toro -
Product Type
Misc -
Product Series
Generators -
Engine/Motor Manufacturer
Suzuki -
Engine/Motor Size
2.5 hp -
Engine/Motor Type
4 Cycle -
Engine Starter
Recoil







