212-5 Tractor
Product Information
- Model number: R2-12O501
- Serial number: 1000001 - 1999999
- Product Type: Riding Products
Loading...
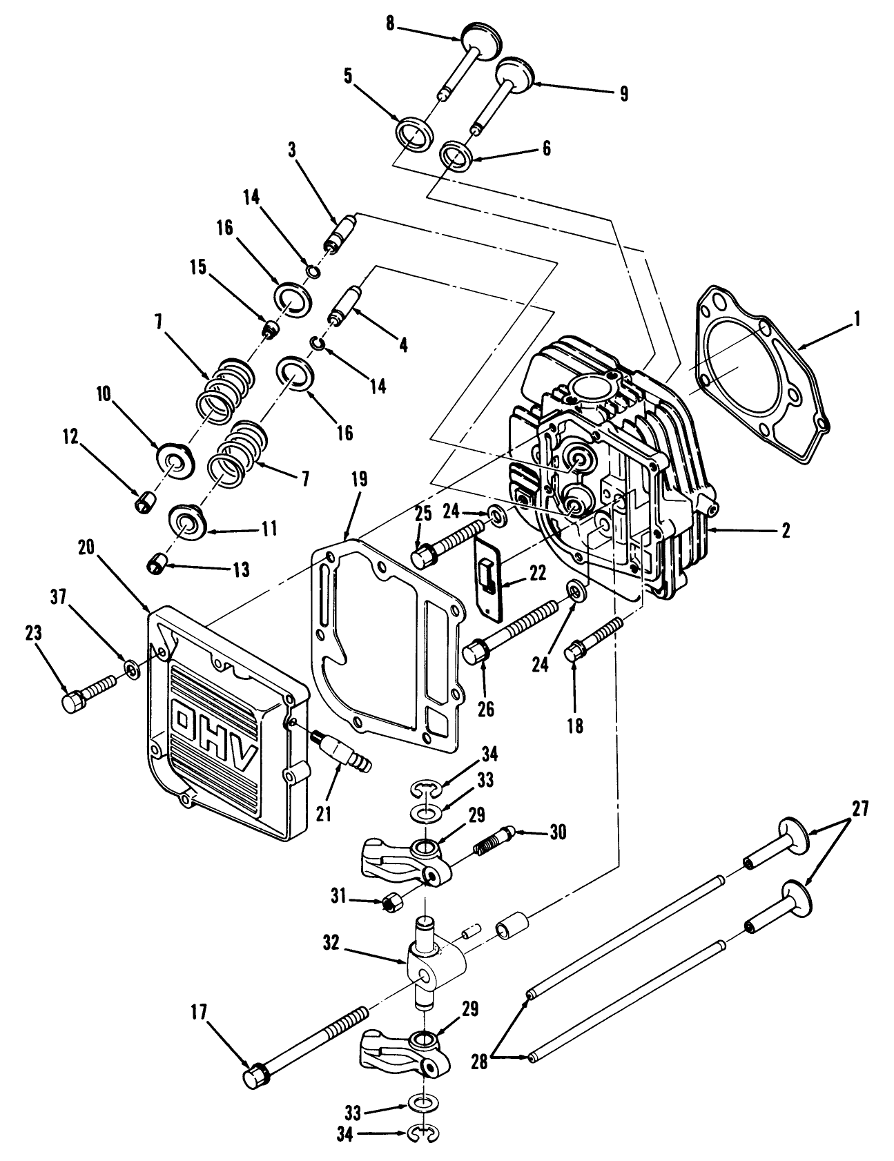
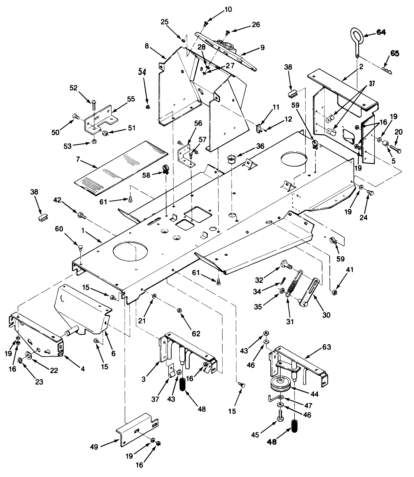
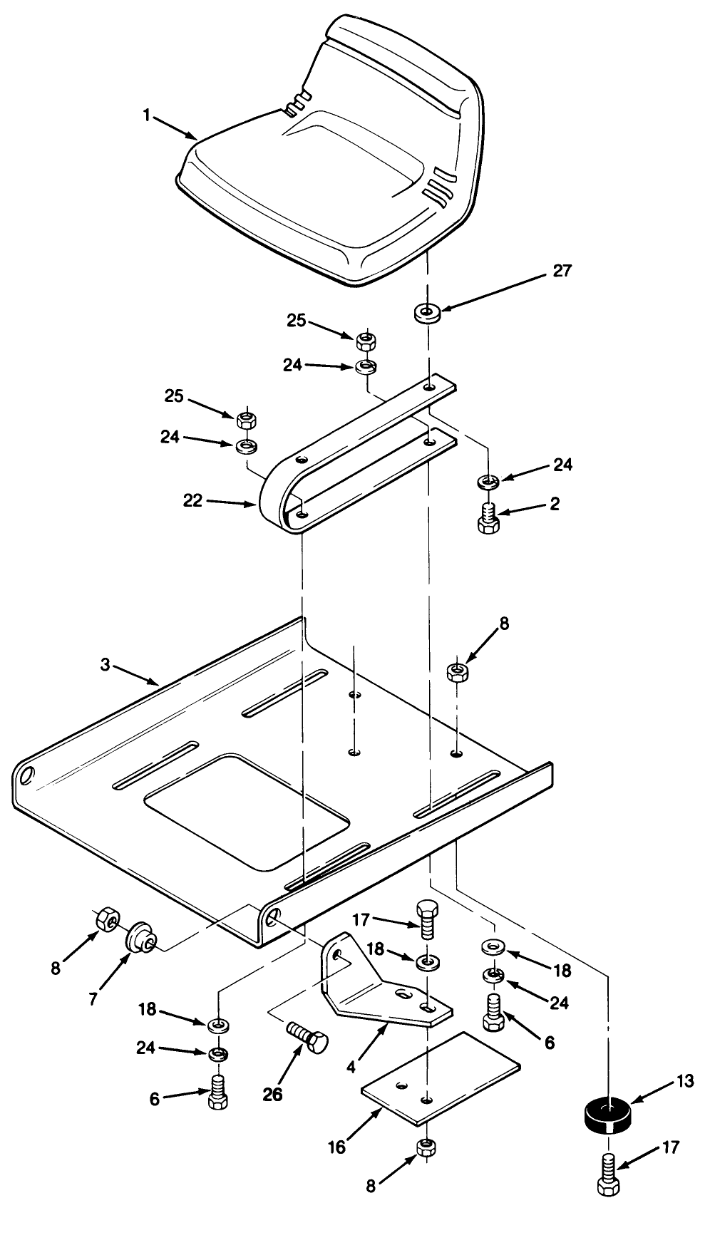
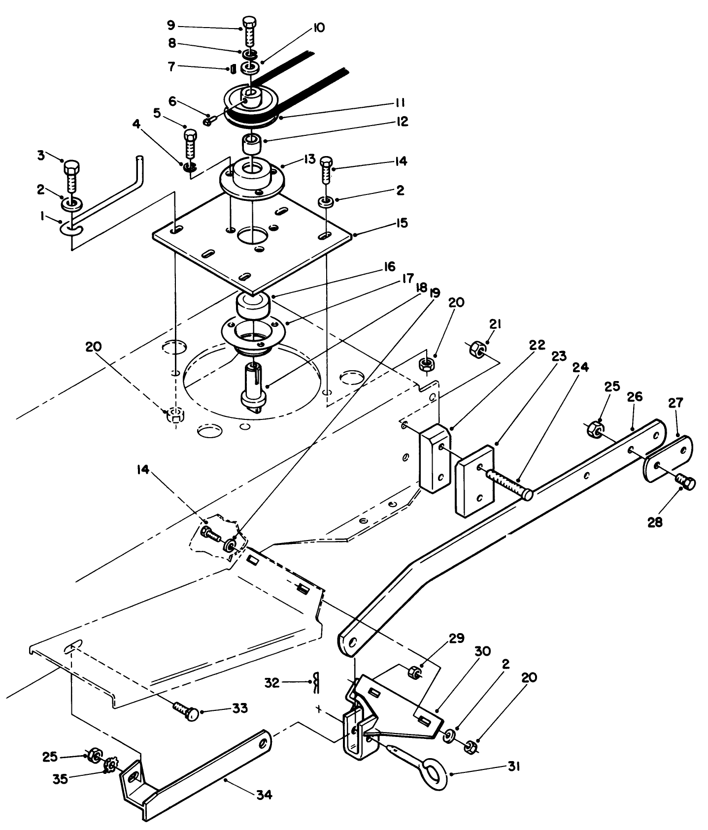
Assembly Drawings
Search for a part within assembly drawings:
-
Service Manual
-
Operator's Manual
-
Parts Catalogue
36" Snowthrower (Part number 06-36SL02)
Power Grass Collector (Part number 07-31PS01)
42" Snow Blade (Part number 16-42BL02)
6.0 cu. ft. Easy-Empty Grass Catcher-38" (Part number 27-06BL02)
30" Side Discharge Mower (Part number 35-30SL01)
36" Rear Discharge Mower (Part number 35-36RL02)
Recycler Kit - 38" Mower (Part number 86032)
32" Lambert Sweeper (Part number MT319A)
Dump Cart (Part number P7-10KC01)
38" Lambert Sweeper (Part number WH481)
-
Model number
R2-12O501 -
Serial number
1000001 - 1999999 -
Product Name
212-5 Tractor -
Product Brand
Toro -
Product Type
Riding Products -
Product Series
Lawn Tractor, 200 Series -
Swath
Deck Optional -
Discharge
Deck Optional -
Engine/Motor Manufacturer
Toro Power Plus/Onan -
Engine/Motor Size
12.5 hp -
Engine/Motor Type
4 Cycle -
Engine Starter
Electric -
Transmission Type
Gear
-
Chassis: Tire Pressure
12 PSI / .5kg sq. cm -
Drive System: Ground Speed
Fwd. 1.1 - 5.0 Rev. 2.4 mph -
Engine: Battery
12V 160CCA -
Engine: Engine Speed
High 3300, Low 1500 RPM -
Engine: Spark Plug
NGK BPR4HS10 -
Engine: Spark Plug Gap
.035"/ .9mm

























