Cortacésped giro cero TimeCutter® Max MyRide® de 50" (127 cm)
Información sobre productos
- Nº Modelo: 77502
- Nº Serie: 419002102 - 419999999
- Tipo de producto: Riding Products
Cargando...
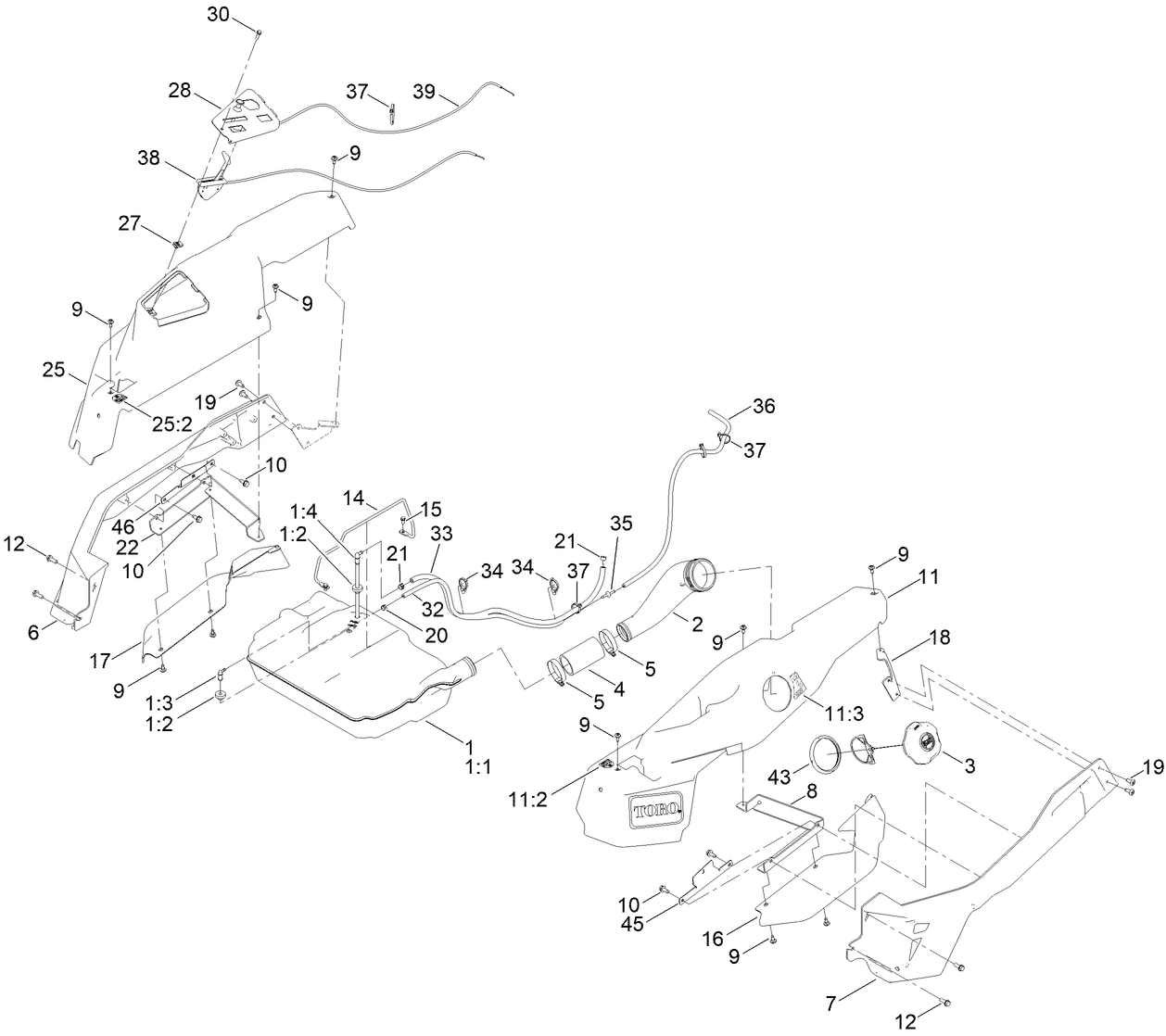
Dibujos de ensamblaje
Buscar una piezas en los dibujos de ensamblaje:
-
Manual del operador
-
Catálogo de piezas
-
Garantía del Producto
-
Instrucciones de montaje
Jack Kit, Zero-Turn-Radius Side-Discharge or Rear-Discharge Riding Mow (Pieza Nº 127-6666)
4-CYCLE FUEL, SNOW AND LAWN, 32OZ CAN (Pieza Nº 131-3823)
Toro Premium Fuel Treatment (Pieza Nº 131-6572)
OIL-30/10W-30 SYNTHETIC (Pieza Nº 138-6053)
50" RECYCLER KIT (Pieza Nº 139-3240)
50 INCH BAGGING ENHANCEMENT KIT (Pieza Nº 139-7459)
LED LIGHT KIT (Pieza Nº 147-8757)
FLOORMAT KIT (Pieza Nº 147-8764)
KIT-CASTER WHEEL (Pieza Nº 147-8772)
ARM REST KIT (Pieza Nº 147-8773)
KIT-STRIPING, 50" (Pieza Nº 147-8779)
KIT, HOUR METER (Pieza Nº 147-8791)
COVER-MWR (Pieza Nº 148-0276)
MOUNT, JACK (Pieza Nº 148-1283)
ASSIST BAR KIT (Pieza Nº 161-4450)
TRANSPORT LOCK KIT (Pieza Nº 161-4510)
HEAVY DUTY SPRING KIT (Pieza Nº 161-4525)
10W30 4-CYCLE ENGINE OIL 32 OZ BOTTLE (Pieza Nº 38280)
TORO 4-CYCLE SAE 30 OIL (32OZ BOTTLE) (Pieza Nº 38903)
Toro Deluxe Z Cover (Pieza Nº 490-7319)
BELT-DECK, 50 TCSS (Pieza Nº 79006)
BLADE KIT - TIMECUTTER 50IN (Pieza Nº 79016P)
ROPS Kit, TimeCutter Max or Titan Riding Mower (Pieza Nº 79487)
KIT-SLOPE SENSOR (Pieza Nº 79489)
Ensacador doble TimeCutter de 50" (127 cm) / 54" (137 cm) (Pieza Nº 79501)
El Ensacador doble TimeCutter de Toro con su capacidad de 6.43 bushel (227 litros) permite terminar rápidamente con los recortes de hierba o las hojas caídas. Una vez emparejado con una de las carcasas de descarga superior de Toro, su rendimiento es insuperable. Se monta fácilmente y una vez realizada la instalación inicial, puede ser retirado y reinstalado sin necesidad de herramientas. Incluye ensacador, kit de montaje y contrapesos delanteros.
-
Nº Modelo
77502 -
Nº Serie
419002102 - 419999999 -
Nombre del producto
Cortacésped giro cero TimeCutter® Max MyRide® de 50" (127 cm) -
Marca del producto
Toro -
Tipo de producto
Riding Products -
Tipo de chasis
ZRT - Consumer -
Anchura
50 inch -
Descarga
Side Discharge -
Fabricante del motor
Kawasaki -
Potencia del motor
726cc -
Tipo de motor
4 Cycle -
Sistema de arranque del motor
Electric -
Tipo de transmisión
Hydrostatic -
Sistema de tracción
Rear WD


















