Trancheuse à conducteur marchant TRX-16 (22972)
Informations produit
- Nº de modèle : 22972
- N° de série : 404800000 - 410479999
- Type de produit : Trenchers
Chargement...
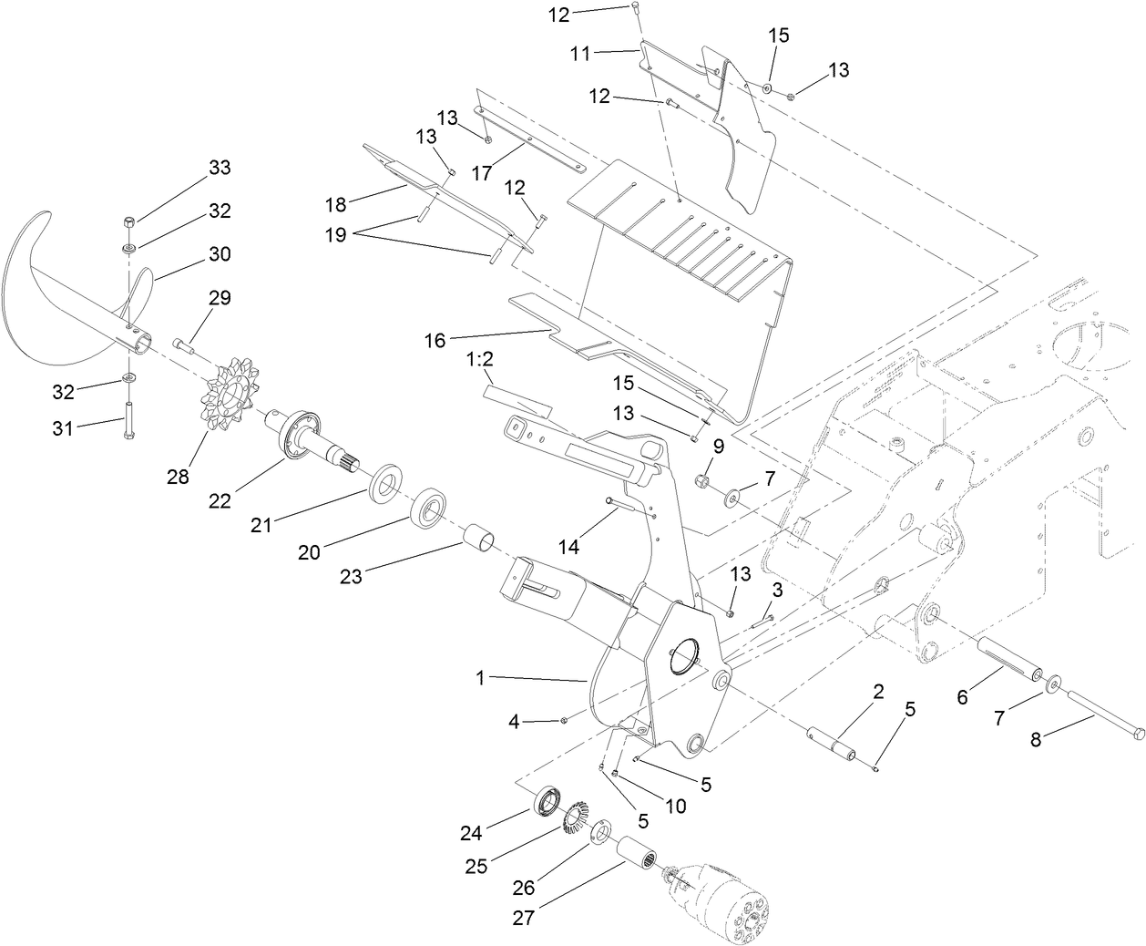
Schémas d’assemblage
Rechercher une pièce dans des schémas d'assemblage :
-
Manuel de l'utilisateur
-
Catalogue de pièces haute
-
Garantie produit
-
Déclaration de conformité UE / RU
ASM-TRAILER (N° de référence 115-4802)
PX HYD FLUID (5 GAL) (N° de référence 133-8086)
PX HYD FLUID (55 GAL) (N° de référence 133-8087)
OIL-30/10W-30 SYNTHETIC (N° de référence 138-6053)
PX HYDRAULIC FLUID-4 PK GALLON (N° de référence 138-9460)
KIT-SPARE TIRE AND MOUNT (N° de référence 164-1449)
Barre profileuse de trancheuse (N° de référence 22477)
Accessoire de trancheuse pour nettoyer les tranchées.
Chaîne pour terre 61 cm x 10 cm (N° de référence 22480)
Chaîne 2 pas avec espacement des dents à 4 pas (24 voies).
Chaîne mixte 61 cm x 10 cm (N° de référence 22481)
Chaîne 2 pas avec dents pour terre et roche (24 voies).
Chaîne pour roche 61 cm x 10 cm (N° de référence 22482)
Chaîne Shark soudée, 100 % dents pour roche (24 voies).
Chaîne pour terre 61 cm x 15 cm (N° de référence 22483)
Chaîne double pas avec espacements des dents de 4 pas (24 stations)
Chaîne mixte 61 cm x 15 cm (N° de référence 22484)
Chaîne 2 pas avec dents terre et roche (24 stations).
Chaîne pour roche 61 cm x 15 cm (N° de référence 22485)
Chaîne Shark soudée, 100 % dents pour roche (24 voies).
Chaîne pour terre 91 cm x 10 cm (N° de référence 22486)
Chaîne 2 pas avec espacements des dents de 4 pas (32 stations)
Chaîne mixte 91 cm x 10 cm (N° de référence 22487)
Chaîne double pas avec dents terre et roche (32 stations).
36in x 4in Rock Tooth Chain (N° de référence 22488)
Chaîne pour roche 91 cm x 15 cm (N° de référence 22489)
Chaîne Shark soudée, 100 % dents pour roche (32 voies).
Chaîne pour terre 91 cm x 15 cm (N° de référence 22490)
Chaîne 2 pas avec espacements des dents de 4 pas (32 stations)
Chaîne mixte 91 cm x 15 cm (N° de référence 22491)
Chaîne double pas avec dents terre et roche (32 stations).
Chaîne pour terre 122 cm x 10 cm (N° de référence 22492)
Chaîne 4 pas avec espacements des dents de 4 pas (20 stations)
48in x 4in Combination Chain (N° de référence 22493)
Chaîne pour terre 122 cm x 15 cm (N° de référence 22494)
Chaîne 4 pas avec espacements des dents de 4 pas (20 stations)
Chaîne mixte 122 cm x 15 cm (N° de référence 22495)
Chaîne 4 pas avec dents terre et roche (20 stations).
24IN X 4IN BULLET CHAIN (N° de référence 22496)
24IN X 6IN BULLET CHAIN (N° de référence 22497)
36IN X 4IN BULLET CHAIN (N° de référence 22498)
36IN X 6IN BULLET CHAIN (N° de référence 22499)
Rampe de 61 cm (N° de référence 22975)
Flèche de trancheuse de 61 cm (24 po)
Rampe de 91 cm (N° de référence 22976)
Flèche de trancheuse de 122 cm (36 po)
Rampe de 122 cm (N° de référence 22977)
Flèche de trancheuse de 122 cm (48 po)
Tête de forage (N° de référence 22978)
Tête de forage pour trancheuses TRX (22972, 22983, 22984)
Lame de remblayage (N° de référence 22980)
Lame de remblayage pour trancheuses TRX (22972, 22983, 22984)
10W30 4-CYCLE ENGINE OIL 32 OZ BOTTLE (N° de référence 38280)
SCREEN - SPARK ARRESTOR (N° de référence 94-8157)
-
Nº de modèle
22972 -
N° de série
404800000 - 410479999 -
Nom du produit
Trancheuse à conducteur marchant TRX-16 (22972) -
Marque du produit
Toro -
Type de produit
Trenchers -
Fabricant du moteur
Kawasaki -
Taille de moteur
16 hp -
Type de moteur
4 Cycle -
Démarreur
Recoil -
Type de transmission
Hydrostatic

















