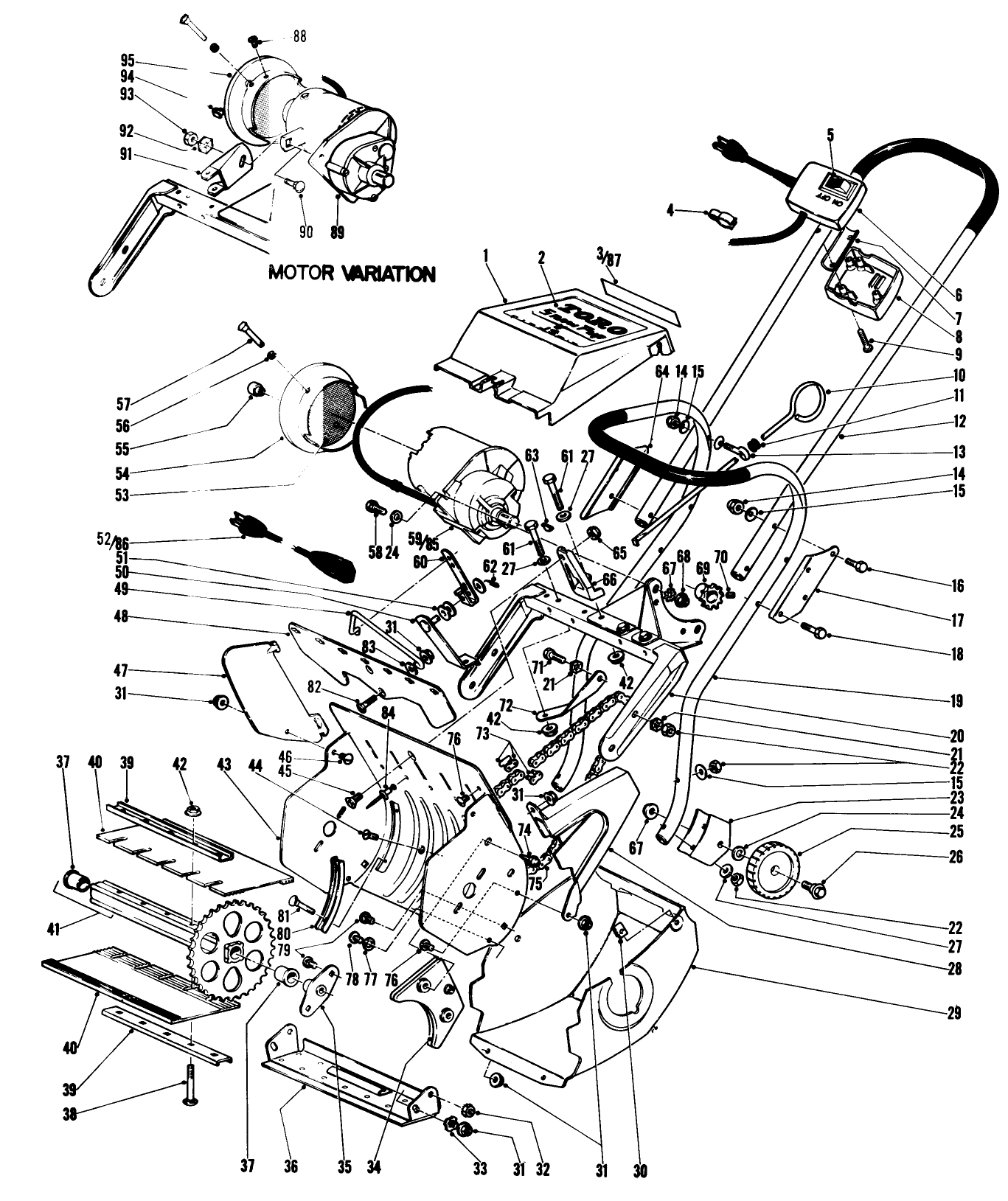
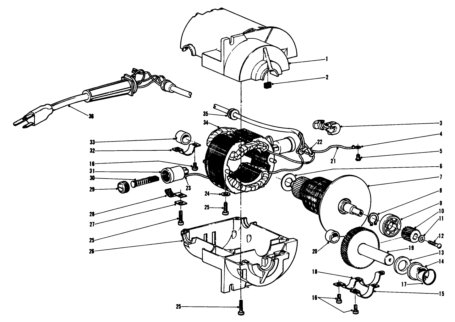
Replacement Deck
Informations produit
- Numéro de modèle : 31451
- Numéro de série : 8000001 - 8999999
- Type de produit : Snowthrowers
Chargement...
Schémas d'assemblage
Rechercher une pièce dans des schémas d'assemblage :
-
Numéro de modèle
31451 -
Numéro de série
8000001 - 8999999 -
Nom du produit
Replacement Deck -
Marque du produit
Toro -
Type de produit
Snowthrowers -
Série de produit
Snowthrower, Electric -
Type de Châssis
Single Stage -
Largeur de travail
14 inch -
Éjection
Single Stage -
Taille de moteur
13 amp -
Type de moteur
120 VAC -
Démarreur
NA -
Type de transmission
NA



