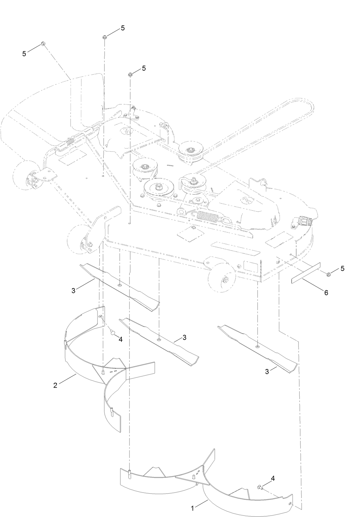
60 inch TimeCutter Recycler Kit
Informations produit
- Numéro de modèle : 139-3290
- Numéro de série : None - None
- Type de produit : Riding Products
Chargement...
Schémas d'assemblage
Rechercher une pièce dans des schémas d'assemblage :
-
Catalogue de pièces
-
Instructions d'installation
-
Numéro de modèle
139-3290 -
Numéro de série
None - None -
Nom du produit
60 inch TimeCutter Recycler Kit -
Marque du produit
Toro -
Type de produit
Riding Products
