Souffleuse à neige à deux phases Power Max® HD 1232 OHXE de 81 cm (32 po) et 375 cm³, à essence et démarrage électrique
Informations produit
- Numéro de modèle : 38842
- Numéro de série : 415000000 - 999999999
- Type de produit : Snowthrowers
Chargement...
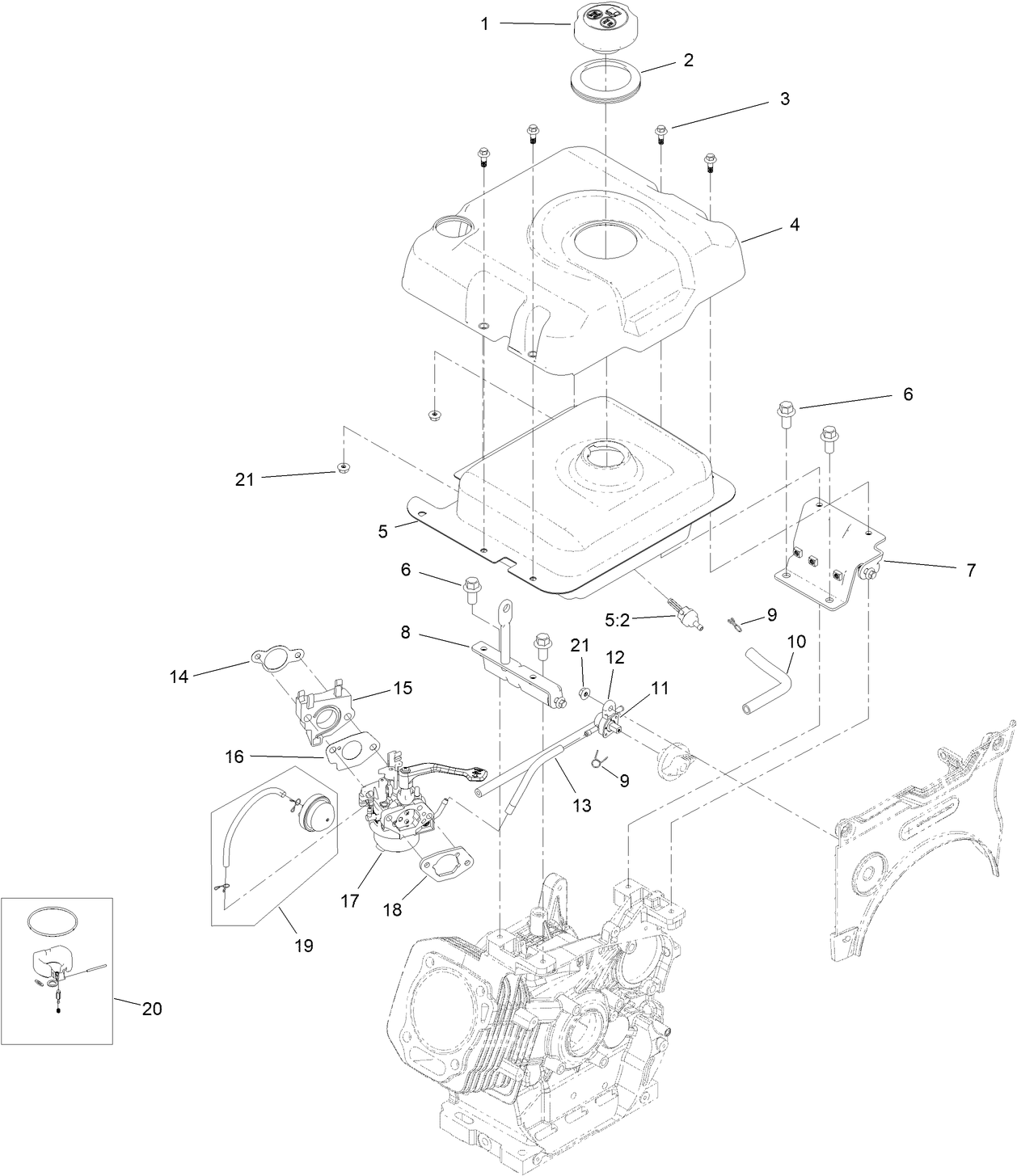
Schémas d'assemblage
Rechercher une pièce dans des schémas d'assemblage :
-
Manuel de l'utilisateur
-
Catalogue de pièces
-
Garantie produit
-
Guide de démarrage rapide
Cast Iron Skid Kit (Réf. 125-1104)
Replace your worn skid shoes with this replacement skid kit. The kit contains 2 skid and the needed hardware. Worn skid shoes can cause damage to your pavement so check them annually for needed replacement.
Kit cabine à neige pour souffleuse à neige (Réf. 127-5960)
La cabine pour souffleuse à neige Toro est le complément idéal pour votre souffleuse à neige Toro à 2 phases. Facile à installer, cette cabine vous protège des projections et des rafales de neige, du grésil et du vent, non seulement à l'avant mais aussi sur les côtés et le dessus. La cabine pour souffleuse à neige à neige Toro est dotée de vitres transparentes et résistantes aux chocs sur 3 côtés, ce qui confère une excellente visibilité. En outre, la matière vinyle, renforcée de nylon, est à la fois légère et solide et offre une excellente résistance aux déchirures, à l'abrasion, à la moisissure et à la pourriture. Le tout est conçu pour améliorer votre expérience du déneigement en vous offrant un confort accru.
Snow Blower Heated Grips (Réf. 131-6460)
Maintain precise control in the harshest of winter conditions with these Toro OEM heated handgrips. These easy to install handgrips feature an ergonomic design for comfort with sure-grip technology so your gloves maintain their grip.
Kit patins de rechange non-marquants de souffleuse à neige, pour modèles PowerMax (Réf. 38211)
Remplacez les patins usés de votre PowerMax avec ce kit de patins de rechange non-marquants. Le kit contient 2 patins, ainsi que les fixations nécessaires. Les patins usés peuvent endommager votre sol. Il est donc recommandé de les examiner tous les ans pour vérifier s'ils ont besoin d'être remplacés. Le patin Toro pour SnowMaster se compose en deux parties, avec un support métallique qui se fixe à la machine et un patin en polyéthylène qui protège le sol.
Kit brise-congères pour souffleuse à neige (Réf. 38213)
Ce kit brise-congères s'utilise sur les souffleuses à neige Power Max de 61 cm (24 po) et 66 cm (26 po). Il aide à briser les congères à l'avant du carter de tarière afin de minimiser l'accumulation de neige sur le dessus du carter. Ce brise-congère contribuera à optimiser les performances de votre souffleuse à neige Toro.
Chaînes antidérapantes pour souffleuse à neige de 40,6 cm (16 po) (Réf. 38215)
Les chaînes à pneus Toro vous donnent l'avantage sur les éléments climatiques. Elles fournissent la traction supplémentaire requise sur le verglas, la neige compactée ou profonde, et les surfaces irrégulières. L'espacement de 2 maillons de la conception Toro offre une surface de contact nettement accrue, pour assurer la meilleure adhérence possible en conditions difficiles. Faciles à installer, les chaînes toro sont un accessoire indispensable pour toute souffleuse à neige Power Max HD à deux phases, et sont spécialement conçues pour que votre machine Toro vous offre des performances optimales.
Huile moteur synthétique pour l’hiver 0W-30 (Réf. 38913)
L'huile moteur synthétique pour l’hiver Toro 0W-30 est conçue pour offrir de meilleures performances et faciliter le démarrage par températures extrêmement basses. L'huile d'hiver garantissant la plus grande facilité de démarrage par grand froid.
Housse de souffleuse à neige à deux phases (Réf. 490-7415)
Conçue pour protéger votre investissement, la housse de souffleuse à neige à deux phases Toro protège votre souffleuse à neige toute l'année. Les housses Toro sont fabriquées en polyester 600 deniers robuste, imperméable et résistant à la déchirure et à l'abrasion ; elles offriront des années de protection contre la neige, le soleil, les dégâts, la pluie et la poussière. Elles sont également dotées d'aérations afin de minimiser la condensation et l'accumulation de chaleur, et possèdent une ouverture élastique pour un ajustement parfait à la machine. Conçues pour les souffleuses à neige à 2 phases (et Snow Commander) d'une largeur de travail de 50,8 cm (28 po) ou plus.
-
Numéro de modèle
38842 -
Numéro de série
415000000 - 999999999 -
Nom du produit
Souffleuse à neige à deux phases Power Max® HD 1232 OHXE de 81 cm (32 po) et 375 cm³, à essence et démarrage électrique -
Marque du produit
Toro -
Type de produit
Snowthrowers -
Type de Châssis
Two Stage -
Largeur de travail
32 inch -
Éjection
Two Stage -
Fabricant du moteur
Toro -
Type de moteur
4 Cycle CARB -
Démarreur
Electric/Recoil -
Type de transmission
Friction Wheel -
Type de Traction
Rear WD
















