Groundsmaster 3400 4-Wheel Drive Traction Unit
- N.º do modelo: 30651
- N.º de série: 312000001 - 312999999
- Tipo de produto: Riding Products
A carregar...
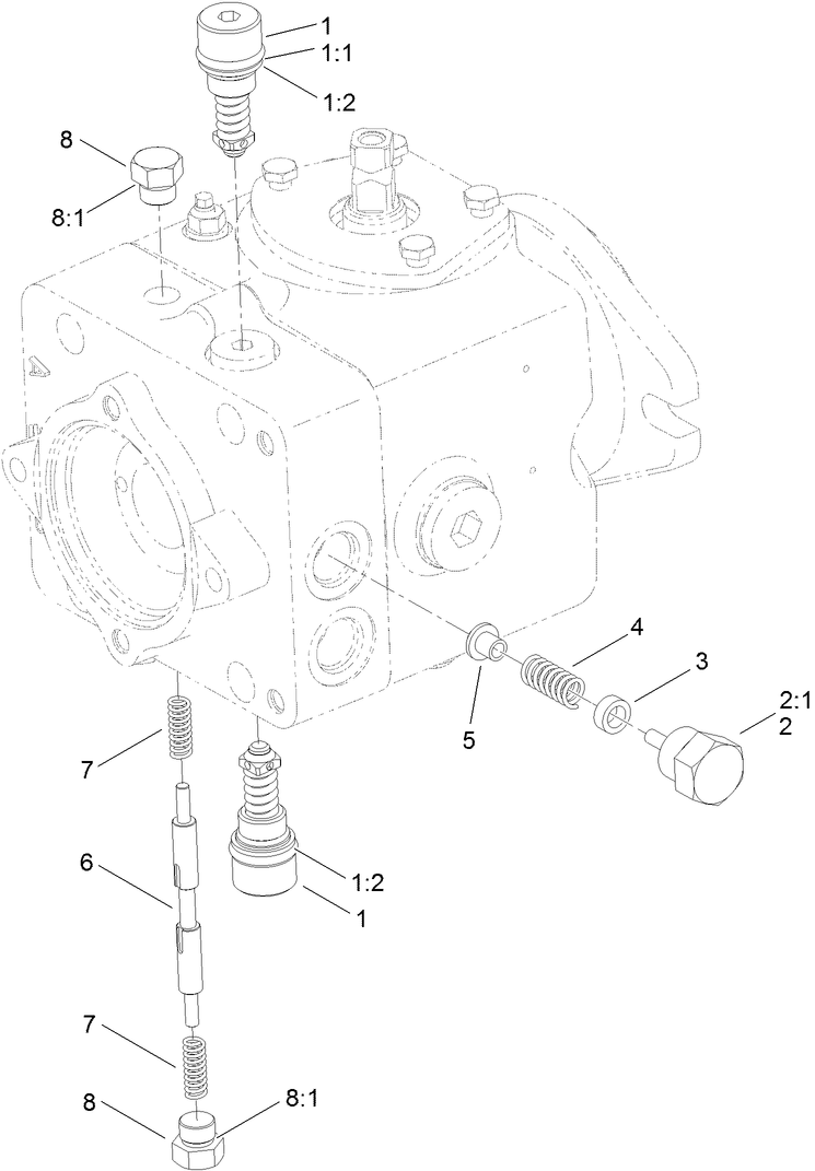
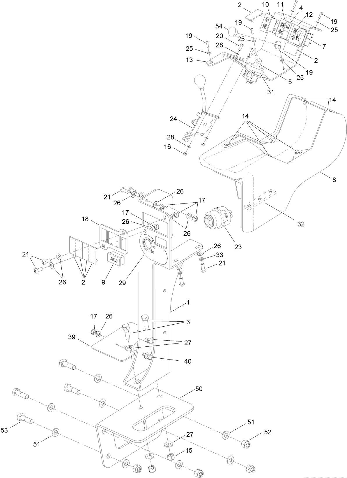
Esquemas de montagem
Procure uma peça nos esquemas de montagem:
-
Manual do utilizador
-
Declaração de conformidade
-
Catálogo de peças
-
N.º do modelo: 02865
Deluxe Replacement PVC Seat, LT3240 and T4240 Mowers -
N.º do modelo: 02866
Deluxe Replacement Fabric Seat, LT3240 and T4240 Mowers -
N.º do modelo: 02890
Cab Mauser KS-534 (Including Heater) -
N.º do modelo: 02891
Air Conditioning Kit -
N.º do modelo: 02892
AIR-CON FIT KIT - KUBOTA V1505 -
N.º do modelo: 02901
KIT BEACON CT2140 / 2120 -
N.º do modelo: 02902
KIT 12 VOLT ACCESSORY PORT -
N.º do modelo: 02903
KIT BLOWER CARRIER -
N.º do modelo: 02904
LSD Lock Kit -
N.º do modelo: 02905
KIT - ROPS ASSIST -
N.º do modelo: 02906
WASTE BIN KIT -
N.º do modelo: 02907
Toolbox Kit -
N.º do modelo: 02914
Kevlar Tyre Kit, LT Series Turf Mowers -
N.º do modelo: 02917
KIT - ROAD LIGHTS W/BRAKE LIGHTS GM34 -
N.º do modelo: 02980
TUV KIT - SPEED DECAL 20KPH -
N.º do modelo: 02983
TUV KIT - GERMAN VEHICLE SERIAL PLATE -
N.º do modelo: 111-4250
WARNING TRIANGLE -
N.º do modelo: 111-5628
TUV KIT INSTRUCTIONS -
N.º do modelo: 111-5906
TUV KIT INSTRUCTIONS -
N.º do modelo: 111-5935
FUSE-IN LINE -
N.º do modelo: 111-7101
SWITCH-LIFT, LOWER -
N.º do modelo: 30645
Base 62in Mower, Groundsmaster 3400 Traction Unit -
N.º do modelo: 30646
Base 72in Mower, Groundsmaster 3400 Traction Unit
-
N.º do modelo
30651 -
N.º de série
312000001 - 312999999 -
Nome do produto
Groundsmaster 3400 4-Wheel Drive Traction Unit -
Marca do produto
Toro -
Tipo de produto
Riding Products -
Série do produto
Groundsmaster 62" / 200 Series

















































