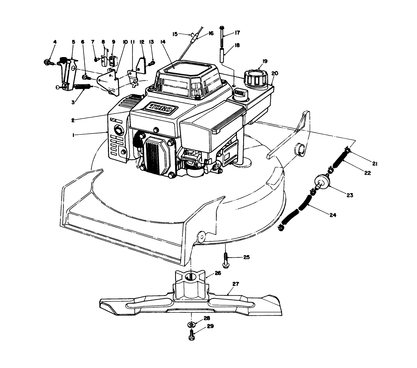
Lawnmower
Product Information
- Model #: 20526
- Serial #: 8000001 - 8999999
- Product Type: Walk Behind Mowers
Loading...
Assembly Drawings
Search for a part within assembly drawings:
-
Service Manual
-
Parts Catalog
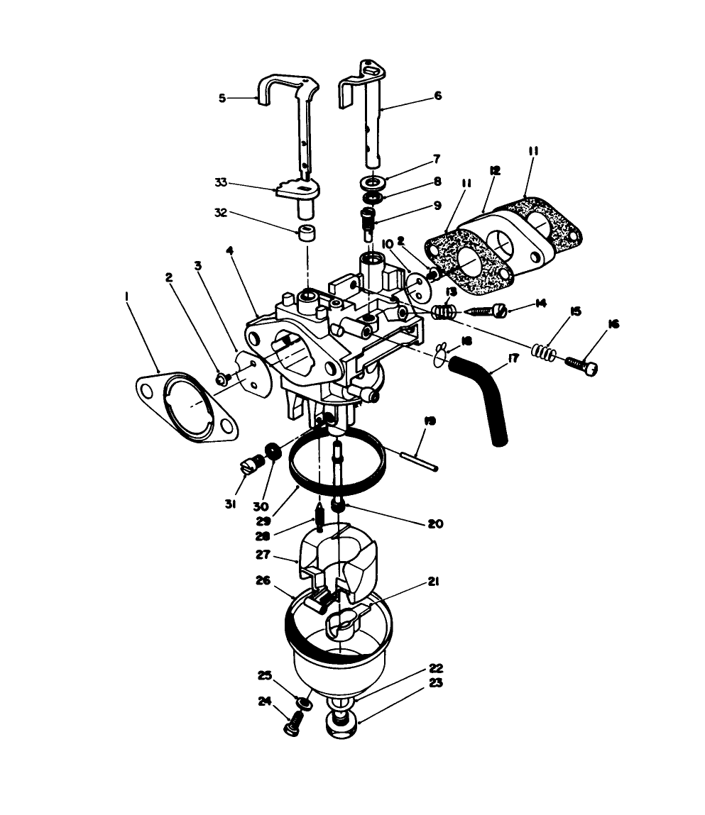
Wear Plates (Part # 49-4080)
Chute, Side Discharge (Part # 59108)
Dethatcher (Part # 59126)
Leaf Shredder (Part # 59157)
Side Discharge Chute (Part # 59168)
Bag Only (Part # 8-2759)
-
Model #
20526 -
Serial #
8000001 - 8999999 -
Product Name
Lawnmower -
Product Brand
Toro -
Product Type
Walk Behind Mowers -
Product Series
21" (53cm) 3 in 1 / Recycler -
Chassis Type
Cast Deck WPM -
Swath
21 inch -
Discharge
Rear Bagger -
Engine/Motor Manufacturer
Suzuki -
Engine/Motor Type
4 Cycle -
Engine Starter
Recoil -
Transmission Type
Hand Push
-
Engine: Bore & Stroke
2.52" x 1.73" (64 x 44mm) -
Engine: Displacement
8.7 cu. in. (141cc) -
Engine: Maximum Output
4hp at 3600 rpm's -
Engine: Maximum Torque
6 ft. lbs (0.83 kg-m ) @ 2700 rpm's -
Engine: Spark Plug
NGK BPR6ES -
Engine: Fuel Tank Capacity
.26 Gallon (1.2 L) -
Engine: Recommended Oil
30 Weight or 10w-30 Multi-viscosity -
Engine: Oil Capacity
18.59 oz. (550 ml ) -
Engine: Ignition System
Electronic Transistorized Ignition -
Engine: Ignition Timing Degree
25 BTDC +/- 2 degrees / 3000 rpm -
Engine: Starting System
Recoil / Electric (12volt) -
Engine: Governor
Centrifugal Mechanical -
Engine: Oil Pump
Trochoid oil pump -
Engine: Carburetor
Butterfly valve -
Engine: Air Cleaner
Polyurethane Foam element -
Engine: Dry Weight
26.5 lbs. (12.0 kg) -
Engine: Crankshaft Diameter ( upper )
0.8646/0.8654" (21.960/21.980mm) -
Engine: Crankshaft Diameter ( lower)
0.9826/0.9835" (24.959/24.980mm) -
Engine: Crankshaft Deflection (max. wear limit)
0.0020" (0.05mm) -
Engine: Wear Limit on Cylinder Bore
0.0039" (0.100mm) -
Engine: Piston Diameter (std)
2.5181/2.5187" (63.960/63.975mm) -
Engine: Piston Diameter (max. wear limit)
2.5163" (63.915mm) -
Engine: Piston to Cylinder Clearance (std)
0.0010/0.0022" (0.025/0.055mm) -
Engine: Piston to Cylinder Clearance (max. wear limit)
0.0047" (0.120mm) -
Engine: Piston Pin Hole Diameter
0.5904/0.5911" (15.006/15.014mm) -
Engine: Piston Pin Diameter
0.5904/0.5906" (14.995/15.000mm) -
Engine: Piston Pin Clearance in Connecting Rod
0.0002/0.0007" (0.006/0.019mm) -
Engine: Piston Pin Clearance in Connecting Rod (max wear limit)
0.0020" (0.05mm) -
Engine: Piston Ring Grove Width (top & 2nd.)
0.0598/0.0606" (1.52/1.54mm) -
Engine: Piston Ring Thickness
0.0579/0.0587" (1.47/1.49mm) -
Engine: Piston Ring Clearance in Grove
0.0012/0.0028" (0.03/0.07mm) -
Engine: Piston Ring Clearance in Grove (max. wear limit)
0.0039" (0.10mm) -
Engine: Piston Ring End Gap
0.0079/0.0158" (0.2/0.4mm) -
Engine: Piston Ring End Gap (max. wear limit)
0.0276" (0.70mm) -
Engine: Connecting Rod Big End Side Clearance
0.945/0.953" (24.00/24.20mm) -
Engine: Connecting Rod Big End Side Diameter
1.024/1.025" (26.015/26.025mm) -
Engine: Crank Pin Diameter
1.023/1.025" (26.015/26.025mm) -
Engine: Crankpin Oil Clearance in Connecting Rod
0.0006/0.0014" (0.015/0.035mm) -
Engine: Crankpin Oil Clearance in Connecting Rod (max. wear limit)
0.0031" (0.080mm) -
Engine: Cylinder Head Distortion Limit
0.0012" (0.03mm) -
Engine: Valve Head Thickness
0.0012/0.0028" (0.03/0.07mm) -
Engine: Valve Head Thickness (max. wear limit)
0.0079" (0.20mm) -
Engine: Width of Valve Seat Contact
0.0354/0.0433" (0.900/1.100mm) -
Engine: Valve Lash
.001/.005" (0.13mm) -
Engine: Valve Stem Diameter ( Intake )
0.2150/0.2156" (5.460/5.475mm) -
Engine: Valve Stem Diameter (Exhaust)
0.2142/0.2148" (5.440/5.455mm) -
Engine: Valve Guide Inside Diameter (Intake)
0.2165/0.2170" (5.500/5.512mm) -
Engine: Valve Guide Inside Diameter (Exhaust)
0.2165/0.2170" (5.500/5.512mm) -
Engine: Valve Guide to Valve Stem Clearance (Intake)
0.0010/0.0020" (0.025/0.052mm) -
Engine: Valve Guide to Valve Stem Clearance Intake (max. wear limit)
0.0039" (0.080mm) -
Engine: Valve Guide to Valve Stem Clearance (Exhaust)
0.0028/0.0018" (0.045/0.072mm) -
Engine: Valve Guide to Valve Stem Clearance Exhaust (max wear limit)
0.0039" (0.100mm) -
Engine: Valve Guide Oversize
0.0118" (0.3mm) -
Engine: Valve Spring Free Length
1.2598/1.3386" (32.0/34.0mm) -
Engine: Valve Spring Free Length (max. wear limit)
1.2205" (31.0mm) -
Engine: Cam. Height
1.2015/1.2038" (30.517/30.577mm) -
Engine: Carburetor, Type
Mikuni BV 18-13 -
Engine: Carburetor, Main Jet (High Altitude)
82.5 (80 part # 81-1040 ) -
Engine: Carburetor, Main Air Jet
0.0709" (1.8mm) -
Engine: Carburetor, Pilot Jet
40 -
Engine: Carburetor, Pilot Air Jet
0.0394" (1.0mm) -
Engine: Carburetor, Throttle Valve
130 -
Engine: Carburetor, Pilot Outlet
0.0276" (0.7mm) -
Engine: Carburetor, Valve Seat
0.0591" (1.5mm) -
Engine: Carburetor, Air screw Turns Open
1.0 -
Engine Torque: Cylinder Head Bolts
13.0/20.0 ft.lbs. (1.8/2.8 kg-m) -
Engine Torque: Flywheel Nut
40.5/46.5 ft. lbs. (5.6/6.4 kg-m) -
Engine Torque: Connecting Rod Nut
4.5/7.0 ft.lbs (0.6/1.0kg-m) -
Engine Torque: Conventional Bolts (5mm)
1.5/3.0 ft.lbs. (0.2/0.4 kg-m) -
Engine Torque: Conventional Bolts (6mm)
3.0/5.0 ft.lbs. (0.4/0.7 kg-m) -
Engine Torque: Conventional Bolts (8mm)
7.0/11.5 ft. lbs (1.0/1.6 kg-m) -
Engine Torque: Conventional Bolts (10mm)
16.0/25.5 ft.lbs. (2.2/3.5 kg-m) -
Engine Torque: "#7" Marked Bolts (5mm)
2.0/4.5 ft.lbs. (0.3/0.6 kg-m) -
Engine Torque: "#7" Marked Bolts (6mm)
6.0/8.5 ft.lbs. (0.8/1.2 kg-m) -
Engine Torque: "#7" Marked Bolts (8mm)
13.0/20.0 ft.lbs. (1.8/2.8 kg-m) -
Engine Torque: "#7" Marked Bolts (10mm)
29.0/43.5 ft.lbs. (4.0/6.0 kg-m) -
Engine: Ignition Coil Air Gap
.015-.020" / .4-.5mm -
Engine: Spark Plug Gap
.028"/ .7mm














