Stand-On Spray Master Lean-to-Steer
Product Information
- Model #: 34230
- Serial #: 408000000 - 412799999
- Product Type: Sprayers
Loading...
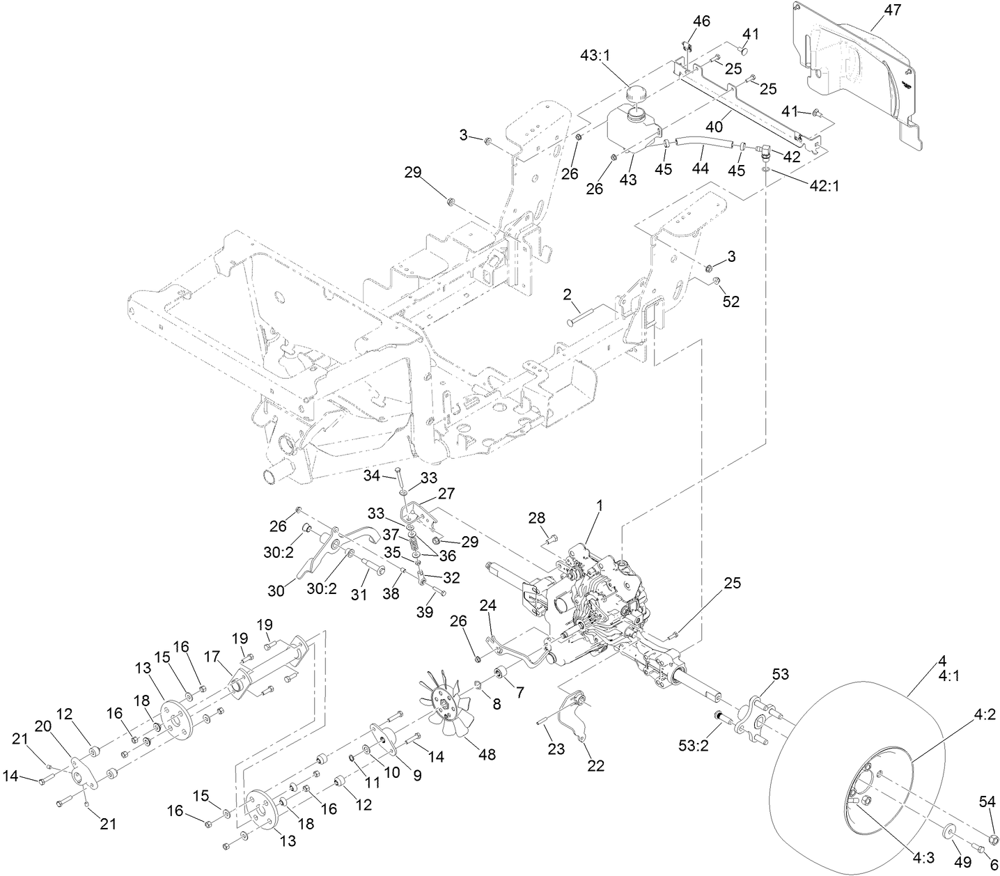
Assembly Drawings
Search for a part within assembly drawings:
-
Operator's Manual
-
Parts Catalog
-
Product Warranty
-
Model #
34230 -
Serial #
408000000 - 412799999 -
Product Name
Stand-On Spray Master Lean-to-Steer -
Product Brand
Toro -
Product Type
Sprayers -
Product Series
Turf Maintenance Equipment -
Chassis Type
Stand On -
Engine/Motor Manufacturer
Kohler -
Engine/Motor Type
4 Cycle -
Engine Starter
Electric -
Transmission Type
Hydrostatic -
Traction Type
Rear WD
-
Engine: Battery
12V 300CCA -
Engine: Engine Speed
3600±100 RPM -
Engine: Spark Plug
Champion RC12YC -
Engine: Spark Plug Gap
.030"/ .76mm -
Drive System: Ground Speed
0-5 mph -
Engine: Ignition Coil Air Gap
0.011in (0.3mm) -
Chassis: Tire Pressure
12-14psi (83-97kPa) -
Engine: Engine Oil Type
1.2qt (1.1L) SAE30/ 10w-30 -
Drive System: Gearbox Lubricant
HYPR-OIL 500


















