18" (46 cm) Power Clear® 518 ZR Gas Snow Blower
Product Information
- Model #: 38472
- Serial #: 408852000 - 999999999
- Product Type: Snowthrowers
Loading...
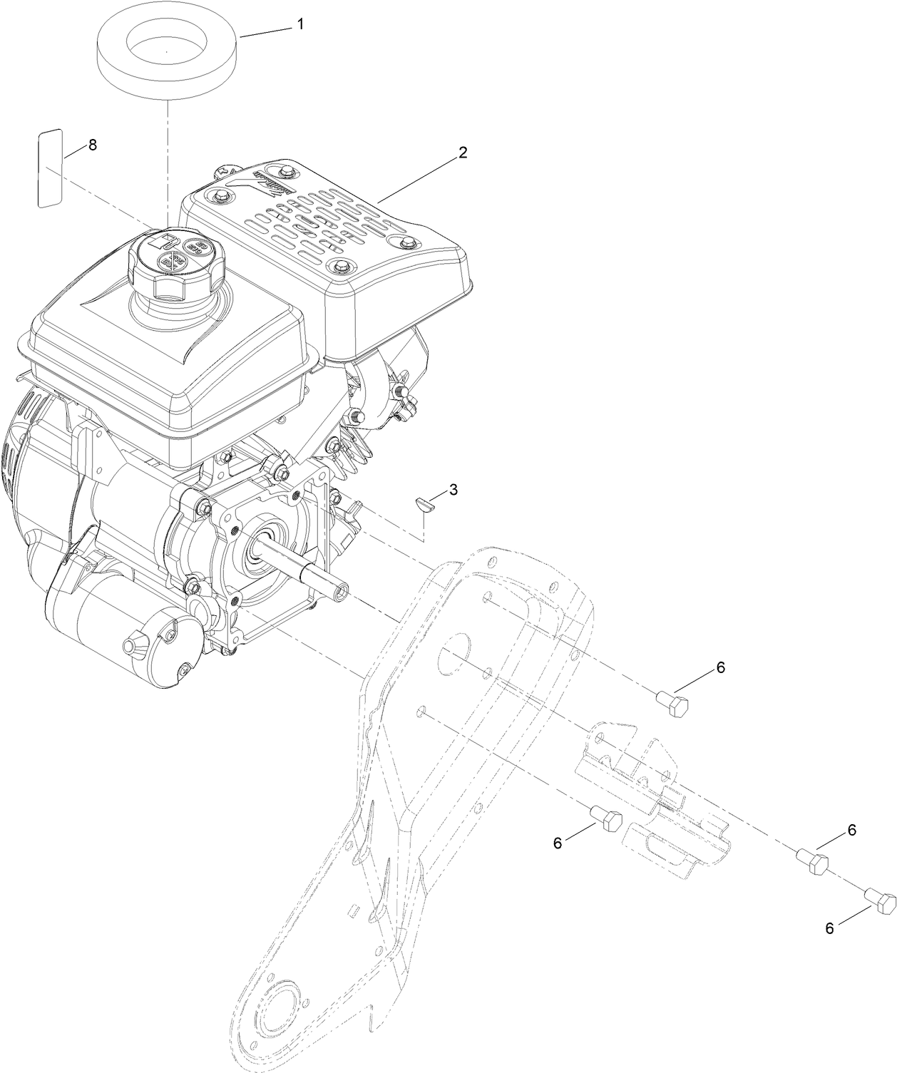
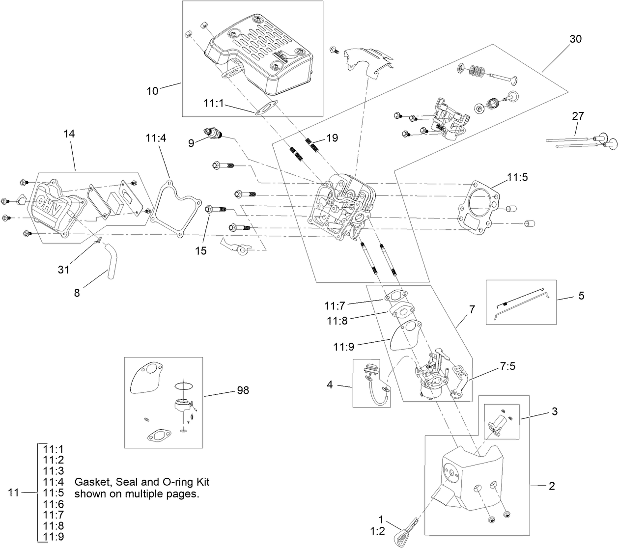
Assembly Drawings
Search for a part within assembly drawings:
-
Service Manual
-
Operator's Manual
-
Parts Catalog
-
Product Warranty
-
Quick Start Guide
Snow Blower High Altitude Kit (Part # 121-4239)
Toro genuine high altitude kit. Small engines may require a high altitude carburetor kit to ensure correct engine operation at altitudes above 1219 meters. Genuine Toro parts are designed specifically for your machine to offer quality, performance and value.
Snow Blower Maintenance Kit (Part # 138-0698)
Keep your Toro snow blower running smoothly season after season with this maintenance kit for Power Clear 18"snow blowers. This kit contains oil, a spark plug, and fuel treatment - the essentials to perform routine maintenance and keep your machine running like new.
Snow Blower Paddle Replacement Kit (Part # 38266)
Snow Blower Maintenance Kit for Power Clear 180 Snow Blowers.
Snow Blower 4 Cycle Engine Oil (Part # 38907)
Toro snow blower 4-Cycle engine oil 5W-30 motor oil designed specifically for cold weather applications. Keeps engine cool and lubricated for optimal performance.
Winter 0W-30 Synthetic Winter Engine Oil (Part # 38913)
Toro 0W-30 Synthetic Winter Engine Oil is engineered to provide superior performance and easy
starting in extreme cold temperatures. The easiest starting winter oil in extreme cold.
-
Model #
38472 -
Serial #
408852000 - 999999999 -
Product Name
18" (46 cm) Power Clear® 518 ZR Gas Snow Blower -
Product Brand
Toro -
Product Type
Snowthrowers -
Product Series
Snowthrower, PowerClear -
Chassis Type
Single Stage -
Swath
18 inch -
Discharge
Single Stage -
Engine/Motor Manufacturer
Toro -
Engine/Motor Size
99cc -
Engine/Motor Type
4 Cycle CARB exempt, EPA3 -
Engine Starter
Recoil
-
Engine: Spark Plug Gap
.030"/ .76mm -
Engine: Engine Speed
4500±150 RPM -
Engine: Spark Plug
Champion RL87YC / NGK BPR6HS or 7HS / NHPS E7RTC (OEM China) -
Engine: Engine Oil Type
12 oz. (.35 L) 5w-30 synthetic or 5w-30 below 40F (4c) or 10w-30 above 0F (-20c)










