Z149 Z Master, With 52" SFS Side Discharge Mower
Product Information
- Model number: 74179
- Serial number: 230006001 - 230007000
- Product Type: Riding Products
Loading...
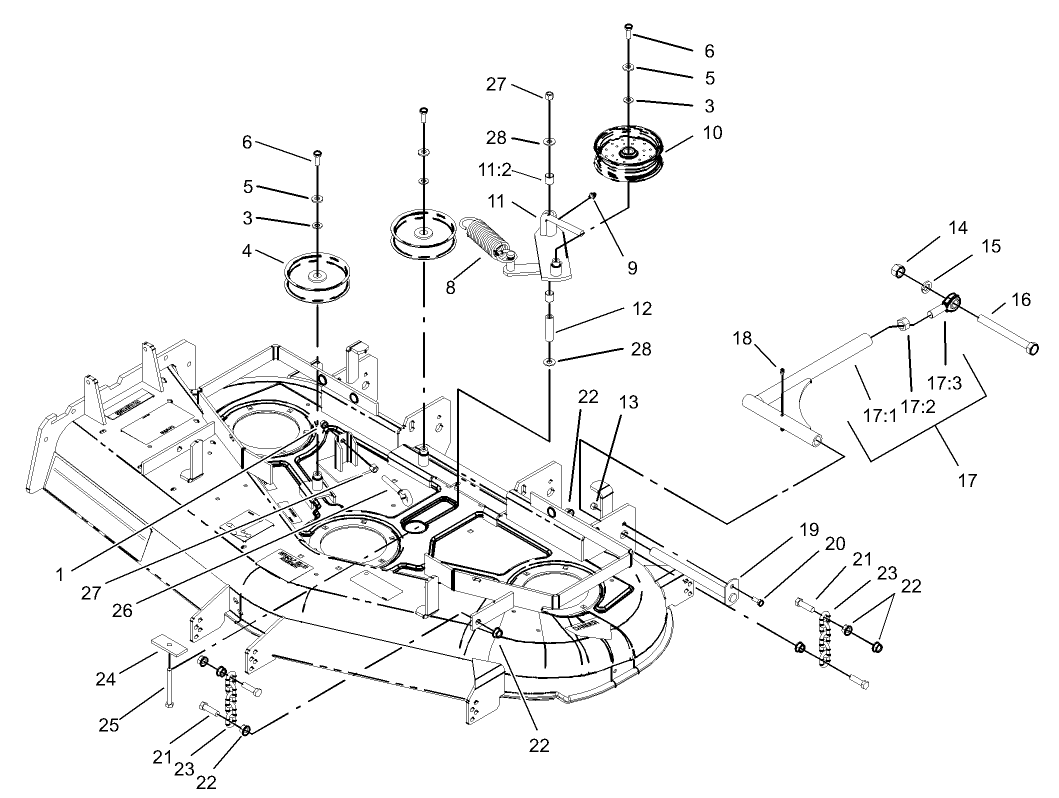
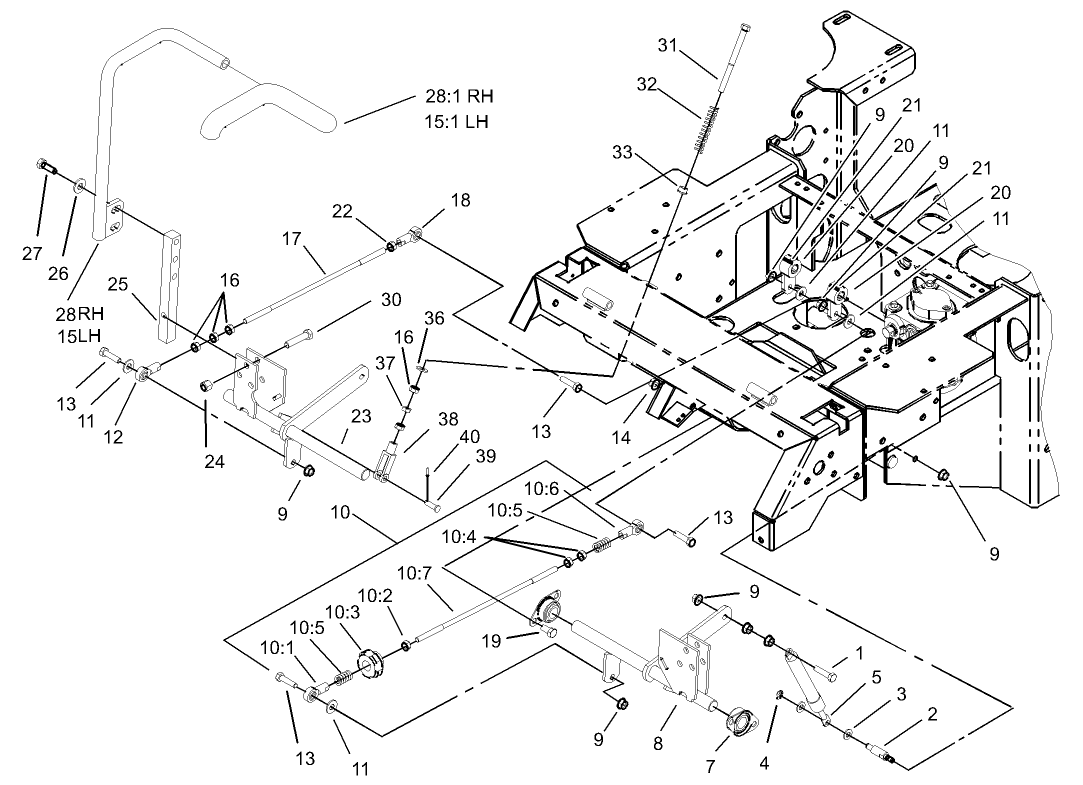
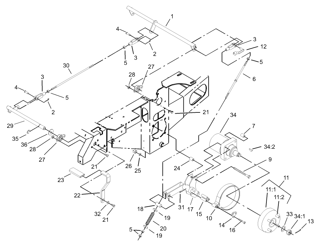
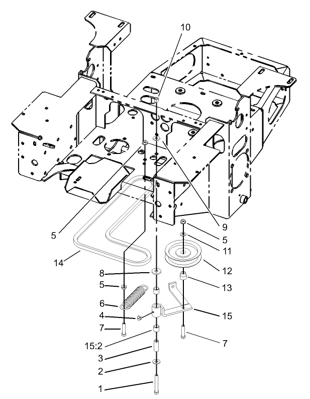
Assembly Drawings
Search for a part within assembly drawings:
-
Service Manual
-
Operator's Manual
-
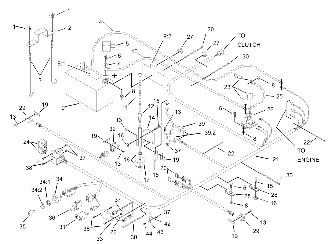
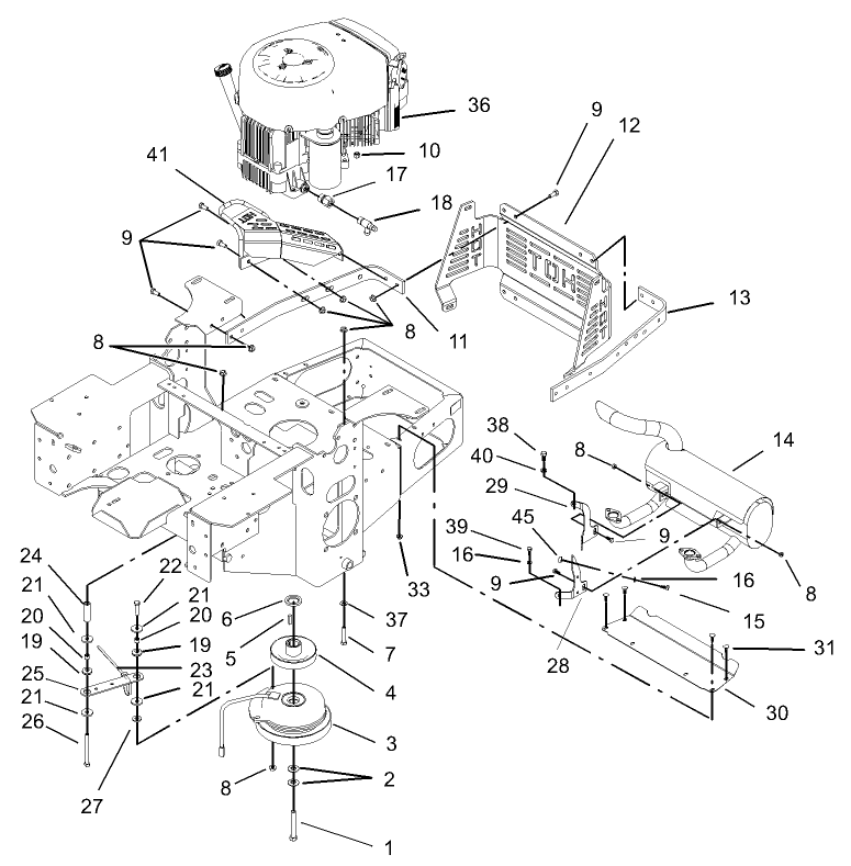
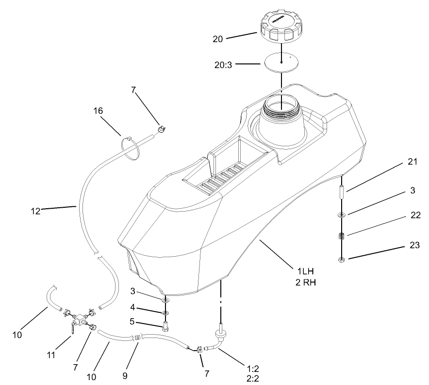
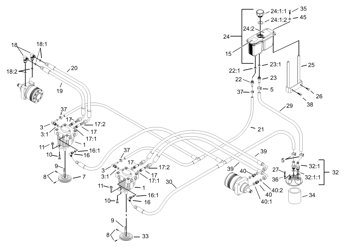
Parts Catalogue
52" Splined Shaft for Dec Center Spindle (Part number 100-3972)
Toro Z-stand 100 series kit (Part number 105-1621)
Z100 Series DFS Adapter Kit (Part number 106-7131)
Suspension Kit for Standard Seat (Part number 107-1892)
DFS Handle Kit (Part number 107-3089)
3bu. Soft Bagger, 36" and Larger Mower Decks (Part number 30104)
Steel Grass Catcher (Part number 30107)
Striping Kit - 44"/52" Mower (Part number 30121)
Blade-18in (Part number 56-2390-03)
Z100 Series 44"/52" Twin Soft Bagger (Part number 78455)
Bagger (Part number 78490)
Boot and Tube Kit (Part number 78493)
Z100 Series 52" Soft Bag/Blower Housing Kit (Part number 78497)
DFS Vac Collection System (Part number 78500)
Twin Bagger (Part number 78507)
52" Deck Finishing Kit (Twin Bagger) (Part number 78509)
52" Recycler Kit (Part number 99-4586)
52" Striping Kit (Part number 99-4590)
52" MULCHING KIT (Part number 99-8530)
Hitch kit (Part number 99-8924)
-
Model number
74179 -
Serial number
230006001 - 230007000 -
Product Name
Z149 Z Master, With 52" SFS Side Discharge Mower -
Product Brand
Toro -
Product Type
Riding Products -
Product Series
Zero Radius Turn, 100 Series -
Swath
52 inch -
Discharge
Side -
Engine/Motor Manufacturer
Kawasaki -
Engine/Motor Size
19 hp -
Engine/Motor Type
4 Cycle CARB2, EPA2 -
Engine Starter
Electric -
Transmission Type
Hydrostatic
-
Engine: Engine Speed
3600±100 RPM -
Engine: Spark Plug
NGK BPR5ES -
Engine: Spark Plug Gap
.030"/ .76mm -
Drive System: Gearbox Lubricant
Mobil 1 15w-50 -
Drive System: Ground Speed
Infinite, 0 to 9.4 mph -
Engine: Battery
BCI Group U 1 -
Engine: Ignition Coil Air Gap
015-.020"/ .38-.5mm -
Chassis: Height of Cut Range
1.5" - 5" (38-127mm) -
Chassis: Tire Pressure
13 psi / 90 kPa



























