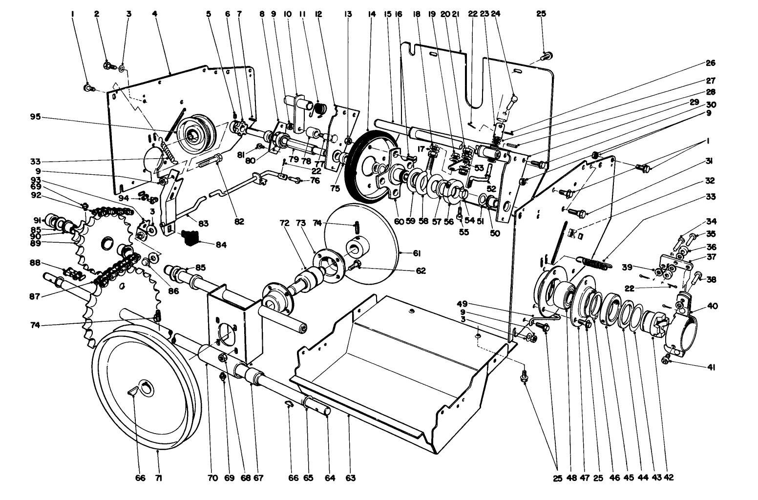
1132 Snowthrower
Product Information
- Model number: 38090
- Serial number: 4000001 - 4999999
- Product Type: Snowthrowers
Loading...
Assembly Drawings
Search for a part within assembly drawings:
-
Parts Catalogue
Drift/Storage Bar Kit (Part number 20-0650)
Tire Chains (Part number 23-2340)
Chute Extension Kit (Part number 26-1100)
110 VAC Electric Starter Kit (Part number 37-4630)
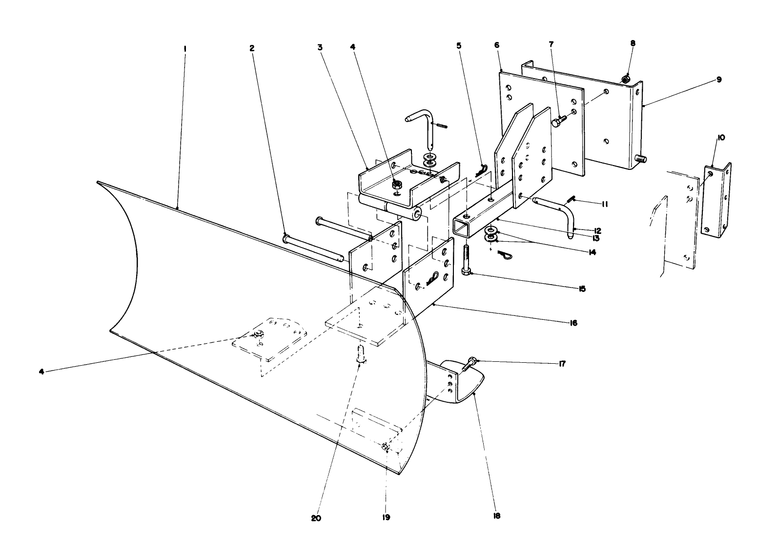
30" Grader Blade (Part number 39-8100)
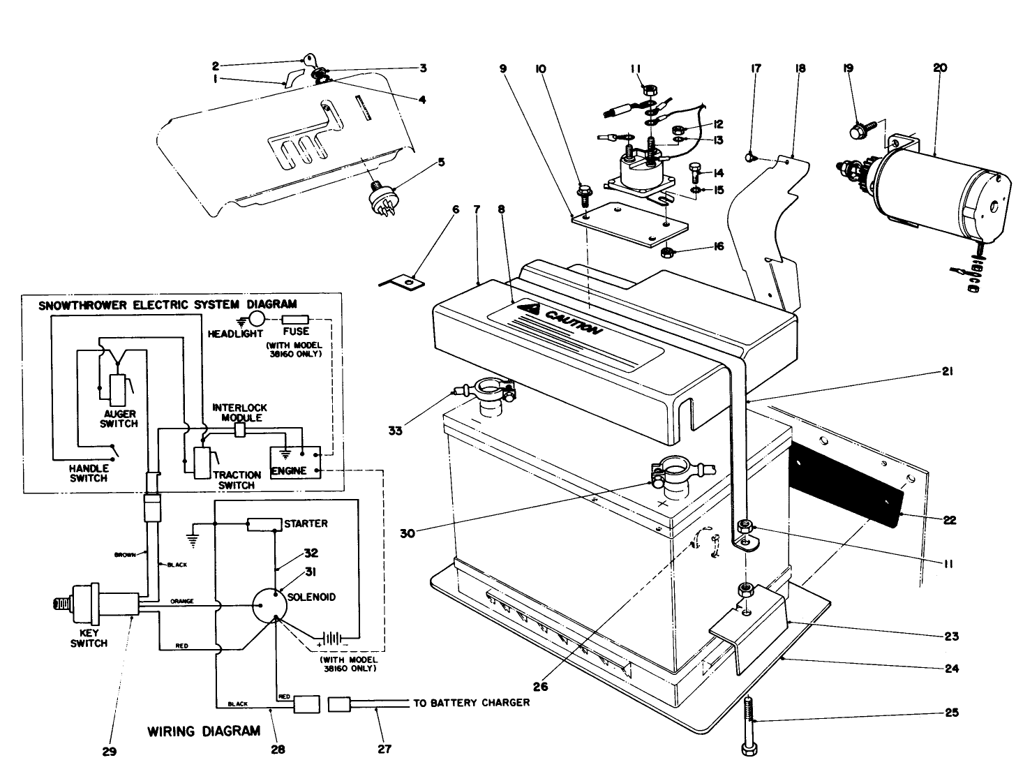
12V Starting Motor (Part number 42-3370)
Snow Cab Assy (Part number 42-3380)
Light Kit (Part number 54-9821)
-
Model number
38090 -
Serial number
4000001 - 4999999 -
Product Name
1132 Snowthrower -
Product Brand
Toro -
Product Type
Snowthrowers -
Product Series
Snowthrower, Two Stage Large Frame -
Swath
32 inch -
Discharge
Two Stage -
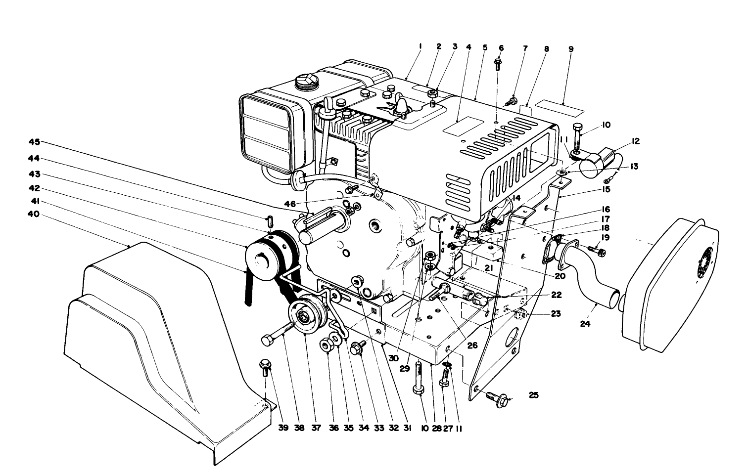
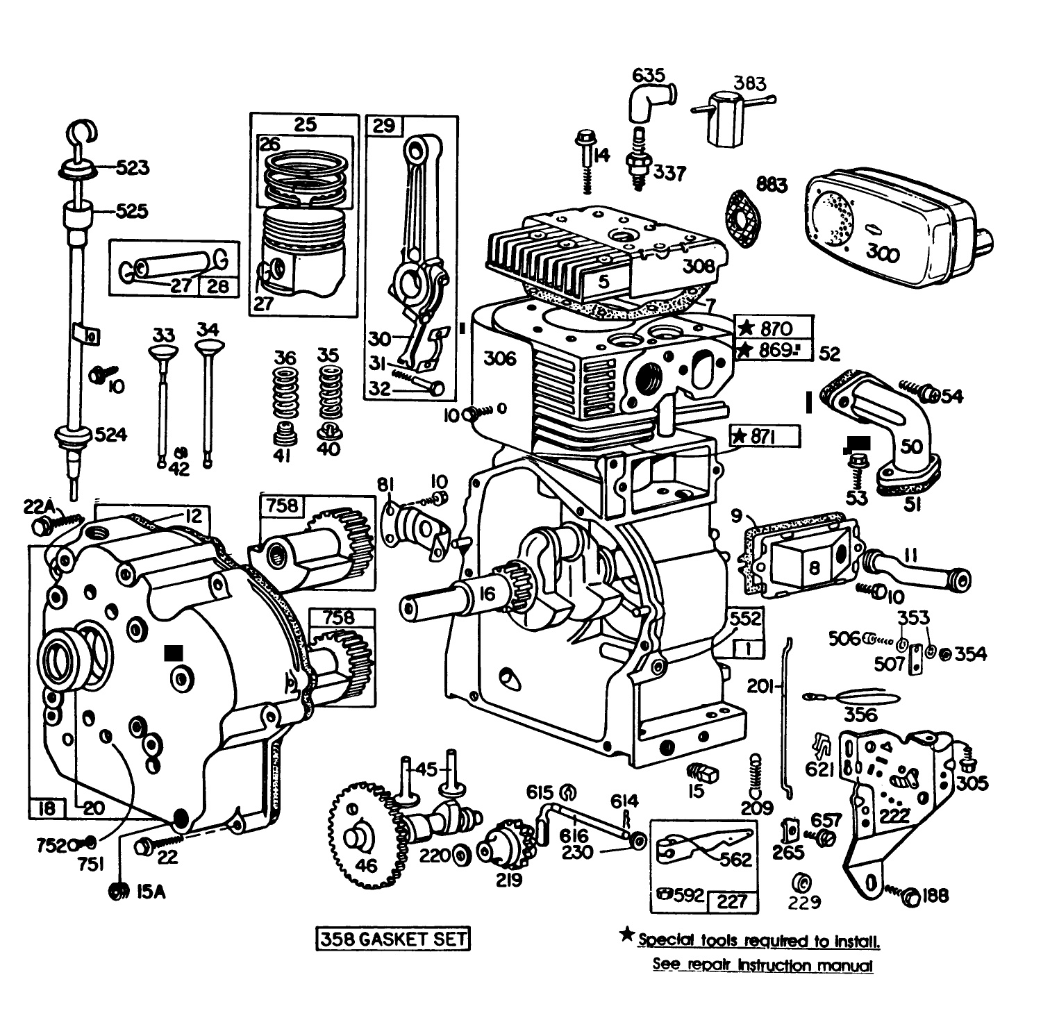
Engine/Motor Manufacturer
Briggs & Stratton -
Engine/Motor Size
11 hp -
Engine/Motor Type
4 Cycle -
Engine Starter
Recoil -
Transmission Type
Friction Disc












