Snow Commander Snowthrower
Product Information
- Model number: 38602
- Serial number: 280000001 - 280999999
- Product Type: Snowthrowers
Loading...
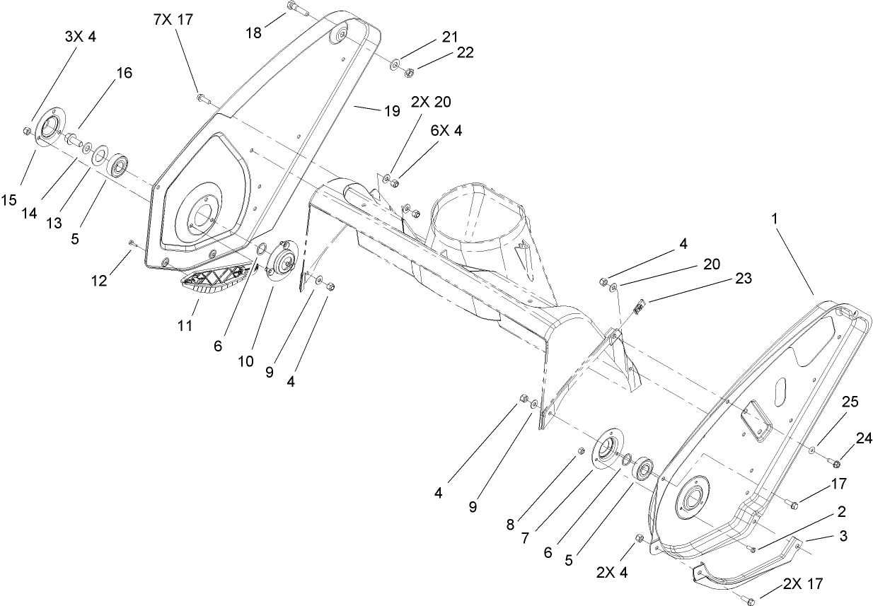
Assembly Drawings
Search for a part within assembly drawings:
-
Service Manual
-
Operator's Manual
-
Parts Catalogue
Toro 2-Stage Cover (Part number 490-7466)
Plain 2-Stage Cover (Part number 490-7467)
Snow Cab (Part number 88-0600)
-
Model number
38602 -
Serial number
280000001 - 280999999 -
Product Name
Snow Commander Snowthrower -
Product Brand
Toro -
Product Type
Snowthrowers -
Product Series
Snowthrower, Single Stage, Snow Commander -
Chassis Type
Single Stage -
Swath
24 inch -
Discharge
Single Stage -
Engine/Motor Manufacturer
Briggs & Stratton -
Engine/Motor Size
141cc -
Engine/Motor Type
2 Cycle EPA2 -
Engine Starter
Electric -
Transmission Type
NA
-
Engine: Engine Oil Type
Toro 2 cycle / NMMA-TCW3 -
Engine: Engine Speed
4000±250 RPM -
Engine: Ignition Coil Air Gap
.010" / .25mm -
Engine: Mix Ratio
50:1 (2.6 oz./gal.) -
Engine: Spark Plug
NGK BPMR4A -
Engine: Spark Plug Gap
.030"/ .76mm












