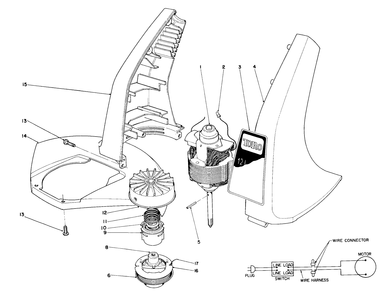
1100 Electric Trimmer
Product Information
- Model number: 51325
- Serial number: 1000001 - 1999999
- Product Type: Trimmers
Loading...
Assembly Drawings
Search for a part within assembly drawings:
-
Service Manual
-
Operator's Manual
-
Parts Catalogue
50' Coil .065" Line (Part number 88003)
50' Coil .065" Line Prewound Spool (Part number 88005)
-
Model number
51325 -
Serial number
1000001 - 1999999 -
Product Name
1100 Electric Trimmer -
Product Brand
Toro -
Product Type
Trimmers -
Product Series
Trimmer, Electric -
Chassis Type
Hand Held Corded Electric -
Swath
12 inch -
Engine/Motor Size
3.5 amp -
Engine/Motor Type
120 VAC

