Workman® HDX-D 4WD Diesel Powered
Product Information
- Model number: 07387TC
- Serial number: 313000001 - 313999999
- Product Type: Vehicles
Loading...
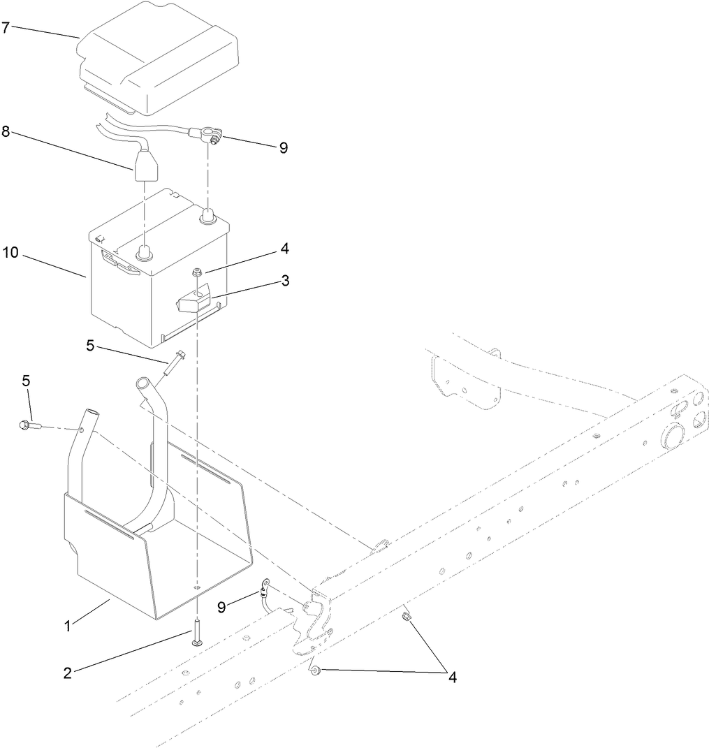
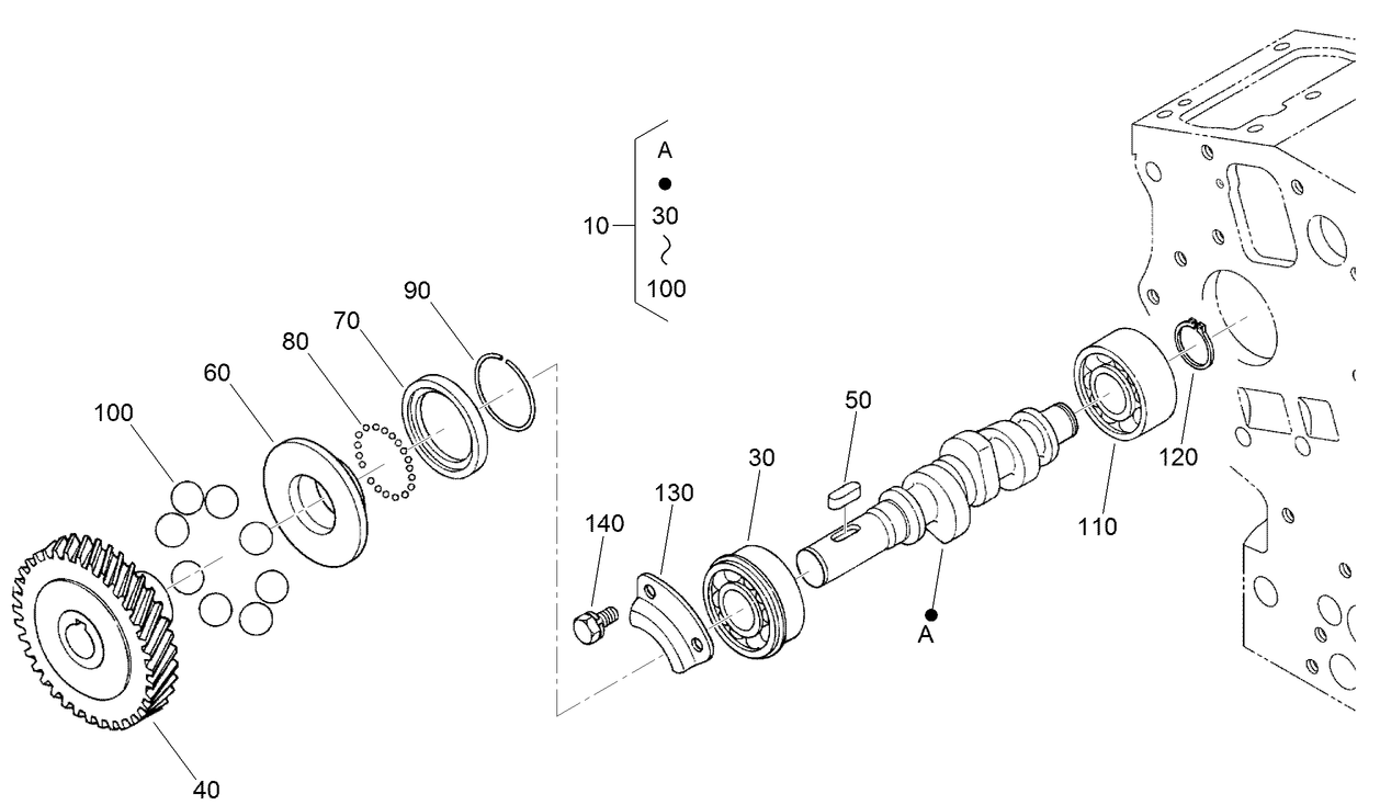
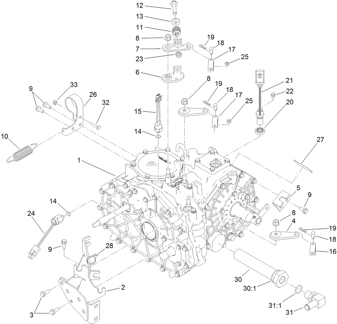
Assembly Drawings
Search for a part within assembly drawings:
-
Service Manual
-
Operator's Manual
-
Parts Catalogue
-
EU Declaration of Conformity
-
Service Bulletin
Full Area Flatbed, Heavy-Duty Workman Utility Vehicle (Part number 07301)
Full Area Flatbed Side Kit, Workman (Part number 07302)
Fold Down Side Kit, Workman (Part number 07303)
High-Flow Hydraulic Kit, Workman HD/HDX/HDX-D Series Utility Vehicle (Part number 07316)
2/3 Area Flatbed, Workman Heavy Duty Utility Vehicle (Part number 07321)
2/3 Area Flatbed Side Kit, Workman (Part number 07322)
Bed Liner, Workman (Part number 07331)
CAB-HD WORKMAN (Part number 07339)
1/3 Area Flatbed, Workman Heavy-Duty Utility Vehicle (Part number 07341)
1/3 Area Platform Lift, Workman Heavy-Duty Utility Vehicle (Part number 07347)
MD/HD HEATER KIT-LIQUID COOLED ENGINE (Part number 07349)
CANOPY-HD WORKMAN (Part number 07372)
WINDSHIELD-HD WORKMAN (Part number 07373)
CAB DOOR KIT-SLIDING WINDOW/HD WORKMA (Part number 07375)
CAB DOOR KIT-SOLID WINDOW/HD WORKMAN (Part number 07376)
Hitch Frame Kit, Workman HD/HDX/HDX-D Utility Vehicle (Part number 07377)
4 POST ROPS-HD WORKMAN (Part number 07378)
Rear PTO Kit, Heavy-Duty Workman Vehicles (Part number 07419)
Hand Throttle Kit, 2004 and Later Heavy-Duty Workman Vehicles (Part number 07420)
Spiker, Sand Pro (Part number 08856)
Finish Grader, Sand Pro (Part number 08867)
Backup Alarm Kit, 2004 and After Workman Heavy-Duty Utility Vehicles (Part number 107-8037)
PREMIUM ATF DRUM (Part number 108-1185)
PREMIUM ATF PAIL (Part number 108-1186)
PREMIUM ALL PURPOSE GREASE (Part number 108-1190)
Remote Hydraulics Manifold Kit, Heavy-Duty Workman Vehicles (Part number 110-2626)
Rear Tire (Part number 110-5132)
Spark Arrestor Kit, Groundsmaster 7200/7210 Traction Unit (Part number 112-1688)
WHEEL-12X8.0 (Part number 114-8260)
Horn Kit, Workman MD/MDX/HD/HDX/HDX-D Vehicle (Part number 115-7825)
High Air Intake Kit, 2009 and After Heavy Duty Workman Vehicle (Part number 115-7848)
Side Mirror Kit, 2009 and After Heavy Duty Workman Vehicle (Part number 115-7849)
ROPS SIGNAL KIT-HD WORKMAN (Part number 117-4825)
Worklight Kit, 2009 and After Heavy Duty Workman Vehicle (Part number 117-4827)
REMOTE HYD FLOAT KIT-HD WORKMAN (Part number 117-4828)
MIRROR KIT, CAB (Part number 117-4830)
Receiver Hitch Kit, Workman HD/HDX/HDX-D Series Utility Vehicle (Part number 117-4831)
TRAILER SIGNAL KIT (Part number 117-4836)
Trailer Brake Kit, Workman HD/HDX/HDX-D Series Utility Vehicle (Part number 117-4837)
TIRE AND WHEEL ASM 24X13-12 (Part number 117-4838)
Sprayer Cylinder Lift Kit, Workman 200 Spray System (Part number 117-4846)
Engine Cover Kit, Workman HDX/HDX-D Utility Vehicle (Part number 117-4867)
Manual 4-Wheel Drive Control Kit, Workman HDX/HDX-D Utility Vehicle (Part number 119-0817)
HARNESS-WIRE, SPEEDOMETER ADAPTER (Part number 119-1762)
Tapered Nozzle Kit, Pro Force Debris Blower (Part number 119-6280)
Rectangular Nozzle Kit, Pro Force Debris Blower (Part number 119-6281)
EXT-NOZZLE, STRAIGHT (Part number 119-6282)
EXT-NOZZLE, TAPERED BD (Part number 119-6283)
EXT-NOZZLE, RECTANGULAR BD (Part number 119-6284)
Canopy for Four-Post Roll-Over Protection System Kit, Workman HD/HDX/H (Part number 119-9457)
Road Light and Homologation Kit, Workman HD Utility Vehicle (Part number 120-5030)
Brake and Signal Light Kit, Workman HD Utility Vehicle (Part number 120-5045)
Single Nozzle Kit, Multi-Pro Turf Sprayers (Part number 41024)
Hose Reel Kit, Workman 200 Spray System (Part number 41097)
Spray Gun Kit, Multi-Pro 1200/1250 Turf Sprayer and Workman 200 Spray (Part number 41133)
PRO FOAM CONCENTRATE 4 X 1 GAL (Part number 41157)
Sonic Boom Kit, Multi-Pro Turf Sprayers (Part number 41217)
Workman 200 Spray System, Heavy-Duty Workman Vehicles (Part number 41235)
Foam Marker Kit, Multi-Pro 1200, 1250, 5600 and 5700 Turf Sprayers and (Part number 41236)
Spreader Base Unit, 2002 and later Workman 3000 and 4000 Series (Part number 41253)
VICON SPREADER (Part number 41256)
0.5 m³ Topdresser 1800 (Part number 44225)
The 0.5 m³ capacity Topdresser 1800 mounts to a Toro Workman or other utility vehicle and delivers a precise, productive performance with up to 8 mph topdressing speed. A remote on-off application lever allows precise control/placement from the comfort of the operator’s compartment.
Core Harvester Adapter Kit, Heavy-Duty Workman Vehicles (Part number 44242)
Pro Force Debris Blower (Part number 44538)
Road-Ready Pro Force Debris Blower (Part number 44539)
Workman HD Bed Mount Kit, Pro Force Debris Blower (Part number 44544)
Bed Mount Sound Barrier Kit, Pro Force Debris Blower (Part number 44546)
ProPass 200 Top Dresser with Twin Spinner and Wireless Control (Part number 44700)
595 litres ProPass™ 200 Series Topdresser (Part number 44701)
The Toro ProPass™ 200 broadcast style topdresser delivers extremely accurate spread patterns from ultra-light dustings to ultra-heavy aeration hole filling applications without any guesswork. A wireless controller provides the easiest method to set and control the spread functions. Available in both a utility vehicle mounted version and a towed version.
Series Models:
- ProPass 200 – Bed Mounted or Tow Behind
- ProPass 200 – Bed Mounted or Tow Behind with Wireless Controller
Twin Spinner, ProPass 200 Top Dresser (Part number 44702)
Conveyor and Swivel Kit, ProPass 200 Top Dresser (Part number 44703)
Tow-Type Chassis, ProPass 200 Top Dresser (Part number 44704)
Fender Kit, Tow-Type Chassis for ProPass 200 Top Dresser (Part number 44705)
Hose Assembly Kit, Tow-Type Chassis for ProPass 200 Top Dresser (Part number 44706)
Toro Workman Chassis, ProPass 200 Top Dresser (Part number 44707)
Storage Stand, ProPass 200 Top Dresser (Part number 44712)
Hydraulic Power Pack, ProPass 200 Top Dresser (Part number 44713)
Automatic Tailgate Release Kit (Part number 92-1220)
Fuse Block (Part number 92-2641)
PTO Over Running Clutch Kit, Workman 3000 (Part number 92-2655)
Lift Kit, Topdresser 1800 (Part number 92-4452)
Mid-Mount Kit for Platform Lift, Workman 3000 Series (Part number 93-3741)
1/3 Area Cover Kit, Workman (Part number 93-9225)
Rear 1/3 Area Mounting Kit (Part number 93-9249)
Tire-Rear (Part number 98-2993)
TIRE - REAR, INDUSTRIAL (Part number 99-1091)
-
Model number
07387TC -
Serial number
313000001 - 313999999 -
Product Name
Workman® HDX-D 4WD Diesel Powered -
Product Brand
Toro -
Product Type
Vehicles -
Product Series
Workman Series




















































































