TimeCutter MX4275T Riding Mower
Informations produit
- Nº Modèle : 74691
- Nº Série : 413000000 - 414499999
- Type de produit : Riding Products
Chargement...
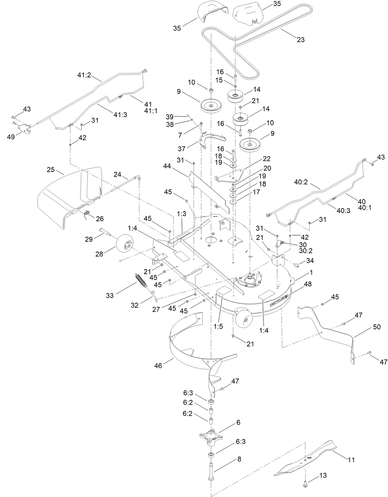
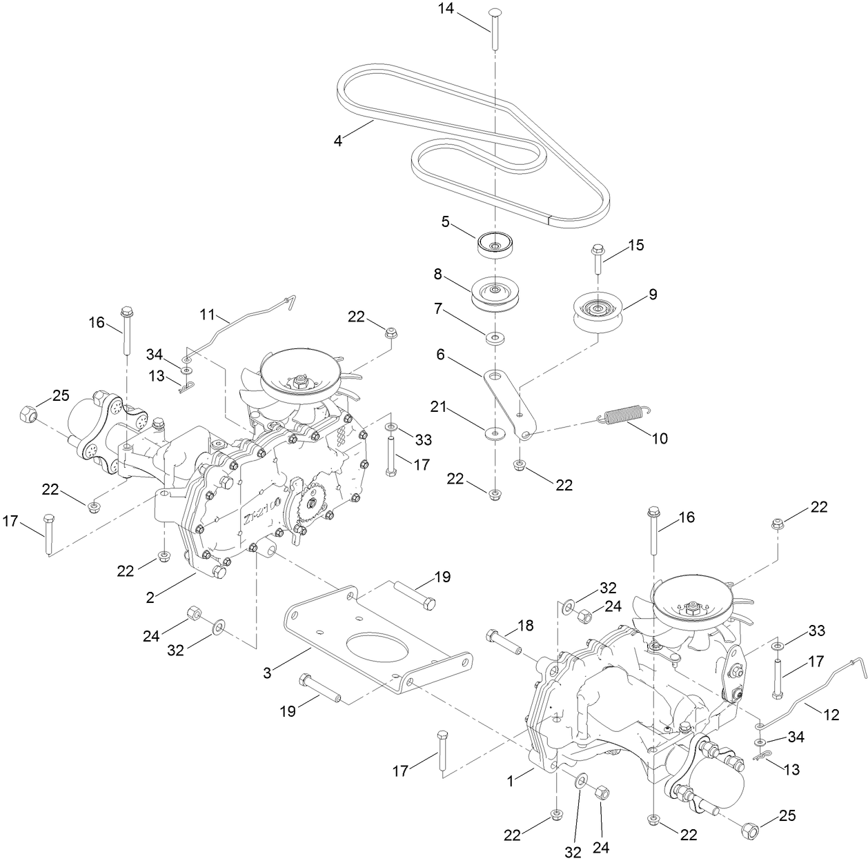
Schémas d’assemblage
Rechercher une pièce dans des schémas d'assemblage :
-
Manuel d'entretien
-
Manuel de l'utilisateur
-
Catalogue de pièces haute
-
Garantie produit
-
Instructions d'installation
-
Déclaration de conformité UE / RU
Hourmeter Kit, 2011 and After Zero-Turn-Radius Riding Mower (N° de référence 116-5461)
SEAT COVER W/ARM REST - TC, TITAN 18I (N° de référence 117-0097)
Jack Kit, Zero-Turn-Radius Side-Discharge or Rear-Discharge Riding Mow (N° de référence 127-6666)
Fuel Stabilizer .05 oz (N° de référence 130-2393)
4-CYCLE FUEL, SNOW AND LAWN, 32OZ CAN (N° de référence 131-3823)
Toro Premium Fuel Treatment (N° de référence 131-6572)
Replacement Blade Kit, TimeCutter Riding Mower with 42in Mower (N° de référence 137-1999-03P)
42" RECYCLER KIT (N° de référence 139-3265)
42 INCH BAGGING ENHANCEMENT KIT (N° de référence 139-7478)
FRONT WEIGHT KIT (N° de référence 140-2050)
HEAVY DUTY SPRING KIT (N° de référence 140-2051)
ASSIST BAR KIT (N° de référence 140-2052)
SUNSHADE KIT (N° de référence 140-2054)
LED Light Kit (N° de référence 140-2056)
DECK FOOTLIFT ASSIST KIT (N° de référence 140-2059)
FLOORMAT KIT (N° de référence 140-2061)
JACK MOUNT KIT (N° de référence 140-2711)
42 INCH STRIPING KIT (N° de référence 140-5159)
KIT-CASTER WHEEL (N° de référence 145-0475)
10W30 4-CYCLE ENGINE OIL 32 OZ BOTTLE (N° de référence 38280)
TORO 4-CYCLE SAE 30 OIL (32OZ BOTTLE) (N° de référence 38903)
COVER (N° de référence 490-7516)
Mower Deck Drive Belt, TimeCutter SS Riding Mower with 42-inch Mowing (N° de référence 79004)
TWIN BAGGER, TIMECUTTER 42IN FAB (N° de référence 79411)
ROPS KIT (N° de référence 79485)
SLOPE SENSOR KIT, TIMECUTTER (N° de référence 79486)
-
Nº Modèle
74691 -
Nº Série
413000000 - 414499999 -
Nom du produit
TimeCutter MX4275T Riding Mower -
Marque du produit
Toro -
Type de produit
Riding Products -
Série de produit
Zero Radius Turn, Consumer -
Type de châssis
ZRT - Consumer -
Largeur de travail
107cm -
Éjection
Recycler & Side Discharge -
Fabricant du moteur
Kohler -
Taille de moteur
725cc -
Type de moteur
4 Cycle -
Démarreur
Electric -
Type de transmission
Hydrostatic -
Type de traction
2wd
-
Engine: Spark Plug Gap
.030"/ .76mm -
Chassis: Tire Pressure
13 psi / 90 kPa -
Drive System: Ground Speed
0-6 mph -
Engine: Engine Oil Type
64 oz (1.9L) 10W-30 -
Chassis: Height of Cut Range
1.5-4.5"; 1/2" increments -
Engine: Spark Plug
Champion XC12YC -
Engine: Battery
12V 230CCA -
Engine: Ignition Coil Air Gap
0.011in (0.3mm) -
Drive System: Gearbox Lubricant
HYPR-OIL 500 / 20w-50 Synthetic Motor Oil















