Série 2000 HDX Pro de 152 cm (60 po), 20,9 kW (28 cv), 810 cm³
Informations produit
- Numéro de modèle : 77288
- Numéro de série : 400000000 - 415229999
- Type de produit : Riding Products
Chargement...
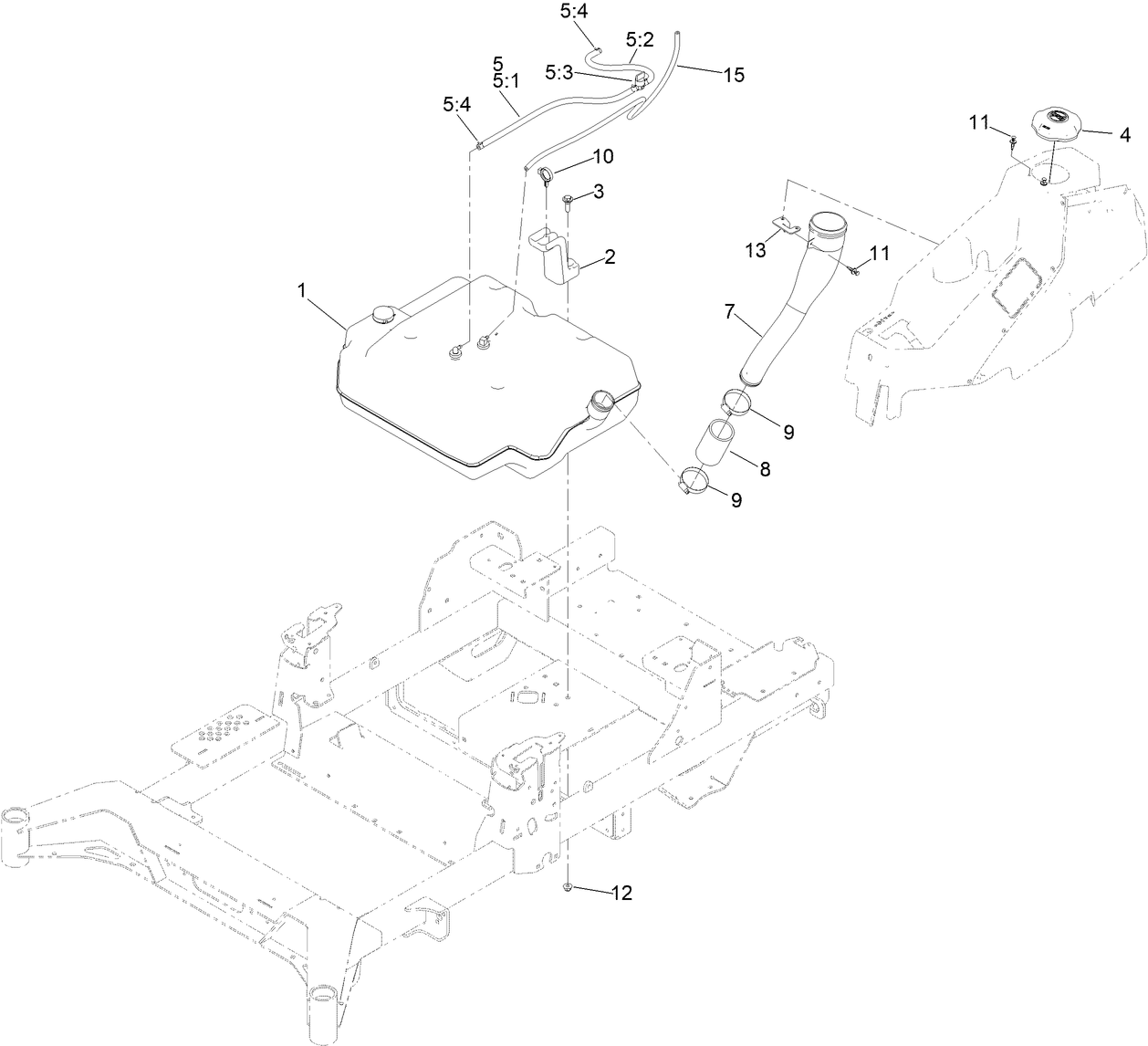
Schémas d'assemblage
Rechercher une pièce dans des schémas d'assemblage :
-
Manuel d'entretien
-
Manuel de l'utilisateur
-
Catalogue de pièces
-
Garantie produit
-
Instructions d'installation
Hypr-Oil™ 500 (quart) (Réf. 114-4713)
High Performance Hydro Oil
Hypr-Oil™ 500 (gallon) (Réf. 114-4714)
High Performance Hydro Oil
HYPR-OIL 500-5 GALLON (Réf. 114-4715)
Striper Kit (Réf. 126-7882)
Riding Mower Jack Kit (Réf. 127-6666)
Genuine Toro jack mount kit. Mounts to the front of the mower and allows the owner to raise the mower to gain access to the underside of the deck to check blades or wash the deck. To best protect your investment and maintain optimal performance of your turf equipment, count on Toro genuine parts. When it comes to reliability, Toro delivers replacement parts designed to the exact engineering specifications of our equipment. For peace of mind, insist on Toro genuine parts.
20.5 Inch Hi-Flow Blade (Réf. 133-2127)
Toro 20.5 Inch OEM Hi-Flow blade. This sharp replacement Hi-Flow lawn mower blade provides a crisp, clean cut time after time. You can count on the quality and reliability of this Toro replacement Hi-Flow lawn mower blade. This Toro blade has multiple applications. Be sure to verify model and serial number to ensure the correct part.
20.5 Inch Atomic Blade (Réf. 133-2157)
Toro 20.5 Inch OEM Atomic blade. The Toro Atomic blade is commonly referenced as a “Gator Style” or “Gator Blade”. Provides the best quality of cut while mulching. This Toro blade has multiple applications. Be sure to verify model and serial number to ensure the correct part.
20.5 Inch Recycler Blade (Réf. 133-2161)
Toro 20.5 Inch OEM Recycler blade. Recycler straight edge, standard discharge blade. The blade is designed for a High quality cut and long-lasting durability. These blades are designed with “wings,” called “accelerators” that kind of act like a fan — forcing the tiny bits of grass back into the earth. This Toro blade has multiple applications. Be sure to verify model and serial number to ensure the correct part.
20.5 Inch Hi-Flow Blade Pack - 6 Blades (Réf. 133-2174)
Toro 20.5 Inch OEM Hi-Flow blade pack. (6) Hi-Flow blades. This sharp replacement Hi-Flow lawn mower blade provides a crisp, clean cut time after time. You can count on the quality and reliability of this Toro replacement Hi-Flow lawn mower blade. This Toro blade has multiple applications. Be sure to verify model and serial number to ensure the correct part.
20.5 Inch Recycle Blade Pack - 6 Blades (Réf. 133-2177)
Toro 60 Inch OEM Recycler blade pack. (6) Recycler blades. Recycler straight edge, standard discharge blade. The blade is designed for a High quality cut and long-lasting durability. These blades are designed with “wings,” called “accelerators” that kind of act like a fan — forcing the tiny bits of grass back into the earth. This Toro blade has multiple applications. Be sure to verify model and serial number to ensure the correct part.
20.5 Inch Atomic Blade Pack - 6 Blades (Réf. 133-2180)
Toro 20.5 Inch OEM Atomic blade. (6) blade pack. Atomic blade is commonly referenced as a “Gator Style” or “Gator Blade”. Provides the best quality of cut while mulching. This Toro blade has multiple applications. Be sure to verify model and serial number to ensure the correct part.
Pneus radiaux sans air pour gazon MICHELIN® X® TWEEL® (46 cm/24 po) (Réf. 139-3649)
A MICHELIN® X® TWEEL® airless radial tire is a single unit that replaces the current tire and wheel assembly. There is no need for complex mounting equipment and once they are bolted on, there is no air pressure to maintain The unique energy transfer within the poly-resin spokes helps reduce the “bounce” associated with pneumatic tires, while providing outstanding handling characteristics. They are designed to perform like pneumatic tires, without the inconvenience and downtime caused by flat tires. When it comes to reliability, Toro delivers replacement parts designed to the exact engineering specifications of our equipment. For peace of mind, insist on Toro genuine parts.
60 Inch Recycler Kit (Réf. 139-6655)
The 60 in. Recycler Kit, when installed on compatible 42 in. deck Toro zero turn riding mowers, gives it the capability to mulch grass by cutting it multiple times turning it into fine clipping pieces. These are returned under the mower back into the soil to serve as natural fertilizer. When it comes to reliability, Toro delivers replacement parts designed to the exact engineering specifications of our equipment. For peace of mind, insist on Toro genuine parts.
TRIMMER MOUNT (Réf. 144-2665)
KIT, JACK MOUNT (Réf. 144-2676)
HARDTOP SUN CANOPY (Réf. 144-3719)
Handle Extension Kit (Réf. 145-3615)
Genuine OEM Part
MICHELIN® X® TWEEL® Turf Airless Caster Wheels (13") (Réf. 147-6294)
The MICHELIN® X® TWEEL® Turf Caster Wheel is the next “revolution” in commercial mowing. The MICHELIN X TWEEL Turf Caster Wheel has all the qualities you would want in a pneumatic tire but it never needs air. No more flats, downtime, patch kits or replacement tires. And in the area of wear and tear, this “tire” has a wear life that is three times that of a pneumatic.
Bucket Mount Kit, Z Master 2000 or 4000 Series Riding Mower (Réf. 147-6345)
Universal Mount Kit, Z Master 2000 or 4000 Series Riding Mower (Réf. 147-6346)
KIT-BAFFLE, TURBO FORCE (Réf. 147-7362)
KIT-ARM REST (Réf. 147-7397)
KIT-ELEC DECK LIFT (Réf. 147-7867)
KIT-2IN RECIEVER HITCH (Réf. 161-2810)
60IN CHUTE GATE KIT (Réf. 163-4120)
BAGGER KIT, Z MASTER 2000 / 4000 (Réf. 78439)
4000 Series E-Z Vac Blower & Drive Kit for 60" Deck (Réf. 78466)
4000 Series E-Z Vac Blower & Drive Kit for 60" Deck - use with 4000 Series Twin Soft Bagger 48 - 60" Deck (#78463)
-
Numéro de modèle
77288 -
Numéro de série
400000000 - 415229999 -
Nom du produit
Série 2000 HDX Pro de 152 cm (60 po), 20,9 kW (28 cv), 810 cm³ -
Marque du produit
Toro -
Type de produit
Riding Products -
Série de produit
Zero Radius Turn, Commercial 2000 Series -
Type de Châssis
ZRT - LCE -
Largeur de travail
60 inch / 152 cm -
Éjection
Side Discharge -
Fabricant du moteur
Briggs & Stratton -
Taille de moteur
28 hp -
Type de moteur
4 Cycle -
Démarreur
Electric -
Type de transmission
Hydrostatic -
Type de Traction
Rear WD
-
Engine: Battery
12V 300CCA -
Engine: Engine Speed
3800±100 RPM -
Engine: Ignition Coil Air Gap
.008-.012" / .2-.3mm -
Engine: Spark Plug
Champion RC12YC -
Engine: Spark Plug Gap
.030"/ .76mm -
Chassis: Height of Cut Range
1.5" - 5" (38-127mm) -
Chassis: Tire Pressure
12-14 psi rear -
Engine: Engine Oil Type
67 oz. (2.1 Liter) SAE 10W-30 or 10W-40 -
Drive System: Ground Speed
0-10 mph / 0-16kph -
Drive System: Gearbox Lubricant
HYPR-OIL 500 / 20w-50 Synthetic Motor Oil


























